电脑桌面
添加小米粒文库到电脑桌面
安装后可以在桌面快捷访问

超细干粉灭火装置施工方案

超细干粉灭火装置施工方案_第1页
1/6
超细干粉灭火装置施工方案_第2页
2/6
超细干粉灭火装置施工方案_第3页
3/6
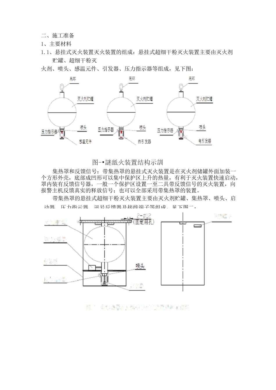
超细干粉灭火系统施工方案一、系统简介1、防护区:B3 层至 RF 层强弱电井,共计 25 个防护区。2、防护区几何尺寸:见下图超细干粉自动灭火装置设计技术参数表序号防护区名称面积(m2)层高(m)体积(m3)喷射剩余率(%)设计浓度(kg/m3)配 置 场所 危 险等 级 补偿系数防护区不密封度补偿系数灭火剂实际用量(kg)灭火剂选用量(kg)灭火装置数量1RF 层强弱电井7.603.526.650.121.51.15.536FZX-ACT6/1.2-JAD(1具)221 层强弱电井7.605.138.7650.121.51.18.0612FZX-ACT12/1.5-JAD(1具)33 层至 20 层强弱电井7.604.534.250.121.51.17.118FZX-ACT8/1.2-JAD(1具)42 层强弱电井7.6053850.121.51.17.908FZX-ACT8/1.2-JAD(1具)51 层强弱电井7.607.55750.121.51.111.8512FZX-ACT12/1.5-JAD(1具)6B1 层强弱电井7.606.750.9250.121.51.110.5912FZX-ACT12/1.5-JAD(1具)7B2 层强弱电井7.603.425.8450.121.51.15.376FZX-ACT6/1.2-JAD(1具)8B3 层强弱电井7.603.224.3250.121.51.15.066FZX-ACT6/1.2-JAD(1具)动器、压力指示器、讯号反馈器及接线端子等组成,见下图二:讯号.反馈裁启动灭火剂贮擢 h團二带集英罩和反馈信号灭火装置结构汶接线玉刁蚯番二、施工准备1、主要材料1.1、悬挂式灭火装置灭火装置的组成:悬挂式超细干粉灭火装置主要由灭火剂贮罐、超细干粉灭火剂、喷头、感温元件、引发器、压力指示器等组成,见下图:图-•謎舐火装置结构示訓集热罩和反馈信号:带集热罩的悬挂式灭火装置是在灭火剂储罐外面加装一个方形外壳,底部成凹形可以集中保护区上升的热量,有利于灭火装置快速启动,罩内装有反馈信号器,一般一个保护区设置一至二具带反馈信号的灭火装置,向报警主机反馈真实的释放信号;也可以全部采用带集热罩的装置。带集热罩的悬挂式超细干粉灭火装置主要由灭火剂贮罐、集热罩、喷头、启2、主要机具切割机、台钻、电锤、角磨机、手电钻、电焊机、钢锯、扳手、电锤、螺丝刀等工具。3、作业条件⑴ 施工图纸及有关技术文件应齐全,现场水、电、气应满足连续施工要求,系统设备材料能保证正常施工。⑵ 超细干粉灭火装置的标高应测定并标明,预留、预埋已随结构施工完成。三、施工工艺1、工艺流程:2、安装准备:⑴ 认真熟悉图纸,结合现场情况复核管道的坐标;标高是否位置得当,如有问题,及时与设计人员研究解决,办理洽商手续。⑵ 检查预留及预埋是否正确,临时剔凿应与设计工建协调好。⑶ 检查设...

1、当您付费下载文档后,您只拥有了使用权限,并不意味着购买了版权,文档只能用于自身使用,不得用于其他商业用途(如 [转卖]进行直接盈利或[编辑后售卖]进行间接盈利)。
2、本站所有内容均由合作方或网友上传,本站不对文档的完整性、权威性及其观点立场正确性做任何保证或承诺!文档内容仅供研究参考,付费前请自行鉴别。
3、如文档内容存在违规,或者侵犯商业秘密、侵犯著作权等,请点击“违规举报”。

碎片内容

超细干粉灭火装置施工方案

确认删除?
VIP
微信客服
  • 扫码咨询
会员Q群
  • 会员专属群点击这里加入QQ群
客服邮箱
回到顶部