电脑桌面
添加小米粒文库到电脑桌面
安装后可以在桌面快捷访问

住宿和餐饮行业企业安全风险分级管控清单VIP免费

住宿和餐饮行业企业安全风险分级管控清单_第1页
1/96
住宿和餐饮行业企业安全风险分级管控清单_第2页
2/96
住宿和餐饮行业企业安全风险分级管控清单_第3页
3/96
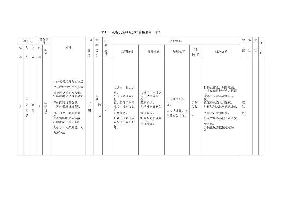
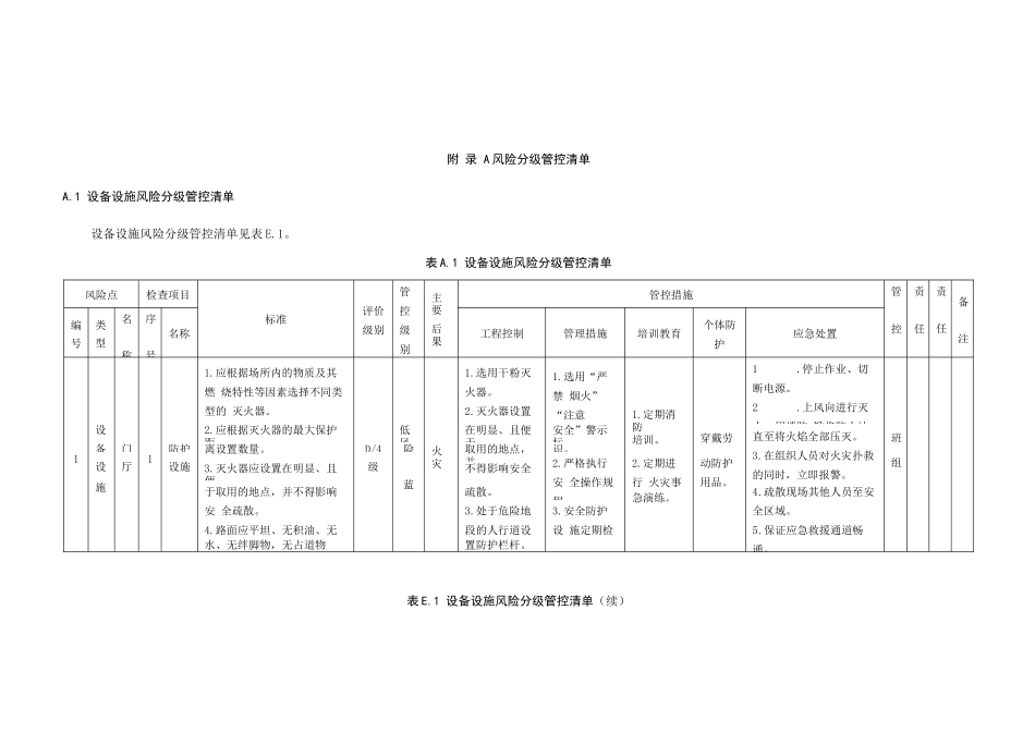
附录A风险分级管控清单A.1设备设施风险分级管控清单设备设施风险分级管控清单见表E.1。表A.1设备设施风险分级管控清单风险点检查项目标准评价级别管控级别主要后果管控措施管控层责任单责任人备注编号类型名称序号名称工程控制管理措施培训教育个体防护应急处置1.应根据场所内的物质及其燃烧特性等因素选择不同类型的灭火器。1.选用干粉灭火器。2.灭火器设置1.选用“严禁烟火”“注意1.定期消防1.停止作业、切断电源。2.上风向进行灭火。用消防锨将防火沙设2.应根据灭火器的最大保护距低风在明显、且便于安全”警示标穿戴劳直至将火焰全部压灭。班培训。备门防护离设置数量。D/4险火灾取用的地点,并识。3.在组织人员对火灾扑救1设厅1设施级蓝2.严格执行安全操作规程。2.定期进行火灾事动防护用品。组级3.灭火器应设置在明显、且便不得影响安全的同时,立即报警。施于取用的地点,并不得影响安全疏散。4.路面应平坦、无积油、无疏散。3.处于危险地段的人行道设4.疏散现场其他人员至安全区域。5.保证应急救援通道畅通。急演练。3.安全防护设施定期检水、无绊脚物,无占道物品。置防护栏杆。表E.1设备设施风险分级管控清单(续)风险点检查项目标准评价级别管控级别主要后果管控措施管控层责任单责任人备注编号类型名称序号名称工程控制管理措施培训教育个体防护应急处置1设备设施门厅2安全设施1.安全出口畅通。2.应急照明完好。3.安全标志齐全。4.灭火器材齐全完好。C/3级一般风险黄火灾1.疏散通道和楼梯间设置照明灯。2.显著位置张贴应急疏散图、安全须知等安全提示标识或资料。3.紧急出口门上设置“禁止锁闭”的标志。4.消防器材完好、有效,外观保持完好。5.消火栓内有完好的水枪、水带,水带按要求卷好。1.安全出口不得设置台阶、门槛。2.安全出口门往外开启,保持畅通。3.定期对灭火器进行一次维修,检验合格后贴上标签。4.消防器材不得圈占、遮挡。5.消火栓、灭火器上方有标志注明。1.定期消防培训。2.定期进行火灾事故应急演练。1.穿戴劳动防护用品。2.作业中保持安全距离。1.停止作业,再迅速切断电源。2.上风向进行灭火。用消防锨将防火沙迅速压向火源,直至将火焰全部压灭。3.在组织人员对火灾扑救的同时,立即报警。4.疏散现场其他人员至安全区域。5.保证应急救援通道畅通。部门级3电气线路电气线路完好、绝缘可靠C/3级一般风险黄触电1.用电气设备实行“一机一闸”制,停用时要关闭电源开关。2.设备外壳接地保护,在电源进线处安装漏电保护器。3.电源线外绝缘层无老化、连接可靠。1.对配电箱、开关箱、在用电气设备进行维修、检查时,应先切断电源、开关要有标识。2.每天检查设备接电及电气部分是否完好。1.定期进行电气安全培训。2.作业前熟记用电知识。1.按照要求穿戴劳动防护用品。2.站立地面绝缘良好。1.立即切断电源。2.用干燥绝缘物等作为工具,使触电者脱离电源。3.如果触电者伤势严重,呼吸及心脏停止,应立即施行人工呼吸和胸外挤压。部门级表E.1设备设施风险分级管控清单(续)风险点检查项目标准评价级别管控级别主要后果管控措施管控层责任单责任人备注编号类型名称序号名称工程控制管理措施培训教育个体防护应急处置1.应根据场所内的物质及其燃烧特性等因素选1.选用干粉灭火1.停止作业、切断电源。择不同类型的灭火器。器。1.选用“严禁烟2.上风向进行灭火。用消防设2.应根据灭火器的最大低风2.灭火器设置在明火”“注意安全”1.定期消防培锨将防火沙迅速压向火源,备客防护保护距离设置数量。D/4险显、且便于取用的警示标识。训。穿戴劳直至将火焰全部压灭。班213.灭火器应设置在明火灾地点,并不得影响2.严格执行安全动防护3.在组织人员对火灾扑救组设房设施级2.定期进行火灾显、且便于取用的地点,蓝安全疏散。操作规程。用品。的同时,立即报警。级施事故应急演练。并不得影响安全疏散。3.处于危险地段的3.安全防护设施4.疏散现场其他人员至安4.路面应平坦、无积油、人行道设置防护栏定期检查。全区域。无积水、无绊脚物,无杆。5.保证应急救援通道畅通。占道物品。表E.1设备设施风险分级管控清单(续)风险点检查项目标准评价级别管控级别主要后果管控...

1、当您付费下载文档后,您只拥有了使用权限,并不意味着购买了版权,文档只能用于自身使用,不得用于其他商业用途(如 [转卖]进行直接盈利或[编辑后售卖]进行间接盈利)。
2、本站所有内容均由合作方或网友上传,本站不对文档的完整性、权威性及其观点立场正确性做任何保证或承诺!文档内容仅供研究参考,付费前请自行鉴别。
3、如文档内容存在违规,或者侵犯商业秘密、侵犯著作权等,请点击“违规举报”。

碎片内容

住宿和餐饮行业企业安全风险分级管控清单

您可能关注的文档

确认删除?
VIP
微信客服
  • 扫码咨询
会员Q群
  • 会员专属群点击这里加入QQ群
客服邮箱
回到顶部