电脑桌面
添加小米粒文库到电脑桌面
安装后可以在桌面快捷访问

企业流程优化奖惩管理流程

企业流程优化奖惩管理流程_第1页
1/8
企业流程优化奖惩管理流程_第2页
2/8
企业流程优化奖惩管理流程_第3页
3/8
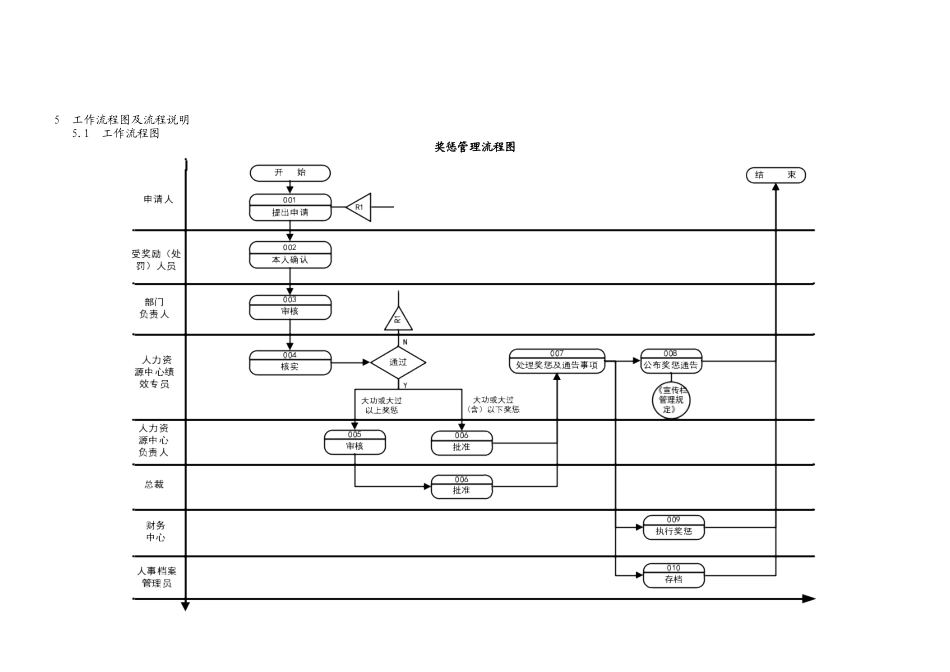
奖惩管理流程文件代码:拟制: 发布日期:审核: 版本:B0页次:1/8批准: 文件修(制)订履历一览表N0. 版次《管理文件审查单》编号发布日期修(制)订说明拟制审核批准备注12A0B0070116001首次发布。优化《奖惩管理办法》(文件编号:MC-RS-002)增加流程关系图,文件格式发生变化。文件发放范围及份数(在“( )”中打“√”表示需分发的单位,在 “[ ]”中填写该单位发放文件份数):(√) 总裁办[ 1 ]( ) 管理者代表[ ] (√) 研发项目中心[ 1 ] (√) 营销中心[ 1 ](√) 品质中心[ 1 ](√) 电池事业部(制造部)[ 1 ](√) 电池事业部(PMC)[ 1 ](√) 物流中心(采购)[ 1 ](√) 物流中心(仓库)[ 1 ] ( ) 信息中心[ ] (√) 财务中心[ 1 ](√) 人力资源中心[ 2 ]( ) 蓝牙事业部[ ](√) 精密模具事业部[ 1 ](√) 精密塑胶事业部[ 1 ]( ) 其他: [ ] 文控员备注唯盖有红色的 DCC 正本受控章方为正式有效文件。 5 工作流程图及流程说明 5.1 工作流程图奖惩管理流程图5.2流程说明活动编号活动名称责任人输入要点说明输出作业指导文件001提出申请申请人(包括各部门文员或人力资源中心绩效专员)《奖惩申请表》1 提出奖惩申请1.1 当发生奖惩事项时,各部门管理人员根据相关规定及附录 1(奖惩管理规范)提出奖惩,统一由部门文员或人力资源中心绩效专员填写《奖惩申请表》。1.2 提出申请时间为奖惩事件发生后的第二个工作日,申请单上需详细注明奖惩事件的具体发生时间、地点、责任人(姓名、工号、所属部门)、事件简单描述、奖惩类别等。2 处罚依据:申请人需要根据公司相关规定来作为奖惩的依据。3 奖惩分类:3.1 奖励:通报表扬、嘉奖、记功、记大功、晋级、特别贡献奖及其它。3.2 处罚:通报批评、警告、记过、记大过、降级、留厂察看、开除及其它。4 申请人填写《奖惩申请表》后转受奖励(处罚)员工本人确认 再按照批准权限逐级呈核。《 奖 惩 申 请表》/002本人确认 受 奖 励 ( 处罚)员工《 奖 惩 申 请表》1 确认《奖惩申请表》上奖惩事件事实说明的真实性。2 确认奖惩情况,并签字。《 奖 惩 申 请表》/003审核各部门负责人 《 奖 惩 申 请表》1 掌握部门最新动态。2 审核奖惩事件的真实性。3 大功、大过(包含)以上处分需要对员工进行思想沟通。《 奖 惩 申 请表》/004核实人力资源中心绩效专员《 奖 惩 申 请表》1...

1、当您付费下载文档后,您只拥有了使用权限,并不意味着购买了版权,文档只能用于自身使用,不得用于其他商业用途(如 [转卖]进行直接盈利或[编辑后售卖]进行间接盈利)。
2、本站所有内容均由合作方或网友上传,本站不对文档的完整性、权威性及其观点立场正确性做任何保证或承诺!文档内容仅供研究参考,付费前请自行鉴别。
3、如文档内容存在违规,或者侵犯商业秘密、侵犯著作权等,请点击“违规举报”。

碎片内容

企业流程优化奖惩管理流程

文章天下+ 关注
实名认证
内容提供者

各种文档应有尽有

确认删除?
VIP
微信客服
  • 扫码咨询
会员Q群
  • 会员专属群点击这里加入QQ群
客服邮箱
回到顶部