电脑桌面
添加小米粒文库到电脑桌面
安装后可以在桌面快捷访问

-生产班长绩效考核方案

-生产班长绩效考核方案_第1页
1/3
-生产班长绩效考核方案_第2页
2/3
-生产班长绩效考核方案_第3页
3/3
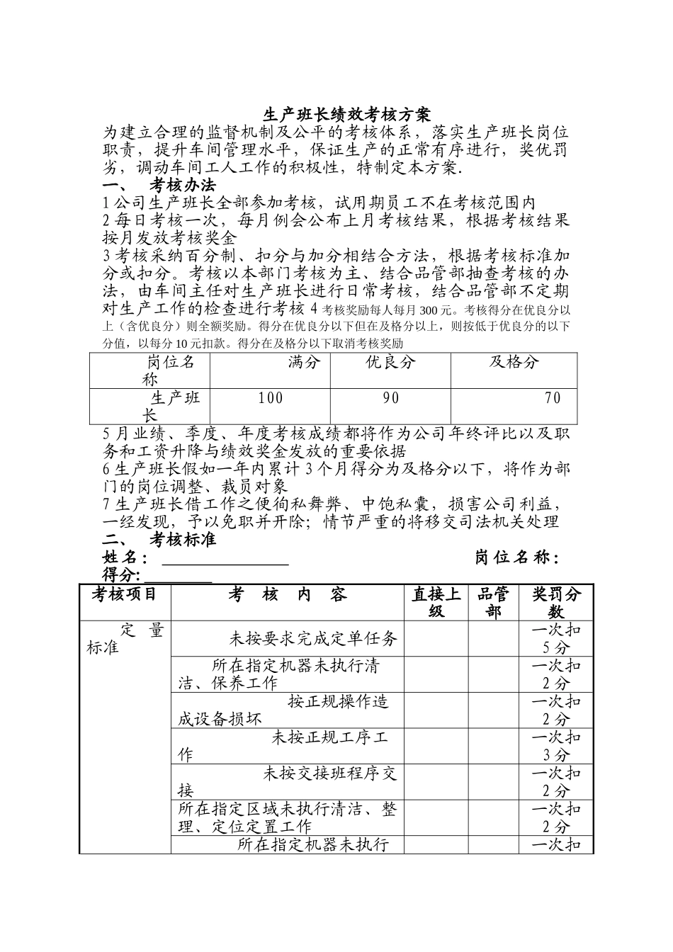
生产班长绩效考核方案为建立合理的监督机制及公平的考核体系,落实生产班长岗位职责,提升车间管理水平,保证生产的正常有序进行,奖优罚劣,调动车间工人工作的积极性,特制定本方案.一、考核办法1 公司生产班长全部参加考核,试用期员工不在考核范围内2 每日考核一次,每月例会公布上月考核结果,根据考核结果按月发放考核奖金3 考核采纳百分制、扣分与加分相结合方法,根据考核标准加分或扣分。考核以本部门考核为主、结合品管部抽查考核的办法,由车间主任对生产班长进行日常考核,结合品管部不定期对生产工作的检查进行考核 4 考核奖励每人每月 300 元。考核得分在优良分以上(含优良分)则全额奖励。得分在优良分以下但在及格分以上,则按低于优良分的以下分值,以每分 10 元扣款。得分在及格分以下取消考核奖励岗位名称满分优良分及格分生产班长10090705 月业绩、季度、年度考核成绩都将作为公司年终评比以及职务和工资升降与绩效奖金发放的重要依据6 生产班长假如一年内累计 3 个月得分为及格分以下,将作为部门的岗位调整、裁员对象7 生产班长借工作之便徇私舞弊、中饱私囊,损害公司利益,一经发现,予以免职并开除;情节严重的将移交司法机关处理二、考核标准姓 名 : 岗 位 名 称 : 得分: 考核项目考 核 内 容直接上级品管部奖罚分数定 量标准未按要求完成定单任务一次扣5 分所在指定机器未执行清洁、保养工作一次扣2 分按正规操作造成设备损坏一次扣2 分未按正规工序工作一次扣3 分未按交接班程序交接一次扣2 分所在指定区域未执行清洁、整理、定位定置工作一次扣2 分所在指定机器未执行一次扣清洁、保养工作或无保养记录的2 分没能与机电科配合导致车间电力供应不正常一次扣2 分车间生产工具丢失一次扣4 分无意损坏工、量、器具一次扣2 分有意损坏工、量、器具一次扣2 分发现安全隐患不上报、不阻止一次扣2 分设备检点不及时带病工作一次扣2 分工作态度未按时、保质保量完成上级安排的工作任务一次扣2 分精神散漫不肯与别人合作一次扣1 分每日工作未做到日清日结一次扣1 分工作上与别人发生口舌、说脏话打架斗殴一次扣5 分单据丢失、漏交、未及时递交一次扣1 分安排加班未执行到位一次扣2 分安排的工作未执行不服从管理与上级发生口角一次扣10 分态度差受到客户(各部门)投诉一次扣2 分工作纪律迟到早退一次扣2 分旷工半天一次扣5 分上班做与工作无关的事情一次扣2 分未遵守和维...

1、当您付费下载文档后,您只拥有了使用权限,并不意味着购买了版权,文档只能用于自身使用,不得用于其他商业用途(如 [转卖]进行直接盈利或[编辑后售卖]进行间接盈利)。
2、本站所有内容均由合作方或网友上传,本站不对文档的完整性、权威性及其观点立场正确性做任何保证或承诺!文档内容仅供研究参考,付费前请自行鉴别。
3、如文档内容存在违规,或者侵犯商业秘密、侵犯著作权等,请点击“违规举报”。

碎片内容

-生产班长绩效考核方案

您可能关注的文档

确认删除?
VIP
微信客服
  • 扫码咨询
会员Q群
  • 会员专属群点击这里加入QQ群
客服邮箱
回到顶部