电脑桌面
添加小米粒文库到电脑桌面
安装后可以在桌面快捷访问

010空心板模板钢筋

010空心板模板钢筋_第1页
1/8
010空心板模板钢筋_第2页
2/8
010空心板模板钢筋_第3页
3/8
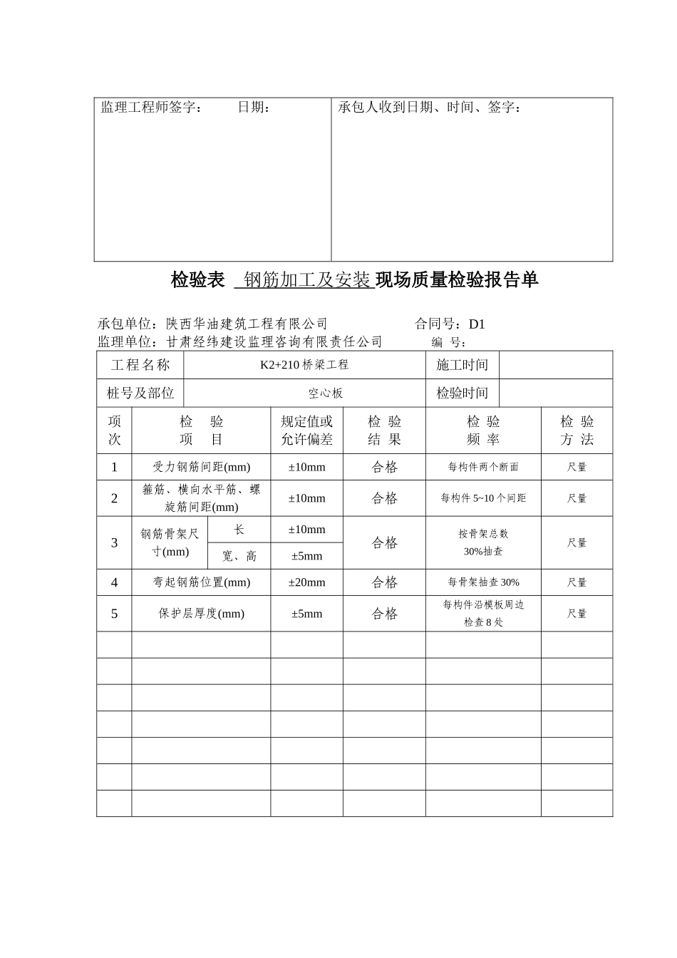
监表 03 检验申请批复单承包单位:陕西华油建筑工程有限公司 合同号:D1监理单位:甘肃经纬建设监理咨询有限责任公司 编 号:工程项目陇南市区长江大道东西延伸建设工程建设工程工程地点及桩号K2+210 桥梁工程具体部位空心板立模检验内容钢筋加工及安装、模板立模要求到现场检验时间: 年 月 日承包人递交日期、时间和签字:现场监理收件日期、时间和签字:现场监理评论和签字:本项目可以继续进行质量证明附件:1、检验表 2 《钢筋加工及安装现场质量检验报告单》2、检验附表 《钢筋加工及安装现场质量检验报告单附表》3、试原 15 《模板检查表》4、试原 19 《钢筋制作质量检查记录》5、施原 27 《高程现场检查记录表》监理工程师签字: 日期:承包人收到日期、时间、签字:检验表 钢筋加工及安装 现场质量检验报告单承包单位:陕西华油建筑工程有限公司 合同号:D1 监理单位:甘肃经纬建设监理咨询有限责任公司 编 号:工程名称K2+210 桥梁工程施工时间桩号及部位 空心板检验时间项次检 验项 目规定值或允许偏差检 验结 果检 验频 率检 验方 法1受力钢筋间距(mm)±10mm合格每构件两个断面尺量2箍筋、横向水平筋、螺旋筋间距(mm)±10mm合格每构件 5~10 个间距尺量3钢筋骨架尺寸(mm)长±10mm合格按骨架总数30%抽查尺量宽、高±5mm4弯起钢筋位置(mm)±20mm合格每骨架抽查 30%尺量5保护层厚度(mm)±5mm合格每构件沿模板周边检查 8 处尺量结论:监理工程师: 日期:承 包 人: 日期:检验附表 钢筋加工及安装 现场质量检验报告单承包单位:陕西华油建筑工程有限公司 合同号:D1 监理单位:甘肃经纬建设监理咨询有限责任公司 编 号:工程名称K2+210 桥梁工程施工时间桩号和部位 空心板 检验时间基本要求钢筋的品种、规格和技术性能应符合国家现行标准规定和设计要求。钢筋安装时,必须保证设计要求的钢筋根数。受力钢筋应平直,表面不得有裂纹及其他损伤。受力钢筋同一截面的接头数量、搭接长度、焊接和机械接头质量应符合施工技术法律规范要求。实测项目项次检验项目规定值或允许偏差检验结果或检验偏差值质量评定123456789101112131415平均值代表值合格率(%)1受力钢筋间距(mm)±10mm2箍筋、横向水平筋、螺旋筋间距(mm)±10mm3钢筋骨架尺寸(mm)长±10mm宽、高±5mm4弯起钢筋位置(mm)±20mm5保护层厚度(mm)±5mm合 计外 观 鉴 定钢筋表面无铁锈及焊渣。多层钢筋网要求有足够的钢筋支撑,保...

1、当您付费下载文档后,您只拥有了使用权限,并不意味着购买了版权,文档只能用于自身使用,不得用于其他商业用途(如 [转卖]进行直接盈利或[编辑后售卖]进行间接盈利)。
2、本站所有内容均由合作方或网友上传,本站不对文档的完整性、权威性及其观点立场正确性做任何保证或承诺!文档内容仅供研究参考,付费前请自行鉴别。
3、如文档内容存在违规,或者侵犯商业秘密、侵犯著作权等,请点击“违规举报”。

碎片内容

010空心板模板钢筋

您可能关注的文档

确认删除?
VIP
微信客服
  • 扫码咨询
会员Q群
  • 会员专属群点击这里加入QQ群
客服邮箱
回到顶部