电脑桌面
添加小米粒文库到电脑桌面
安装后可以在桌面快捷访问

土地整理项目监理工作总结报告

土地整理项目监理工作总结报告_第1页
1/21
土地整理项目监理工作总结报告_第2页
2/21
土地整理项目监理工作总结报告_第3页
3/21
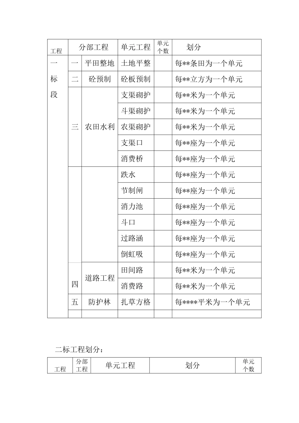
***土地整理工程监理工作总结 一、工程建立概况 〔一〕建立概况 1、工程区地理位置和范围地理位置:工程区位于*** ; 地理位置在东径***北纬***之间。工程区地形:****工程区范围:*** 2、工程建立的主要内容和工程量〔1〕平田整地: 工程区土地总面积***公顷整理总面积为***公顷。平田整地***公顷。新增耕地面积***公顷占总面积的**%。工程区整理后耕地面积到达**公顷。〔2〕农田水利: 整理砌护支渠**条总长**公里;斗渠**条总长**公里;农渠**条总长**公里;**沟清淤长**公里;治理支沟**条总长**公里;斗沟**条总长**公里;农沟**条总长**公里;〔3〕田间道路:田间道路**条总长**公里。消费路**条总长**公里;〔4〕防护林;***公顷;总植树**万株;〔5 〕 主要建筑物;***座。其中:***3、工程规划的主要技术指标 平田整地:田长度***米田面高差±3cm;农田水利:支、斗、农渠全部用 U 型断面支渠选用 R=60㎝板顶加一块 50×50×50cm 的预制板板厚为 6㎝;斗渠全部选用 R=50㎝半 U 预制板衬砌板厚为 5㎝;支、半渠在衬砌板底先铺设土工布然后铺 20mm 的 M5 砂浆层;农渠全部选用R=30㎝半 U 预制板衬砌;板厚为 5㎝;全部为 C15 预制 U 型板砌护半 U 板接缝宽 5㎝C20 细石砼填缝支渠每 10 米一个伸缩缝缝宽 3㎝采纳聚乙烯油膏充填;充填时要捣实砌槽外表要平整光;支渠纵比降 1/600 斗、农渠纵比降 1/1000;支、斗、农沟全部采纳梯形断面支沟为底宽 3 米沟深 3 米;斗沟为底宽 2米沟深 2.5 米;农沟为底宽 0.6 米,沟深 1.5 米;支、斗、农沟纵比降为 1/3000; 道路工程: 田间道路宽 4 米高出路面 0.5 米碎石路面,纵坡坡降不超过 10%最小纵坡不超过 0.3%以内;消费路路面宽 2米土质路面高出地面 0.3 米;防护林工程:选用良种壮苗 2 年生;树穴 60×60cm;〔二〕工程工程施行概况1、工程划分及范围***土地整理工程划分为一个单项工程。Ⅰ 、Ⅱ 标各划分为一个工程。2、工程划分情况一标工程划分:工程分部工程单元工程单元个数划分一标段一 平田整地 土地平整每**条田为一个单元二砼预制砼板预制每**立方为一个单元三 农田水利支渠砌护每**米为一个单元斗渠砌护每**米为一个单元农渠砌护每**米为一个单元支渠口每**座为一个单元消费桥每**座为一个单元四跌水每**座为一个单元节制闸每**座为一个单元消力池每**座为一个单元斗口每**座为一个单元过路涵每**座为一个单...

1、当您付费下载文档后,您只拥有了使用权限,并不意味着购买了版权,文档只能用于自身使用,不得用于其他商业用途(如 [转卖]进行直接盈利或[编辑后售卖]进行间接盈利)。
2、本站所有内容均由合作方或网友上传,本站不对文档的完整性、权威性及其观点立场正确性做任何保证或承诺!文档内容仅供研究参考,付费前请自行鉴别。
3、如文档内容存在违规,或者侵犯商业秘密、侵犯著作权等,请点击“违规举报”。

碎片内容

土地整理项目监理工作总结报告

您可能关注的文档

确认删除?
VIP
微信客服
  • 扫码咨询
会员Q群
  • 会员专属群点击这里加入QQ群
客服邮箱
回到顶部