电脑桌面
添加小米粒文库到电脑桌面
安装后可以在桌面快捷访问

土建工程监理细则aaa

土建工程监理细则aaa_第1页
1/38
土建工程监理细则aaa_第2页
2/38
土建工程监理细则aaa_第3页
3/38
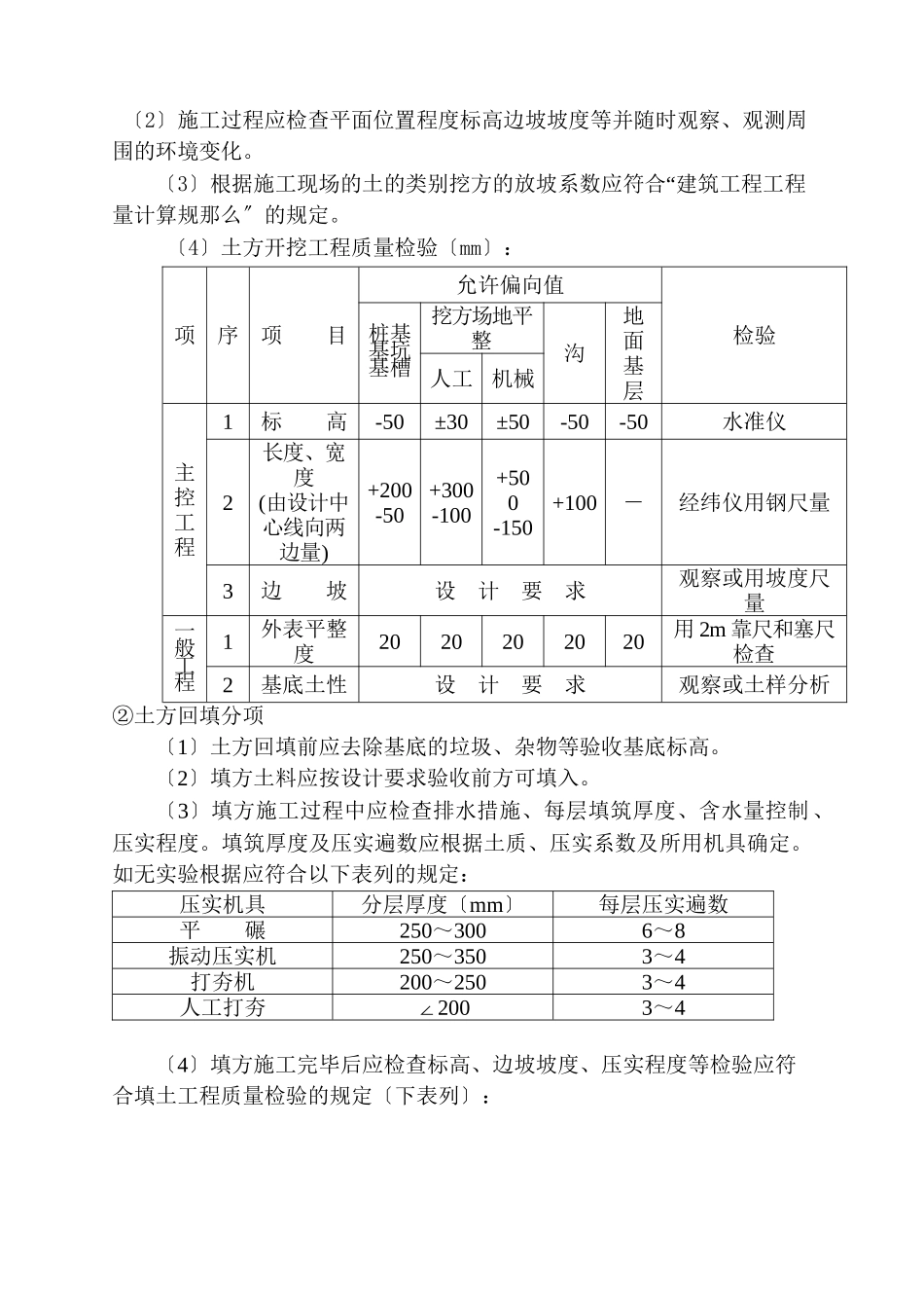
土建工程监理细那么一:地基与根底工程〔桩根底〕 1:土方开挖及土方回填监理工作特点、监理工作流程、监理工作的控制要点及目的值、监理工作的及措施1〕监理工作特点:1、土方开挖是指在 2024 年回填土根底上开挖 2、地下水位较高。开挖时个别需降水 3、开挖点较多深度各不同。-4.2 米至-9.8米需分别做施工方案2〕监理工作流程3〕监理工作的控制要点及目的值3.1 土方开挖分项(1)基底超挖:开挖基坑或沟不得超过基底标高;〔2〕基底未做保护:基坑开挖后应尽量减少对基土的扰动。如根底不能及时施工时应在基底标高以上留 200 厚土层待做根底时再挖并进展人工清槽。〔3〕开挖尺寸缺乏:基坑和沟底部的开挖宽度除构造宽度处应根据施工需要增加工作面的宽度;〔4〕基坑和沟边坡不平不直基底不平:应加强检查随挖随修并要仔细验收。〔5〕深基坑开挖前根据实际情况审核降水方案并开挖方案和边坡维护方案土方回填分项〔1〕回填土下沉:因虚铺土超过规定厚度或夯实不够甚至漏夯。坑底杂物或落土清理不洁净这些问题均应在施工中仔细执行规定发现后及时纠正。〔2〕回填土夯压不实:应分析原因换土重夯。〔3〕道下部夯填不实:道下部应按要求填夯实夯不实会造成道下部空虚造成道折断而渗漏。 〔4〕4〕监理工作的及措施①土方开挖分项〔1〕土方开挖前检查定位放线、施工方案等〔2〕施工过程应检查平面位置程度标高边坡坡度等并随时观察、观测周围的环境变化。〔3“〕根据施工现场的土的类别挖方的放坡系数应符合 建筑工程工程量计算规那么〞的规定。〔4〕土方开挖工程质量检验〔mm〕:项序 项目允许偏向值检验桩基基坑基槽挖方场地平整沟地面基层人工机械主控工程1 标高-50±30±50-50-50水准仪2长度、宽度(由设计中心线向两边量)+200-50+300-100+500-150+100-经纬仪用钢尺量3 边坡 设计要求观察或用坡度尺量一般工程1外表平整度2020202020用 2m 靠尺和塞尺检查2基底土性 设计要求观察或土样分析②土方回填分项〔1〕土方回填前应去除基底的垃圾、杂物等验收基底标高。〔2〕填方土料应按设计要求验收前方可填入。〔3〕填方施工过程中应检查排水措施、每层填筑厚度、含水量控制、压实程度。填筑厚度及压实遍数应根据土质、压实系数及所用机具确定。如无实验根据应符合以下表列的规定:压实机具分层厚度〔mm〕每层压实遍数 平碾250~3006~8振动压实机250~3503~4打夯机200~2503~4人工打夯200∠3~4〔4〕填方施工完毕后应检查标高、边坡...

1、当您付费下载文档后,您只拥有了使用权限,并不意味着购买了版权,文档只能用于自身使用,不得用于其他商业用途(如 [转卖]进行直接盈利或[编辑后售卖]进行间接盈利)。
2、本站所有内容均由合作方或网友上传,本站不对文档的完整性、权威性及其观点立场正确性做任何保证或承诺!文档内容仅供研究参考,付费前请自行鉴别。
3、如文档内容存在违规,或者侵犯商业秘密、侵犯著作权等,请点击“违规举报”。

碎片内容

土建工程监理细则aaa

您可能关注的文档

确认删除?
VIP
微信客服
  • 扫码咨询
会员Q群
  • 会员专属群点击这里加入QQ群
客服邮箱
回到顶部