电脑桌面
添加小米粒文库到电脑桌面
安装后可以在桌面快捷访问

施工资料目标设计方案VIP专享

施工资料目标设计方案_第1页
1/5
施工资料目标设计方案_第2页
2/5
施工资料目标设计方案_第3页
3/5
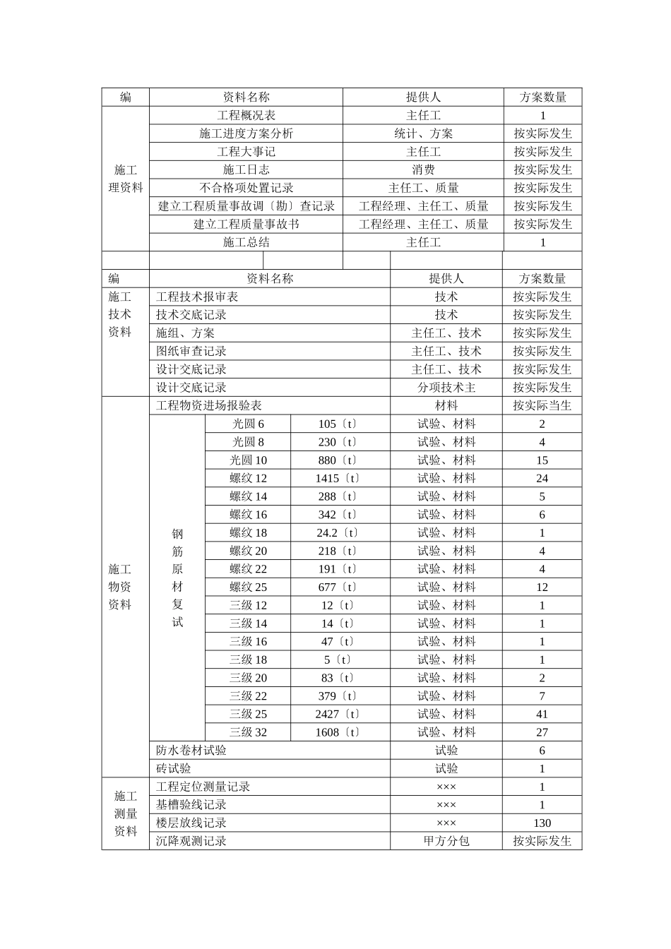
二十二、施工资料目的设计方案1、编制根据:1.1 北京××工程施工图纸1.2 北京××工程建立工程施工合同1.3 北京××工程施工组织设计1.4 北京××工程钢筋、模板、砼、防水等各分项施工方案1.5 施工试验方案1.6?建筑工程资料理规程?〔DBJ01-2024〕1.7 见证取样和送检规定:京建法[1997]172、京建法[1998]50、京建质[2000]582、工程概况:序工程内容1工程名称北京××工程2工程北京××区××路3建立北京××房地产开发4设计5监理6监视北京××工程建筑设计院7流水段划分根底底板分 6 段地下三层至地下一层分 12 段首层至四层分 8 段五层至十六层分 4 段8目的工质量目的70 天构造长城杯开工鲁班奖9建筑规模建筑规模占地面积19470m2建筑面积82340m2层数地上 16 层地下 3 层建筑檐高60m建筑功能写字楼 42000m2商业建筑 2000m2图书馆 6000m210构造概况构造类型框架-剪力墙根底形式筏板根底粗钢筋连接Φ20 以上竖向钢筋采纳直螺纹连接程度钢筋采纳套筒挤压连接3、本工程质量目的: 确保构造工程长城杯开工鲁班奖。4、根据工程施工合同规定: 工程名称为北京××工程总承包施工为北京××建立工程北京××工程工程经理部。5、施工资料报验流程、岗痊职责5.1 施工资料报验流程钢筋工程:方案、交底〔××× 〕钢筋放样预检〔××× 〕钢筋进场后由材料做外观检查合格后填写复试单送交现场试验员〔××× 〕现场样复试〔×××〕 复试合格后现场进展加工填写加工检验记录〔×××〕 绑扎完成后填质量评定、隐检记录 〔×××、×××〕 填分项工程报验单〔×××、××× 〕报监理 返回存档模板工程:方案、交底〔××× 〕放样预检模板支设完成后填质量评定〔×××、×××〕、模板预检记录〔×××、××× 〕、存档5.1.3 防水工程:防水材料进场后填定外观检查记录〔×××〕取样复试〔××× 〕防水施工填评定、隐检〔×××、××× 〕填分项工程报验单〔×××、××× 〕报监理返回存档砼工程:方案、交底〔××× 〕浇筑申请〔×××、××× 〕配比、 开盘〔搅拌谦虚〕现场浇筑填浇筑记录〔×××、××× 〕现场取样复试、坍落度测试〔××× 〕施工缝隐、预检〔××× 〕28 天复试由 试验返回存档填质量评定、砼强度统计评定〔×××、×× 〕填分项工程报验单〔××× 〕报监理返回存档*所有工程物资见证取样按见证取样和送检规定执行。5.2 岗位人员资料理职责主任工程师:负责组织编制...

1、当您付费下载文档后,您只拥有了使用权限,并不意味着购买了版权,文档只能用于自身使用,不得用于其他商业用途(如 [转卖]进行直接盈利或[编辑后售卖]进行间接盈利)。
2、本站所有内容均由合作方或网友上传,本站不对文档的完整性、权威性及其观点立场正确性做任何保证或承诺!文档内容仅供研究参考,付费前请自行鉴别。
3、如文档内容存在违规,或者侵犯商业秘密、侵犯著作权等,请点击“违规举报”。

碎片内容

施工资料目标设计方案

确认删除?
VIP
微信客服
  • 扫码咨询
会员Q群
  • 会员专属群点击这里加入QQ群
客服邮箱
回到顶部