电脑桌面
添加小米粒文库到电脑桌面
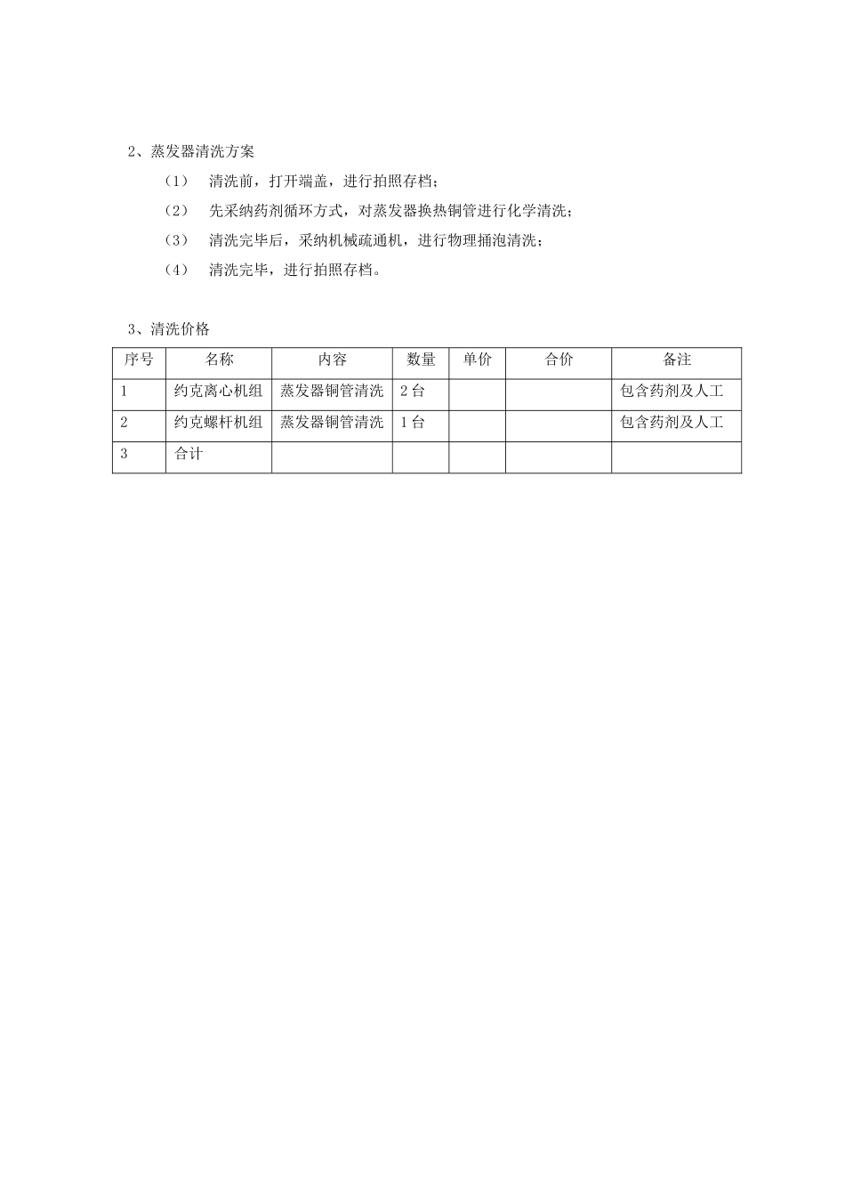
安装后可以在桌面快捷访问

北京某大厦冷却塔保养方案

北京某大厦冷却塔保养方案_第1页
1/2
北京某大厦冷却塔保养方案_第2页
2/2
北京某大厦冷却塔保养方案一、冷却塔维护保养1、设备数量大连斯频德方式冷却塔 10 台 341T/台2、保养周期(1)每年开机运行前一周清洗冷却塔淋水填料(拆除填料、化学浸泡清洗);(2)冷却塔运行季节,每月进行一次例行检查、维护。3、保养方案(1)清洗方案1)冷却塔停机;2)拆除冷却塔填料;3)放入盛装除垢药剂清洗槽内浸泡、清洗;4)取出填料,晾干;5)安装冷却塔填料。(2)月度维护保养方案 1)检查冷却塔电动机、减速机,视具体情况,添加润滑脂; 2)检查冷却塔传动皮带,紧固及调整对中,如有磨损,进行更换处理; 3)检查冷却塔各管路阀门及自动浮球阀,如有漏水或不密封等损坏,进行更换处理。4、保养价格序号名称内容数量单价合价备注1淋水填料填料化学清洗10 台包含药剂及人工2斯频德冷却塔年度检查、维护10 台包含润滑脂及人工3合计 备注:此价格不包含电动机轴承、线圈、减速机轴承、传动皮带等涉及冷却塔维修更换配件价格。二、约克主机蒸发器清洗1、设备数量约克离心机组 二台 约克螺杆机组 一台2、蒸发器清洗方案(1)清洗前,打开端盖,进行拍照存档;(2)先采纳药剂循环方式,对蒸发器换热铜管进行化学清洗;(3)清洗完毕后,采纳机械疏通机,进行物理捅泡清洗;(4)清洗完毕,进行拍照存档。3、清洗价格序号名称内容数量单价合价备注1约克离心机组蒸发器铜管清洗2 台包含药剂及人工2约克螺杆机组蒸发器铜管清洗1 台包含药剂及人工3合计

1、当您付费下载文档后,您只拥有了使用权限,并不意味着购买了版权,文档只能用于自身使用,不得用于其他商业用途(如 [转卖]进行直接盈利或[编辑后售卖]进行间接盈利)。
2、本站所有内容均由合作方或网友上传,本站不对文档的完整性、权威性及其观点立场正确性做任何保证或承诺!文档内容仅供研究参考,付费前请自行鉴别。
3、如文档内容存在违规,或者侵犯商业秘密、侵犯著作权等,请点击“违规举报”。

碎片内容

北京某大厦冷却塔保养方案

确认删除?
VIP
微信客服
  • 扫码咨询
会员Q群
  • 会员专属群点击这里加入QQ群
客服邮箱
回到顶部