电脑桌面
添加小米粒文库到电脑桌面
安装后可以在桌面快捷访问

房建临时用电施工方案

房建临时用电施工方案_第1页
1/4
房建临时用电施工方案_第2页
2/4
房建临时用电施工方案_第3页
3/4
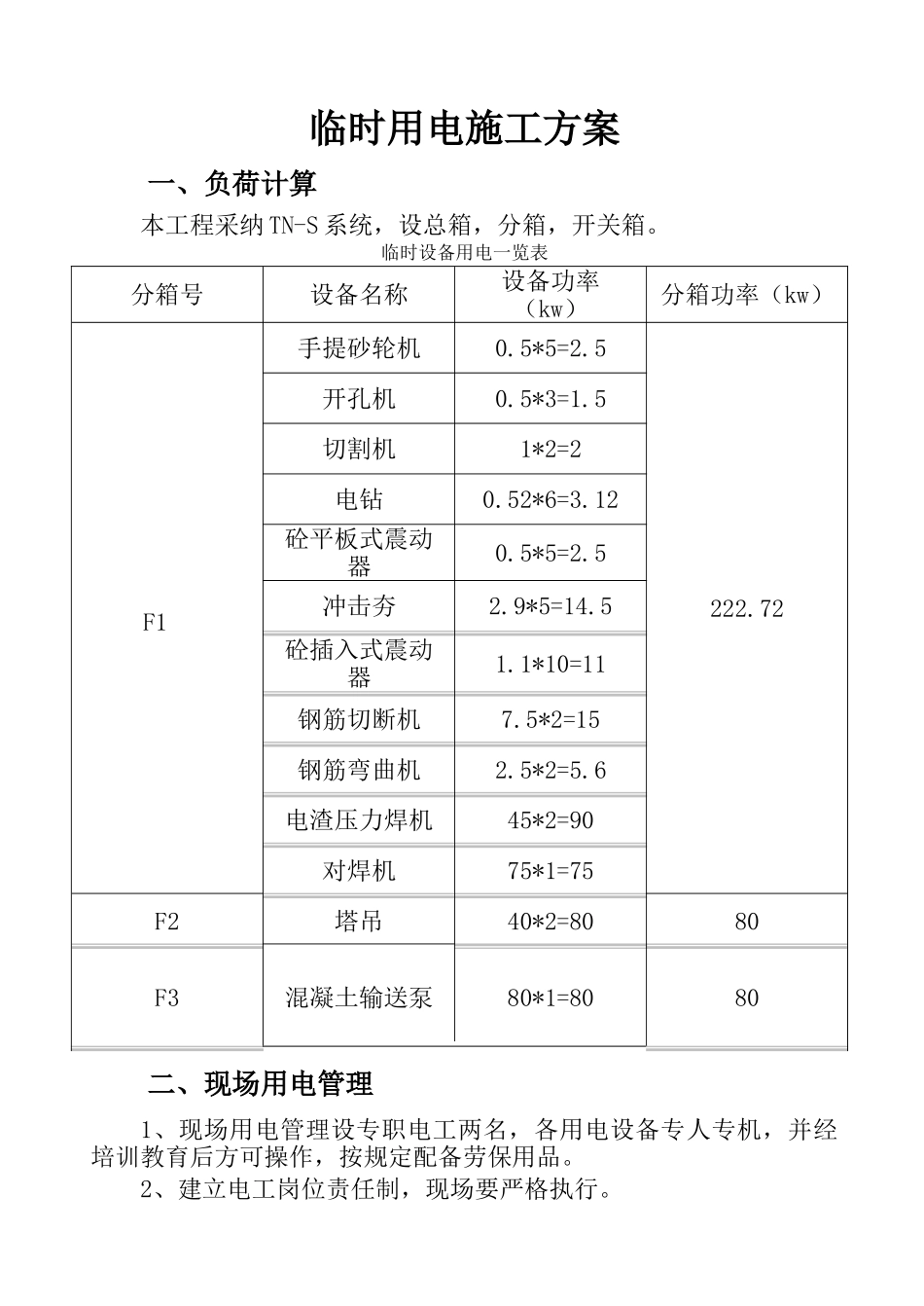
临时用电施工方案一、负荷计算本工程采纳 TN-S 系统,设总箱,分箱,开关箱。临时设备用电一览表分箱号设备名称设备功率(kw)分箱功率(kw) F1手提砂轮机0.5*5=2.5222.72开孔机0.5*3=1.5切割机1*2=2电钻0.52*6=3.12砼平板式震动器0.5*5=2.5冲击夯2.9*5=14.5砼插入式震动器1.1*10=11钢筋切断机7.5*2=15钢筋弯曲机2.5*2=5.6电渣压力焊机45*2=90对焊机75*1=75F2塔吊40*2=8080F3混凝土输送泵80*1=8080二、现场用电管理1、现场用电管理设专职电工两名,各用电设备专人专机,并经培训教育后方可操作,按规定配备劳保用品。2、建立电工岗位责任制,现场要严格执行。3、用电管理人员应常常检查电气装置,保证设施完好,并做好记录。4、专职电工,必须对配电箱、开关箱作好管理,不得转让他人管理。5、专职电工及管理人员要及时做好技术交底,做好电设备的验收,接地电阻测试,技术资料的收集整理工作。三、线路的敷设1、总配电箱至分配电箱的电缆采纳地埋方式。2、分配电箱至设备箱的电缆采纳地埋方式。3、所有场内电缆下铺砂,上盖红砖,以防机械损伤,介质腐蚀。4、电缆穿越道路必须加设钢防护套管,然后埋设。5、地埋敷设电缆的接头应设在地面上的接线盒内,接线盒应能防水、防机械损伤,远离易燃、易爆、易腐蚀场所。6、电缆接头应牢固可靠,并应做绝缘包扎,保持绝缘强度。7、室内配线必须采纳绝缘导线,距地面不小于 2.5M。8、过墙应穿管保护。9、塔吊引上线、镝灯引上线必须用瓷瓶固定。10、室内配线所用导线为 2.5mm2 铜芯线。11、沿金属架设的线路要用 PVC 管保护。四、配电箱及开关箱1、总配电箱、分配电箱、开头箱位置见平面图,所有配电箱采纳省安监站推举产品。2、动力配电和照明配电应分箱设备,如须同箱,线路应分路设备。3、分配电箱与设备箱距离不得超过 30 米,设备箱与用电设备距离不大于 3 米。4、固定式配电箱、设备箱中心线地面为 1.4 米。5、各配电箱、设备箱须有防雨、防砸设施。6、配电箱的金属箱体、安装板及金属底座外壳,必须做保护接零,底座牢固。7、所有配电箱均应标明其名称、用途,并做出电路标记。8、所有配电箱门全部配锁,并有专人负责。9、要每月组织一次定期检查,项目部安全员生周测试一次漏电保护器,电工每天测试一次漏电保护器,维修时应挂牌明示,并有专人监护,严禁带电作业。10、开关箱停止作业 1 小时以上要关门上锁。11、配电箱、开关箱内不得有任何杂物,并应常常保持清洁。12、食堂内...

1、当您付费下载文档后,您只拥有了使用权限,并不意味着购买了版权,文档只能用于自身使用,不得用于其他商业用途(如 [转卖]进行直接盈利或[编辑后售卖]进行间接盈利)。
2、本站所有内容均由合作方或网友上传,本站不对文档的完整性、权威性及其观点立场正确性做任何保证或承诺!文档内容仅供研究参考,付费前请自行鉴别。
3、如文档内容存在违规,或者侵犯商业秘密、侵犯著作权等,请点击“违规举报”。

碎片内容

房建临时用电施工方案

您可能关注的文档

确认删除?
VIP
微信客服
  • 扫码咨询
会员Q群
  • 会员专属群点击这里加入QQ群
客服邮箱
回到顶部