电脑桌面
添加小米粒文库到电脑桌面
安装后可以在桌面快捷访问

烟囱防腐方案

烟囱防腐方案_第1页
1/34
烟囱防腐方案_第2页
2/34
烟囱防腐方案_第3页
3/34
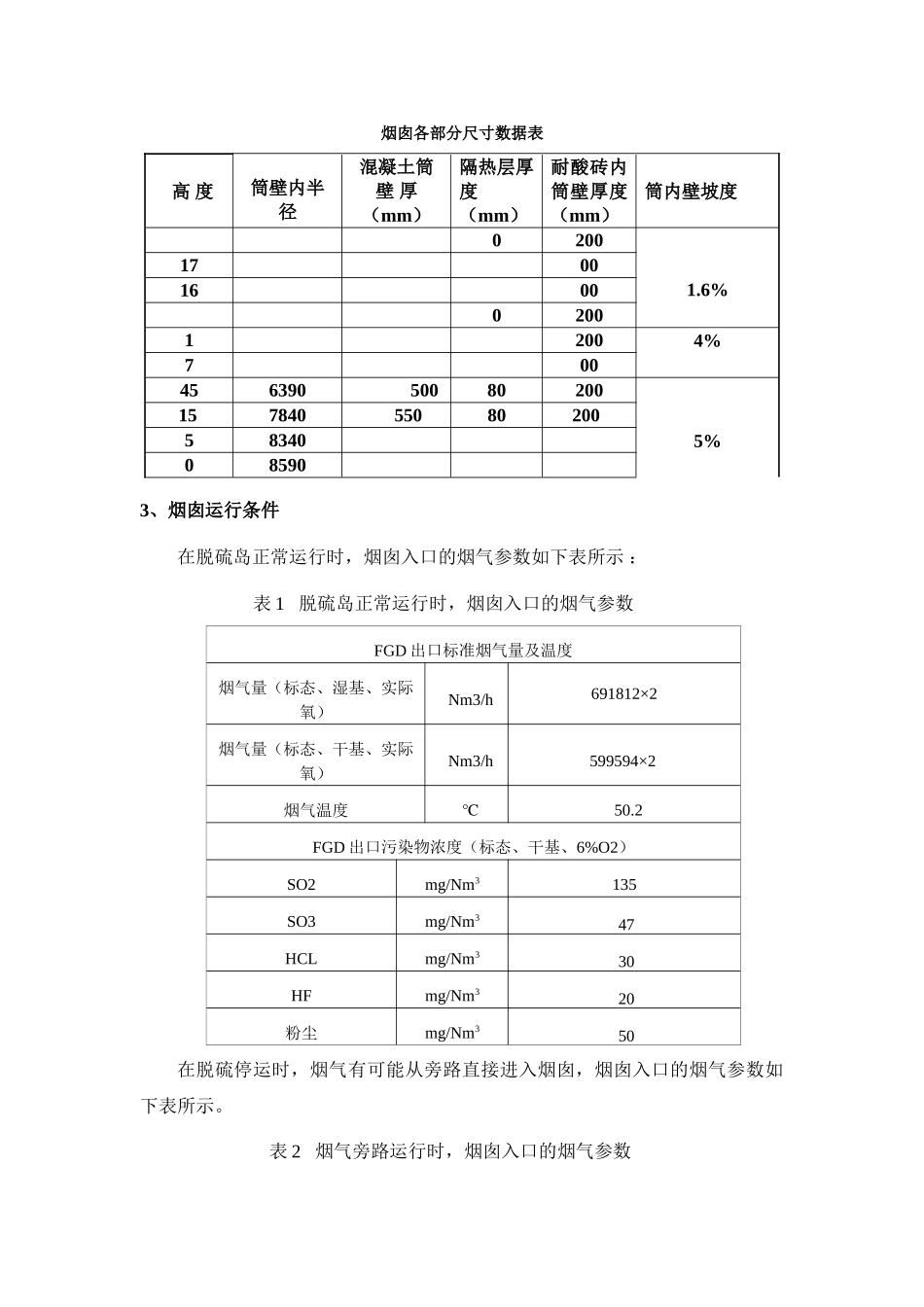
忻州广宇煤电有限公司脱硫改造工程烟囱防腐改造方案忻州广宇煤电有限公司二〇一一年二月一. 工程概况:1、脱硫工程概况目前机组脱硫采纳石灰—石膏湿法烟气脱硫工艺进行烟气脱硫改造,本脱硫工程 2010 年 9 月 9 日正式开工,计划于 2011 年 6 月 30 日投产。不设GGH,1 炉 1 塔,脱硫设计煤种收到基硫份为 2.0%,吸收塔入口 SO2 浓度为4837mg/Nm3。脱硫装置脱硫效率不低于 97%,可用率不低于 98%。脱硫后的烟气为饱和湿烟气,烟温低、湿度大、自拔力小。脱硫湿烟气的腐蚀类型包括硫酸、亚硫酸、盐酸、氢氟酸等,烟气等级为强腐蚀性。烟囱在含有腐蚀性介质的烟气压力和湿度的双重作用下,结露形成的冷凝物具有很强的腐蚀性,对烟囱内侧结构致密度差的材料产生腐蚀,影响结构耐久性。依据国际工业烟囱协会(CICIND)的设计标准:燃煤电厂脱硫烟囱应按强腐蚀烟气等级来设计。本工程共一根烟囱,#1、2 炉共用一根, 为单筒钢筋混凝土烟囱,耐酸砖内衬,为适用脱硫湿烟气的使用条件,必须对其内壁进行防腐处理。防腐涂层必须满足脱硫系统运行或因检修及事故工况脱硫系统停止运行两种状态下烟气介质环境。2、原烟囱基本情况该烟囱结构为单筒形式,钢筋混凝土外筒内衬釉面耐酸耐火砖砌体。耐酸耐火砌块使用了两种,一种为烧制的耐酸耐火砌块,用量约 55%;另一种砌块为机械压制的耐酸耐火砌块,成分主要是耐酸胶泥、陶土等,用量约 45%。两砌块均有一面釉面,砌体采纳耐酸胶泥砌筑。烟囱总高度 180m,顶部出口内筒直径 6m,内部防腐面积约为 6430m2,其中:底部积灰平台面积 200m2,灰斗面积约 15 m2。具体工程量由承包商自行核算。详细图纸内容由投标方现场调研时与业主方联系查阅。烟囱外筒为钢筋混凝土结构,内筒为分段支承在钢筋混凝土环梁上的耐酸砌体,自里向外的结构组成依次为 200mm 厚耐酸砌块,80mm 厚现浇发泡聚氨酯隔热层、550mm~250 mm 钢筋混凝土筒壁,详见忻州热电厂 2×135MW 机组土建专业施工图(图号 F18517-T0303)钢筋混凝土烟囱筒身施工图。烟囱已运行了三年半多,烟囱砌体内衬有附着烟渍或局部脱落现象的可能。烟囱各部分尺寸数据表高 度筒壁内半径混凝土筒壁 厚(mm)隔热层厚度(mm)耐酸砖内筒壁厚度(mm)筒内壁坡度 0200 1.6% 17001600020012004% 700456390500802005% 157840 5508020058340 08590 3、烟囱运行条件在脱硫岛正常运行时,烟囱入口的烟气参数如下表所示 :...

1、当您付费下载文档后,您只拥有了使用权限,并不意味着购买了版权,文档只能用于自身使用,不得用于其他商业用途(如 [转卖]进行直接盈利或[编辑后售卖]进行间接盈利)。
2、本站所有内容均由合作方或网友上传,本站不对文档的完整性、权威性及其观点立场正确性做任何保证或承诺!文档内容仅供研究参考,付费前请自行鉴别。
3、如文档内容存在违规,或者侵犯商业秘密、侵犯著作权等,请点击“违规举报”。

碎片内容

烟囱防腐方案

确认删除?
VIP
微信客服
  • 扫码咨询
会员Q群
  • 会员专属群点击这里加入QQ群
客服邮箱
回到顶部