电脑桌面
添加小米粒文库到电脑桌面
安装后可以在桌面快捷访问

电工技能竞赛实操题库

电工技能竞赛实操题库_第1页
1/12
电工技能竞赛实操题库_第2页
2/12
电工技能竞赛实操题库_第3页
3/12
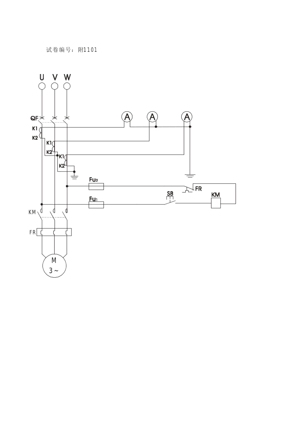
试卷编号:1101电工实操试题考题名称:电工安全技术 A姓名: 准考证号码: 考核日期: 年 月 日考核时间定额:120 分钟 开考时间: 时 分 交卷时间: 时 分监考人: 评卷人: 总得分: 一、电气控制线路的连接(60 分) 得分 考核项目评分标准得分扣分记录及备注考评员签字1、选择和检查元 件 ( 6分)未进行选择和检查元件者不得分2、接线工艺(21 分)1、布线整齐美观,主回路按规定颜色得 3分;2、主回路横平竖直,弯成直角,得 3 分;3、接线端子不超过 2 根导线得 3 分;4、导线与端子接触良好得 3 分;5、无导线绝缘皮压入端子得 3 分;6、导线露铜不超过 2mm 得 3 分;7、导线与接线桩连接做羊眼圈或瓦型或反圈得 3 分。3、线路检查(5 分)经考评员检查不能通电此项不得分4、通电试车(20 分)1、第一次通电不成功扣 10 分2、第二次通电不成功或放弃不得分5 、 接 地 线 ( 8分)电机,柜体,仪表外壳有一处不接地扣 4 分二、触电急救(25分)1、演示人工呼吸与胸外心脏挤压法同时进行的抢救方法 (10 分)每项操作 5 分2、胸外心脏挤压法的操作(15 分)抢救不成功不得分三、灭火器材使用(15分)①不带电设备起火②带电设备起火(由考评员指定一种情 况 ) , 如 何 进 行 灭 火 。(15 分)1、宜选用的灭火器______________。2、演示使用方法违反安全操作规程或安全文明生产酌情扣 5—50 分注:考试时间到,所有考生停止操作,并且交卷离场,接完线的考生等候考评员通知试车(已通电两次者除外)。试卷编号:1102电工实操试题考题名称:电工安全技术 B姓名: 准考证号码: 考核日期: 年 月 日考核时间定额:120 分钟 开考时间: 时 分 交卷时间: 时 分监考人: 评卷人: 总得分: 一、电气控制线路的连接(60 分) 得分 考核项目评分标准得分扣分记录及备注考评员签字1、选择和检查元 件 ( 6分)未进行选择和检查元件者不得分2、接线工艺(21 分)1、布线整齐美观,主回路按规定颜色得 3分;2、主回路横平竖直,弯成直角,得 3 分;3、接线端子不超过 2 根导线得 3 分;4、导线与端子接触良好得 3 分;5、无导线绝缘皮压入端子得 3 分;6、导线露铜不超过 2mm 得 3 分;7、导线与接线桩连接做羊眼圈或瓦型或反圈得 3 分。3、线路检查(5 分)经考评员检查不能通电此项不得分4、通电试车(20 分)1、第一次通电不成功扣 10...

1、当您付费下载文档后,您只拥有了使用权限,并不意味着购买了版权,文档只能用于自身使用,不得用于其他商业用途(如 [转卖]进行直接盈利或[编辑后售卖]进行间接盈利)。
2、本站所有内容均由合作方或网友上传,本站不对文档的完整性、权威性及其观点立场正确性做任何保证或承诺!文档内容仅供研究参考,付费前请自行鉴别。
3、如文档内容存在违规,或者侵犯商业秘密、侵犯著作权等,请点击“违规举报”。

碎片内容

电工技能竞赛实操题库

确认删除?
VIP
微信客服
  • 扫码咨询
会员Q群
  • 会员专属群点击这里加入QQ群
客服邮箱
回到顶部