电脑桌面
添加小米粒文库到电脑桌面
安装后可以在桌面快捷访问

35kv型开关柜检修现场作业指导书

35kv型开关柜检修现场作业指导书_第1页
1/12
35kv型开关柜检修现场作业指导书_第2页
2/12
35kv型开关柜检修现场作业指导书_第3页
3/12
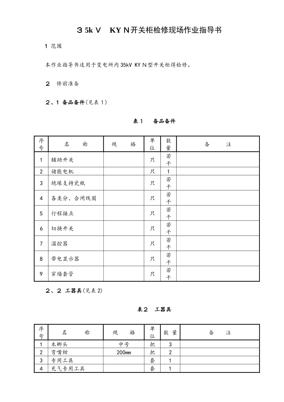
3 5k V KY N开关柜检修现场作业指导书1 范围本作业指导书适用于变电所内 35kV KY N型开关柜得检修。2 修前准备2、1 备品备件(见表1)表1 备品备件序号名 称规 格单 位数 量备 注1辅助开关只若干2储能电机只13绝缘支持瓷瓶只若干4各类分、合闸线圈只若干5行程接点只若干6切换开关只若干7温控器只若干8带电显示器只若干9穿墙套管只若干2、2 工器具(见表 2)表2 工器具序号名 称规 格单 位数 量备 注1木榔头中号把32弯嘴钳200mm把23专用工具套14充气专用工具套12、3 材料(见表 3)表 3 材料序号名 称规 格单 位数 量备 注1银砂纸#0张32汽油#90公斤53导电脂/公斤0、34金属漆欧洲绿组15绝缘胶布K C J-21圈16研磨膏380 粒盒17SF6 防护服套2 套以上8SF6防护鞋双2 双以上9SF 6 防毒面具套2 套以上10S F 6 防护帽只2 只以上2、4 危险点分析(见表 4)表 4 危险点分析序号危险源、危险点预控措施1高空坠落、高空坠物使用保险带并定期检查,登高时设专人护梯子,工作现场带好安全帽,拆搭头使用工具袋。2走错间隔设专人监护,工作现场至少 2 人一起工作,履行好工作票手续,开好现场交底会。3试 验 误 操 作 、 误 送电,试验后未放电严格使遵守高压试验操作程序,试验时高声呼唱。4感应电工作时带好绝缘手套,挂好保安线,做好安全措施,加强监护。5误入试验区域试验区域围好安全围绳,设置警示灯,挂警示牌,专人监护。6误接电源,绝缘线破损使用触电保护器,二人一起工作,试验前检查绝缘线。7接地线接触不良使用接地夹。8随意扩大或更改工作范围、工作内容必须先履行工作票许可手续后,方能进入工作现场,做好“二交一查”工作。9梯子摆放不平稳,梯子、绝缘棒搬运未按要求工作时梯子摆放平稳,搬运长物时应放到搬运。10设备漏电检查接地线,穿绝缘鞋。11耐压试验时,未穿绝缘靴。按要求穿绝缘靴或使用绝缘垫。12设备上遗留物品清理工作现场,清点物品,仔细检查工作现场,严格履行好验收制度。13SF6 气体中毒进入 SF 6开关室之前,通风1 5 m in2、5 安全措施(见表 5)表 5 安全措施序号内 容135kV 母分开关改检修23 5 kV××线改开关、线路检修335 kV×段母线压变及避雷器改检修435kV#×主变开关改检修535 k V×段母线改检修6线路接地闸刀检修时应在线路上挂临时接地线7检查确认现场安全措施与工作票所列安全措施一致8拆、搭架子前应交待明确安全措施、带电部位9...

1、当您付费下载文档后,您只拥有了使用权限,并不意味着购买了版权,文档只能用于自身使用,不得用于其他商业用途(如 [转卖]进行直接盈利或[编辑后售卖]进行间接盈利)。
2、本站所有内容均由合作方或网友上传,本站不对文档的完整性、权威性及其观点立场正确性做任何保证或承诺!文档内容仅供研究参考,付费前请自行鉴别。
3、如文档内容存在违规,或者侵犯商业秘密、侵犯著作权等,请点击“违规举报”。

碎片内容

35kv型开关柜检修现场作业指导书

一帆文传+ 关注
实名认证
内容提供者

欢迎光临店铺,各类公文供您挑选。

确认删除?
VIP
微信客服
  • 扫码咨询
会员Q群
  • 会员专属群点击这里加入QQ群
客服邮箱
回到顶部