电脑桌面
添加小米粒文库到电脑桌面
安装后可以在桌面快捷访问

仪表基础培训VIP专享

仪表基础培训_第1页
1/5
仪表基础培训_第2页
2/5
仪表基础培训_第3页
3/5
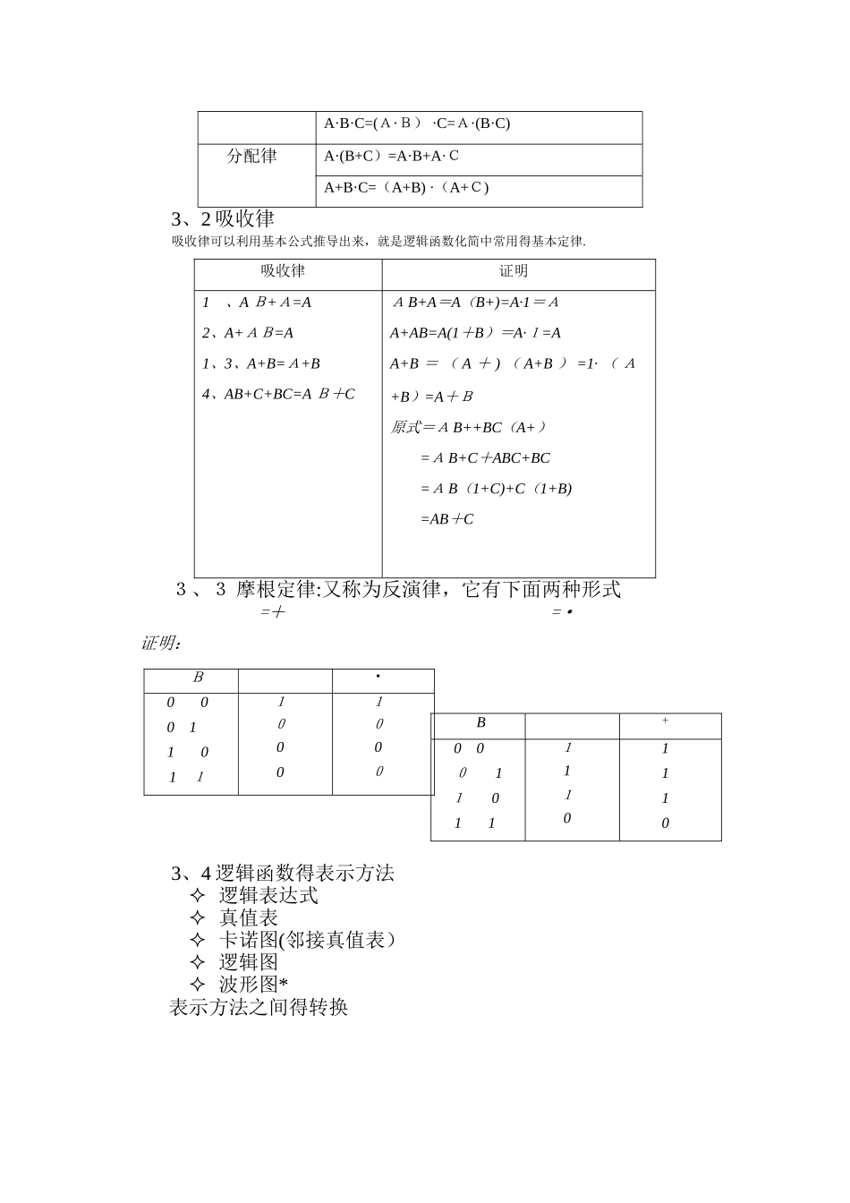
第二章 联锁逻辑图入门一、概述:联锁逻辑图就是以逻辑代数为基础,以图形化得结构表达出各个因果逻辑关系得图。大致分为以下三部分:1. “原因”部分(输入部分):由工艺信号、操作按钮、就地开关及高低报警等具有逻辑特性得物理量。2. 逻辑运算部分(功能块部分):将各输入条件根据工艺得得安全性、时序性、备用性得特点将各输入进行逻辑运算得关系。3. “结果"部分(输出部分):将逻辑运算得结果通过输出模件到现场阀门、开关、继电器等方式执行或在操作屏幕上显示.二、逻辑代数基础: 1、 逻辑变量与常量逻辑变量:采纳逻辑变量表示数字逻辑得状态,逻辑变量得输入输出之间构成函数关系。逻辑常量:逻辑变量只有两种可能得取值:“真"或“假”,习惯上,把“真”记为“1”,“假”记为“0",这里“1”与“0”不表示数量得大小,表示完全对立得两种状态。2、 逻辑运算:2、1 逻辑常量运算公式与运算(and &)或运算(o r ≥1)非运算(o n)0·0=00·1=01·0=01·1=10+0=00+1=11+0=11+1=1=0=12、2 逻辑变量、常量运算公式与运算或运算非运算A·0=0A·1=AA·A=AA·=0A+0=AA+1=1A+A=AA+=1=A 变量 A 得取值只能为 0 或为1,分别代入验证.三、 逻辑代数得基本定律3、1 与普通代数相似得定律交换律A+B =B+AA·B=B·A结合律A+B+C=(A+B)+C=A+(B+C)A·B·C=(A·B) ·C=A·(B·C)分配律A·(B+C)=A·B+A·CA+B·C=(A+B) ·(A+C)3、2 吸收律 吸收律可以利用基本公式推导出来,就是逻辑函数化简中常用得基本定律.吸收律证明1 、A B+A=A2、A+AB=A1、3、A+B=A+B4、AB+C+BC=A B+CA B+A=A(B+)=A·1=AA+AB=A(1+B)=A·1=AA+B = ( A + ) ( A+B ) =1· ( A+B)=A+B原式=A B++BC(A+)=A B+C+ABC+BC=A B(1+C)+C(1+B)=AB+C3、3 摩根定律:又称为反演律,它有下面两种形式 =+ =·证明:3、4 逻辑函数得表示方法 逻辑表达式  真值表 卡诺图(邻接真值表) 逻辑图 波形图*表示方法之间得转换 B·0 00 1 1 0 1 110001000 B+0 00 1 1 0 1 111101110四、 常用得逻辑组合:4、1 “同或”逻辑:L= A B +=A B逻辑图: 真值表:特征:两个输入变量相同输出为 14、2 “异或”逻辑:L= A+B=A⊙B特征:两个输入变量相异输出为 1逻辑图: 真值表:4、3 “三取二”逻辑:L= AB +B C+C A逻辑图: ...

1、当您付费下载文档后,您只拥有了使用权限,并不意味着购买了版权,文档只能用于自身使用,不得用于其他商业用途(如 [转卖]进行直接盈利或[编辑后售卖]进行间接盈利)。
2、本站所有内容均由合作方或网友上传,本站不对文档的完整性、权威性及其观点立场正确性做任何保证或承诺!文档内容仅供研究参考,付费前请自行鉴别。
3、如文档内容存在违规,或者侵犯商业秘密、侵犯著作权等,请点击“违规举报”。

碎片内容

仪表基础培训

确认删除?
VIP
微信客服
  • 扫码咨询
会员Q群
  • 会员专属群点击这里加入QQ群
客服邮箱
回到顶部