电脑桌面
添加小米粒文库到电脑桌面
安装后可以在桌面快捷访问

供水工程单元工程评定表

供水工程单元工程评定表_第1页
1/15
供水工程单元工程评定表_第2页
2/15
供水工程单元工程评定表_第3页
3/15
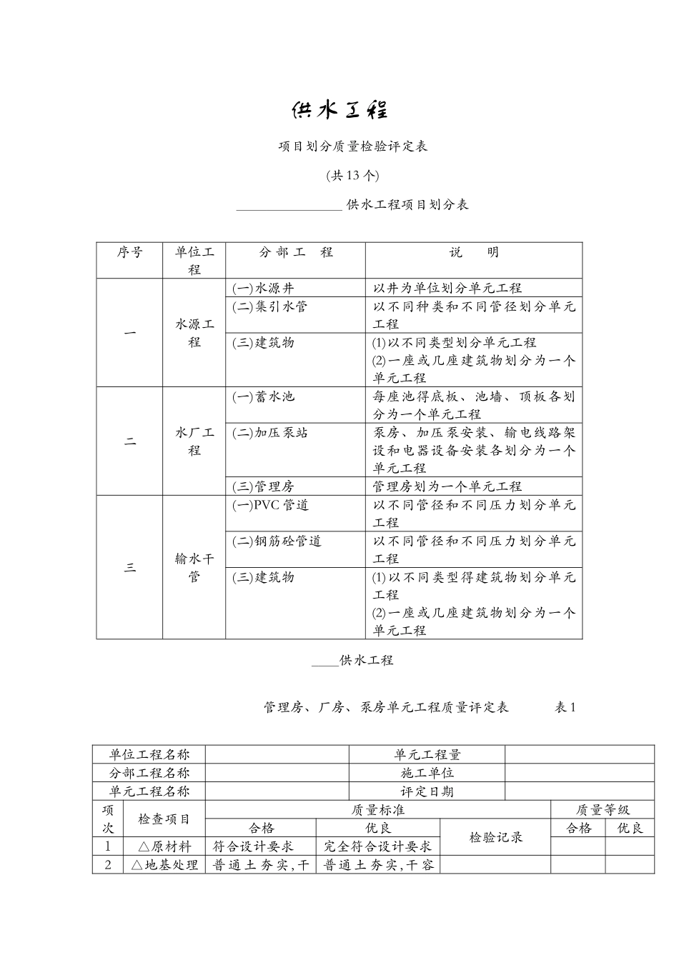
供水工程项目划分质量检验评定表(共 13 个) 供水工程项目划分表序号单位工程分 部 工 程说 明一水源工程(一)水源井以井为单位划分单元工程(二)集引水管以不同种类和不同管径划分单元工程(三)建筑物(1)以不同类型划分单元工程(2)一座或几座建筑物划分为一个单元工程二水厂工程(一)蓄水池每座池得底板、池墙、顶板各划分为一个单元工程(二)加压泵站泵房、加压泵安装、输电线路架设和电器设备安装各划分为一个单元工程(三)管理房管理房划为一个单元工程三输水干管(一)PVC 管道以不同管径和不同压力划分单元工程(二)钢筋砼管道以不同管径和不同压力划分单元工程(三)建筑物(1)以不同类型得建筑物划分单元工程(2)一座或几座建筑物划分为一个单元工程 供水工程管理房、厂房、泵房单元工程质量评定表 表 1单位工程名称单元工程量分部工程名称施工单位单元工程名称评定日期项次检查项目质量标准质量等级合格优良检验记录合格优良1△原材料符合设计要求完全符合设计要求2△地基处理普 通 土 夯 实 , 干普通土夯实,干容容重达 1、5t/m3以上,砂砾整平,基本无树根、草皮 、 洞 穴 、 乱石、积水等重达 1、5 t/m3以上,砂砾整平,无树根、草皮、洞穴、乱石、积水等3水泥砂浆水泥砂浆配合比强度标号符合设计要求和法律规范 规 定 , 配 料 称重 准 确 , 先 干 拌颜 色 一 致 , 后 湿拌 充 分 均 匀 , 无初凝水泥砂浆配合比强度标号完全符合设计要求和法律规范规定,配料称重准确,拌和均匀,无初凝现象4△钢筋混凝土混凝土配合比强度标号符合设计要求和法律规范规 定 , 配 料 称 重准确,拌和均匀,振 捣 密 实 , 模 板不 漏 浆 、 无 露筋 , 钢 筋 符 合 设计 要 求 , 绑 扎 牢固混凝土配合比强度标号符合设计要求和法律规范规定 ,配料称重准确 ,拌和均匀,振捣密实,模板不漏浆、无露筋,钢筋符合设计要求,绑扎牢固,完全符合设计和法律规范要求5△浆砌砖砂 浆 饱 满 , 竖 顺组 砌 符 合 标 准 ,勾 缝 密 实 , 表 面整齐,及时养护砂浆饱满,竖顺组砌符合标准,勾缝密实,表面整齐,及时养护,用砖完全符合设计要求6△基础与支墩基 本 稳 固 , 地 脚螺丝埋设准确稳固,地脚螺丝埋设准确7△几何尺寸符合设计要求完全符合设计要求8防潮层、防渗层符合设计要求完全符合设计要求9回填土料基本无树根、杂草 、 冻 块 , 含 水量为适宜含水量或 相 近 , 分 层 ...

1、当您付费下载文档后,您只拥有了使用权限,并不意味着购买了版权,文档只能用于自身使用,不得用于其他商业用途(如 [转卖]进行直接盈利或[编辑后售卖]进行间接盈利)。
2、本站所有内容均由合作方或网友上传,本站不对文档的完整性、权威性及其观点立场正确性做任何保证或承诺!文档内容仅供研究参考,付费前请自行鉴别。
3、如文档内容存在违规,或者侵犯商业秘密、侵犯著作权等,请点击“违规举报”。

碎片内容

供水工程单元工程评定表

您可能关注的文档

确认删除?
VIP
微信客服
  • 扫码咨询
会员Q群
  • 会员专属群点击这里加入QQ群
客服邮箱
回到顶部