电脑桌面
添加小米粒文库到电脑桌面
安装后可以在桌面快捷访问

出入口围护结构导墙施工技术交底新

出入口围护结构导墙施工技术交底新_第1页
1/11
出入口围护结构导墙施工技术交底新_第2页
2/11
出入口围护结构导墙施工技术交底新_第3页
3/11
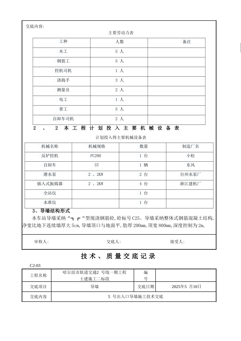
技 术 、 质 量 交 底 记 录C2-03工程名称哈尔滨市轨道交通2 号线一期工程土建施工二标段编 号交底项目导墙交底日期2025年5 月10日交底内容5 号出入口导墙施工技术交底交底内容:1、 工 程 概 况5 号出入口基坑标准段深度为距现状地面8 、921m,结 构 覆 土 为 5 、 1m, 断 面 宽 度 为 7 、 2m, 采 纳 600mm 得 地 下连续墙, 墙长15、171m, 嵌固比为0 、7 左右; 扶梯、楼梯集水坑较深段为距现状地面10、771m, 结构覆土为5 、1m, 断面宽度为7 、2m, 采纳600mm 得地下连续墙, 墙长18、321m, 嵌固比为0 、7 左右。沿基坑深度方向布置支撑, 其中标准段采纳2 道钢支撑体系; 扶梯、楼梯 集 水 坑 较 深 段 采 纳 2 道 钢 支 撑 +1 道 换 撑 体 系 。地 下 连 续 墙 混 凝 土 强 度 等 级 为 C35, 抗 渗 等 级 P6; 冠梁 混 凝 土 强 度 等 级 为 C35 。导 墙 采 纳 整 体 式 钢 筋 混 凝 土 结 构 , 净 宽 比 地 下 连续 墙 厚 大 5cm, 导 墙 顶 口 与 地 面 平 , 肋 厚 150mm, 顶 宽 650mm,深 度 控 制 为 2m, 导 墙 必 须 插 入 原 状 土 30cm 以 上 , 且 导 墙顶 面 高 于 地 下 水 位 1m 以 上 , 混 凝 土 标 号 C25( 当 赶 工 期时 可 适 当 提 高 混 凝 土 标 号 与 添 加 早 强 剂 ), 不 得 漏浆 。 导 墙 在 施 工 期 间 , 应 能 承 受 施 工 载 荷 。 导 墙 顶面 与 施 工 场 地 路 面 硬 化 后 高 度 同 高 , 并 用 钢 筋 相 连接 , 为 防 止 周 围 得 散 水 及 雨 水 流 入 槽 段 内 , 施 工 场 地内 路 面 施 作 过 程 中 将 向 两 侧 放 坡 , 放 坡 比 为 0 、 3%, 以避 开 周 围 得 散 水 及 雨 水 流 入 槽 段 内 影 响 槽 段 成 槽 质量 。2、工程筹划2、1本 工 程 主 要 人 员 筹 划主要管理人员表姓名职务电话曹广勤项目经理13691072297李伟项目总工18800002997袁鑫鑫安全生产13331086087吴国军质检员17382863615刘鲁峰技术员13646388372 审核人: 交底人: 接受人:技 术 、 质 量 交 底 记 录C2-03工程名称哈尔滨市轨道交通2 号线一期工程土建施工二标段编 号交底项目导墙交底...

1、当您付费下载文档后,您只拥有了使用权限,并不意味着购买了版权,文档只能用于自身使用,不得用于其他商业用途(如 [转卖]进行直接盈利或[编辑后售卖]进行间接盈利)。
2、本站所有内容均由合作方或网友上传,本站不对文档的完整性、权威性及其观点立场正确性做任何保证或承诺!文档内容仅供研究参考,付费前请自行鉴别。
3、如文档内容存在违规,或者侵犯商业秘密、侵犯著作权等,请点击“违规举报”。

碎片内容

出入口围护结构导墙施工技术交底新

不二商店+ 关注
实名认证
内容提供者

我是你的不二选择

确认删除?
VIP
微信客服
  • 扫码咨询
会员Q群
  • 会员专属群点击这里加入QQ群
客服邮箱
回到顶部