电脑桌面
添加小米粒文库到电脑桌面
安装后可以在桌面快捷访问

分布式光伏发电项目竣工验收报告

分布式光伏发电项目竣工验收报告_第1页
1/7
分布式光伏发电项目竣工验收报告_第2页
2/7
分布式光伏发电项目竣工验收报告_第3页
3/7
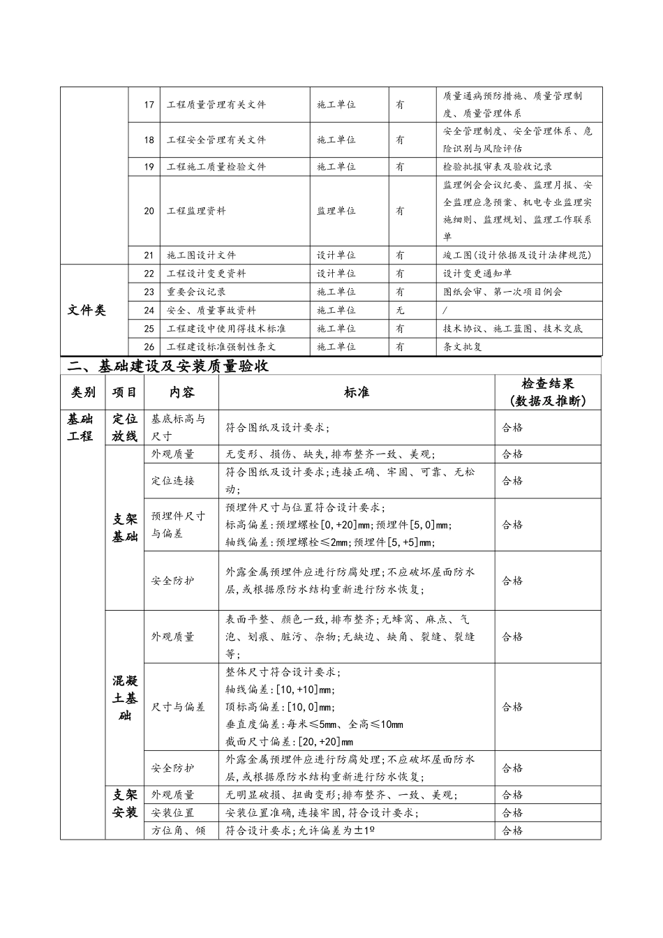
项目竣工验收报告项目名称:潍坊临朐华建 15MWp 光伏发电项目 总包单位: 中国中元国际工程有限公司 施工单位: 肥城市建筑安装工程总公司 报告日期:2025 年 03 月 14 日工程名称潍坊临朐华建 15MWp 光伏发电项目安装容量10、5913MWp电站类形屋顶分布式开工日期2025 年 10 月 5 日竣工日期2025 年 12 月 23 日工程概况:本项目位于山东省潍坊市临朐县(地理位置:北纬 36°29',东经 118°34'附近)山东华建铝业集团有限公司华建工业园、华建二分厂及华铝股份三个厂区共计十一个车间得钢结构建筑屋顶,该项目为自发自用余量上网分布式光伏发电项目,采纳集中式发电与组串式发电得混合方案,并网电压等级为 380V,共计 10 个并网点,实际并网容量 10、5913MWp。系统主要由太阳能光伏组件、直流防雷汇流箱、直流柜、并网逆变器、沟通防雷汇流箱、智能双向计量表、通讯监控等组成。关键设备型号具体为:组件:A、工业园 TSMPC05A260,共 7880 块组件,2048、8kW。B、二分厂 TSMPC05A265, 8480 块组件, TSMPC05A260,300 块组件共 8780 块组件, 2325、2kW。C、股份公司 TSMPC05A255,20250 块组件,TSMPC05A260,4160 块组件,共 24300 块,6217、3kW。逆变器:20 台集中式逆变器,规格为 500kW, 8 台 1MW 逆变房(逆变房内设有 2 台 500kW 集中逆变器);5 台组串逆变器得规格为 50kW。直流汇流箱:三种规格,分别为 8 汇 1、12 汇 1 与 16 汇 1;沟通汇流箱:两种规格,分别为 100kW、150kW。项目关键照片:验收成员表总包单位何永芬、王宁、王莎、陆俊杰、宋长荣、范长安、姜涛、明勇、商勇杰、邓宗雨分包单位张林海、李勇、殷晓刚、徐燕一、竣工资料验收类别序号资料名称提供单位提供情况检查结果文件类1工程竣工报告施工单位有工程竣工报告2拟验工程清单施工单位无/3未完成工程清单施工单位无/4工程建设监理工作报告监理单位有质量评估报告5工程设计工作报告设计单位有工作报告6工程施工管理工作报告施工单位有工作总结7重大技术问题专题报告施工单位无/8前期工作文件及批复文件施工单位有备案证明、初步意见、接入系统方案9管理部门批文施工单位有并网验收意见单10招标投标文件施工单位无/11合同文件施工单位有EPC 合同补充协议12工程项目划分资料施工单位有施工质量项目验评划分表13分项工程质量评定资料施工单位有分项工程报审表及验收记录14分部工程质量评定资料施工单位有分部工程报审表及验收记录15单位...

1、当您付费下载文档后,您只拥有了使用权限,并不意味着购买了版权,文档只能用于自身使用,不得用于其他商业用途(如 [转卖]进行直接盈利或[编辑后售卖]进行间接盈利)。
2、本站所有内容均由合作方或网友上传,本站不对文档的完整性、权威性及其观点立场正确性做任何保证或承诺!文档内容仅供研究参考,付费前请自行鉴别。
3、如文档内容存在违规,或者侵犯商业秘密、侵犯著作权等,请点击“违规举报”。

碎片内容

分布式光伏发电项目竣工验收报告

办公文档专营+ 关注
实名认证
内容提供者

大量办公文档,欢迎选择

确认删除?
VIP
微信客服
  • 扫码咨询
会员Q群
  • 会员专属群点击这里加入QQ群
客服邮箱
回到顶部