电脑桌面
添加小米粒文库到电脑桌面
安装后可以在桌面快捷访问

地连墙渗漏处理

地连墙渗漏处理_第1页
1/8
地连墙渗漏处理_第2页
2/8
地连墙渗漏处理_第3页
3/8
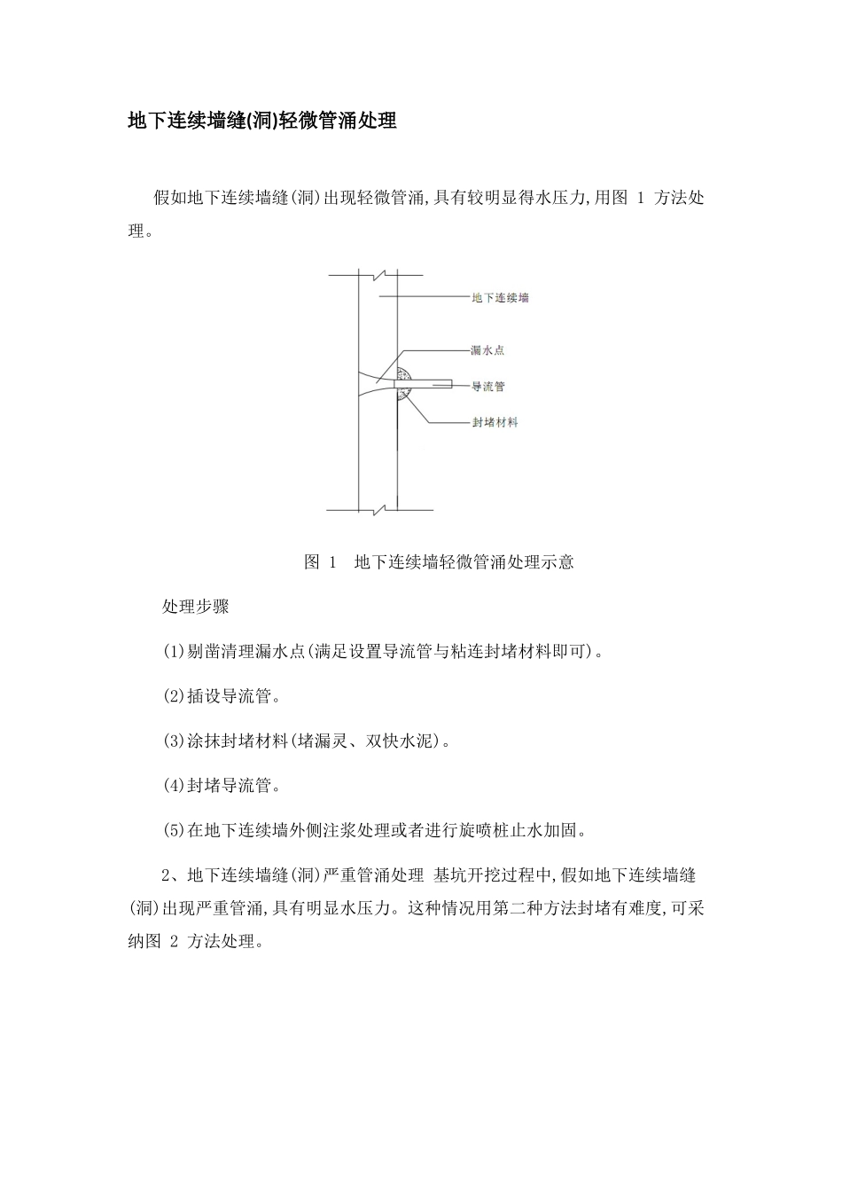
渗漏可能原因分析虽然基坑各阶段施工严格控制施工质量,但由于地下连续墙施工得可控性等原因,在基坑开挖过程中,地下连续墙往往会因为以下几个原因出现渗漏水情况:1) 先行幅连续墙接缝处成槽垂直度差,后行幅成槽时不能将接缝处泥土抓洁净,导致接缝处夹泥(俗称开裤衩);2) 护壁泥浆性能差,成槽后与砼浇注间隔时间过长(比如隔夜槽),泥浆沉淀,在地下连续墙接缝处形成较厚得泥皮,砼浇注后就有可能出现夹泥现象;3) 后行幅地下连续墙施工时,未对先行幅接缝进行清刷施工或清刷不彻底,导致该处出现夹泥现象。4) 槽段清淤不彻底,泥浆比重大,黏度过高,水下砼浇注过程中,翻浆砼将大量浮泥翻带至地下连续墙顶部,但有少量浮泥被搁置在地下连续墙接缝处,形成砼夹泥现象;5) 水下砼浇注时,未控制好导管得埋管深度,出现导管拔空,导致墙体砼夹泥;6) 水下砼浇注未能连续进行,砼供应不及时,导致水下砼两次开管,围护墙出现夹泥施工冷缝;7) 基坑开挖过程中围护结构变形大,接缝开裂渗漏。8) 地下连续墙接缝处无钢筋素砼范围过大,素砼受力开裂,出现渗漏现象。9) 地下连续墙砼抗渗性能未达设计及法律规范要求,在地下水压下地下连续墙砼出现渗漏现象。地下连续墙缝(洞)渗流处理:假如地下连续墙缝(洞)出现渗流现象,可以注聚氨脂封堵,或对地下连续墙墙面进行剔凿清理,然后用堵漏灵或双快水泥进行封堵。地下连续墙缝(洞)轻微管涌处理假如地下连续墙缝(洞)出现轻微管涌,具有较明显得水压力,用图 1 方法处理。图 1 地下连续墙轻微管涌处理示意处理步骤(1)剔凿清理漏水点(满足设置导流管与粘连封堵材料即可)。(2)插设导流管。(3)涂抹封堵材料(堵漏灵、双快水泥)。(4)封堵导流管。(5)在地下连续墙外侧注浆处理或者进行旋喷桩止水加固。2、地下连续墙缝(洞)严重管涌处理 基坑开挖过程中,假如地下连续墙缝(洞)出现严重管涌,具有明显水压力。这种情况用第二种方法封堵有难度,可采纳图 2 方法处理。图 4-2 地下连续墙严重管涌处理示意处理步骤:(1)如地下连续墙面有较明显突出不平现象,简单进行剔凿处理。(2)把预先加工好得封堵钢板贴置于地下连续墙面上,漏水点与导流钢管正对, 水流通畅。(3)打入膨胀螺栓,使封堵钢板固定牢固。(4)用棉沙拌合油脂材料(粘状油脂)封边,用扁状钢钎沿封堵钢板四周缝隙打 入,使封堵钢板与地下连续墙之间缝隙填充密实,然后用堵漏灵或快硬水泥封堵钢板周 边。(5)关闭阀门。(6)在地下连续墙外侧注浆处理或者进行旋喷桩止水加固。注意事项:(1)基...

1、当您付费下载文档后,您只拥有了使用权限,并不意味着购买了版权,文档只能用于自身使用,不得用于其他商业用途(如 [转卖]进行直接盈利或[编辑后售卖]进行间接盈利)。
2、本站所有内容均由合作方或网友上传,本站不对文档的完整性、权威性及其观点立场正确性做任何保证或承诺!文档内容仅供研究参考,付费前请自行鉴别。
3、如文档内容存在违规,或者侵犯商业秘密、侵犯著作权等,请点击“违规举报”。

碎片内容

地连墙渗漏处理

您可能关注的文档

确认删除?
VIP
微信客服
  • 扫码咨询
会员Q群
  • 会员专属群点击这里加入QQ群
客服邮箱
回到顶部