电脑桌面
添加小米粒文库到电脑桌面
安装后可以在桌面快捷访问

基于PLC和组态王的流量PID控制--毕业论文

基于PLC和组态王的流量PID控制--毕业论文_第1页
1/17
基于PLC和组态王的流量PID控制--毕业论文_第2页
2/17
基于PLC和组态王的流量PID控制--毕业论文_第3页
3/17
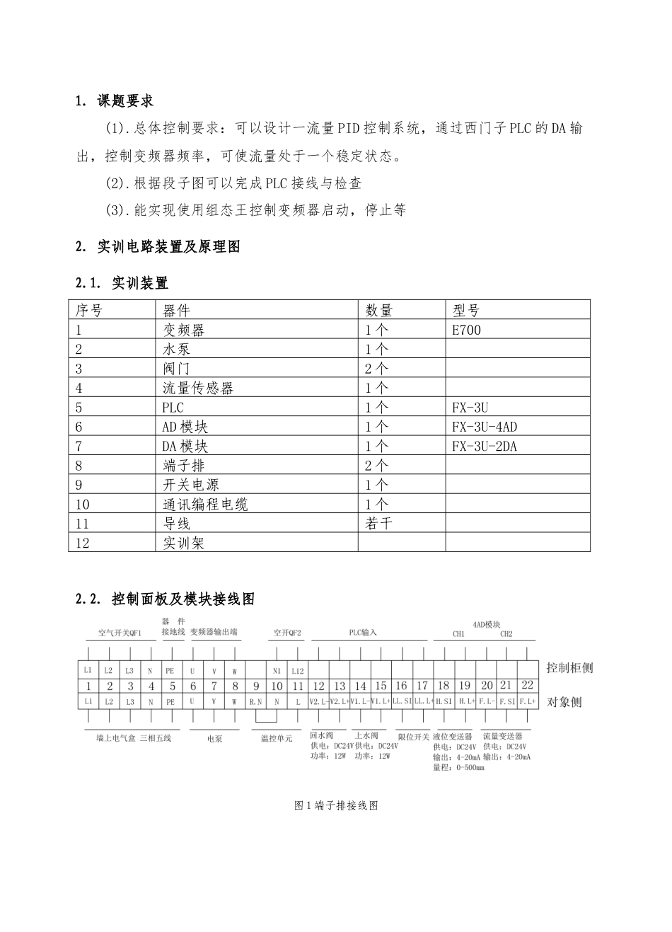
基于 PLC 和组态王的流量 PID 控制系统基于 PLC 和组态王的流量 PID 控制系统[摘要] 随着我国社会经济的进展,人们生活水平的不断提高,供水系统的建设是其中的一个重要方面,供水的经济性、可靠性、稳定性直接影响到目前人们的正常生活和工作。传统的供水方式普遍存在效率低、可靠性差、自动化程度不高等缺点,难以满足当前经济生活的需要。本文针对这些问题主要设计了一套由 PLC、变频器、等主要设备构成的变频恒流供水及其监控系统。可以有效地解决传统供水方式中存在的问题,增强了系统的可靠性。关键词:流量控制 PLC 组态王 PID 控制Abstract: With the development of our social economy, the continuous improvement of people's living standard, the construction of the water supply system is one of the important aspects of water supply of the economy, reliability and stability directly affect the current people's normal life and work. Traditional way of water supply is widespread, low efficiency, poor reliability and high degree of automation is not weakness, it is difficult to meet the needs of the current economic life. Aiming at these problems mainly devised a composed of PLC, inverter, the main equipment such as variable frequency constant current supply and its monitoring and control system. Can effectively solve the problems existing in the traditional way of water supply, enhanced the reliability of the system.Key words: Flow control PLC King view PID control1. 课题要求(1).总体控制要求:可以设计一流量 PID 控制系统,通过西门子 PLC 的 DA 输出,控制变频器频率,可使流量处于一个稳定状态。(2).根据段子图可以完成 PLC 接线与检查(3).能实现使用组态王控制变频器启动,停止等2. 实训电路装置及原理图2.1.实训装置序号器件数量型号1变频器1 个E7002水泵1 个3阀门2 个4流量传感器1 个5PLC1 个FX-3U6AD 模块1 个FX-3U-4AD7DA 模块1 个FX-3U-2DA8端子排2 个9开关电源1 个10通讯编程电缆1 个11导线若干12实训架2.2.控制面板及模块接线图图 1 端子排接线图2.3.电路接线图及端子接线...

1、当您付费下载文档后,您只拥有了使用权限,并不意味着购买了版权,文档只能用于自身使用,不得用于其他商业用途(如 [转卖]进行直接盈利或[编辑后售卖]进行间接盈利)。
2、本站所有内容均由合作方或网友上传,本站不对文档的完整性、权威性及其观点立场正确性做任何保证或承诺!文档内容仅供研究参考,付费前请自行鉴别。
3、如文档内容存在违规,或者侵犯商业秘密、侵犯著作权等,请点击“违规举报”。

碎片内容

基于PLC和组态王的流量PID控制--毕业论文

您可能关注的文档

雏圣文化+ 关注
实名认证
内容提供者

欢迎光临,大量办公文档供您挑选。

确认删除?
VIP
微信客服
  • 扫码咨询
会员Q群
  • 会员专属群点击这里加入QQ群
客服邮箱
回到顶部