电脑桌面
添加小米粒文库到电脑桌面
安装后可以在桌面快捷访问

墩桥课程设计大学论文VIP专享

墩桥课程设计大学论文_第1页
1/29
墩桥课程设计大学论文_第2页
2/29
墩桥课程设计大学论文_第3页
3/29
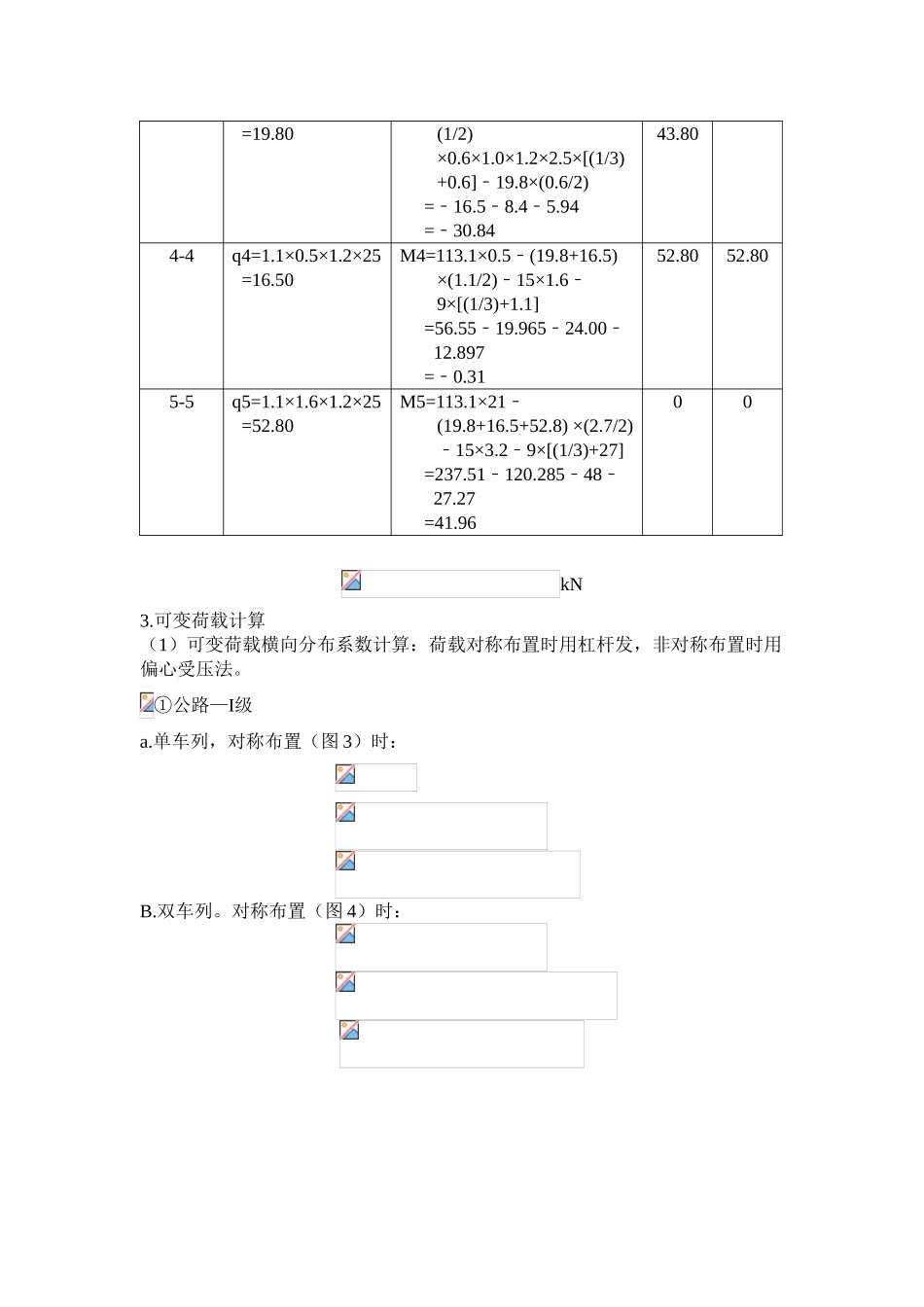
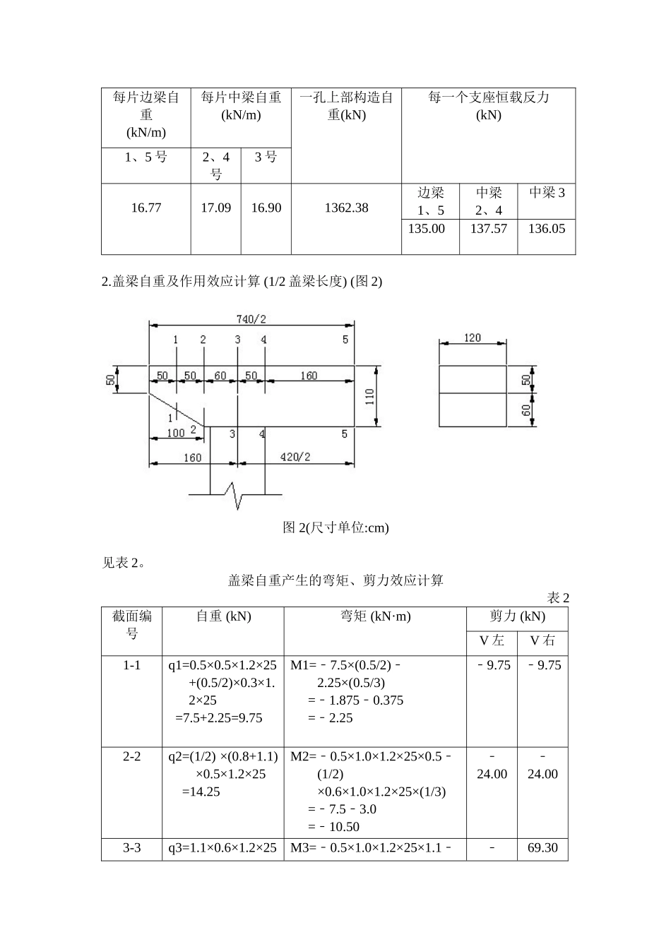
第Ⅱ部分 钻孔灌注桩、双柱式桥墩的计算一、设计资料1. 设计标准及上部构造设计荷载:公路﹣Ⅱ级;桥面净空:净﹣7m+2×0.75m;计算跨径 16.10m;上部构造:钢筋混凝土 T 形梁。2. 水文地质条件(本设计系假设条件)冲刷深度:最大冲刷线为河床线下 2.3m 处;地质条件:软塑黏性土;按无横桥向的水平力(漂流物、冲击力、水流压力等)计算。3. 材料钢筋:盖梁主筋用 HRB335 钢筋,其它均用 R235 钢筋;混凝土:盖梁、墩柱用 C30,系梁及钻孔灌注桩用 C25。4.桥梁尺寸考虑原有标准图,选用如图 1 所示结构尺寸。图 1 (尺寸单位:cm)5.设计依据<<公路桥涵地基与基础设计法律规范>> (JTG D63-2025)。二、盖梁计算(一)荷载计算1.上部结构永久荷载见表 1。 表 1每片边梁自重(kN/m)每片中梁自重(kN/m)一孔上部构造自重(kN)每一个支座恒载反力(kN)1、5 号2、4号3 号16.7717.0916.901362.38边梁1、5中梁2、4中梁 3135.00137.57136.052.盖梁自重及作用效应计算 (1/2 盖梁长度) (图 2)图 2(尺寸单位:cm)见表 2。盖梁自重产生的弯矩、剪力效应计算表 2截面编号自重 (kN)弯矩 (kN·m)剪力 (kN)V 左V 右1-1q1=0.5×0.5×1.2×25+(0.5/2)×0.3×1.2×25 =7.5+2.25=9.75M1=﹣7.5×(0.5/2)﹣2.25×(0.5/3)=﹣1.875﹣0.375=﹣2.25﹣9.75﹣9.752-2q2=(1/2) ×(0.8+1.1) ×0.5×1.2×25=14.25M2=﹣0.5×1.0×1.2×25×0.5﹣(1/2) ×0.6×1.0×1.2×25×(1/3)=﹣7.5﹣3.0=﹣10.50﹣24.00﹣24.003-3q3=1.1×0.6×1.2×25M3=﹣0.5×1.0×1.2×25×1.1﹣﹣69.30 =19.80(1/2) ×0.6×1.0×1.2×2.5×[(1/3)+0.6]﹣19.8×(0.6/2)=﹣16.5﹣8.4﹣5.94=﹣30.8443.804-4q4=1.1×0.5×1.2×25 =16.50M4=113.1×0.5﹣(19.8+16.5) ×(1.1/2)﹣15×1.6﹣9×[(1/3)+1.1]=56.55﹣19.965﹣24.00﹣12.897=﹣0.3152.8052.805-5q5=1.1×1.6×1.2×25 =52.80M5=113.1×21﹣(19.8+16.5+52.8) ×(2.7/2)﹣15×3.2﹣9×[(1/3)+27]=237.51﹣120.285﹣48﹣27.27=41.9600kN3.可变荷载计算(1)可变荷载横向分布系数计算:荷载对称布置时用杠杆发,非对称布置时用偏心受压法。①公路—I级a.单车列,对称布置(图 3)时:B.双车列。对称布置(图 4)时: 图 3(尺寸单位:cm) 图 4 (尺寸单位:cm)C.单车列,非对称布置(图 5)时图 5(尺寸单位:cm)由,已知 则d. 双车列,非对称布置(图 5)时:已知: , , ,则:② 人群荷载a.两侧有人群,对称...

1、当您付费下载文档后,您只拥有了使用权限,并不意味着购买了版权,文档只能用于自身使用,不得用于其他商业用途(如 [转卖]进行直接盈利或[编辑后售卖]进行间接盈利)。
2、本站所有内容均由合作方或网友上传,本站不对文档的完整性、权威性及其观点立场正确性做任何保证或承诺!文档内容仅供研究参考,付费前请自行鉴别。
3、如文档内容存在违规,或者侵犯商业秘密、侵犯著作权等,请点击“违规举报”。

碎片内容

墩桥课程设计大学论文

确认删除?
VIP
微信客服
  • 扫码咨询
会员Q群
  • 会员专属群点击这里加入QQ群
客服邮箱
回到顶部