电脑桌面
添加小米粒文库到电脑桌面
安装后可以在桌面快捷访问

安祺城市花园施工组织设计楼土建施工组织设计

安祺城市花园施工组织设计楼土建施工组织设计_第1页
1/62
安祺城市花园施工组织设计楼土建施工组织设计_第2页
2/62
安祺城市花园施工组织设计楼土建施工组织设计_第3页
3/62
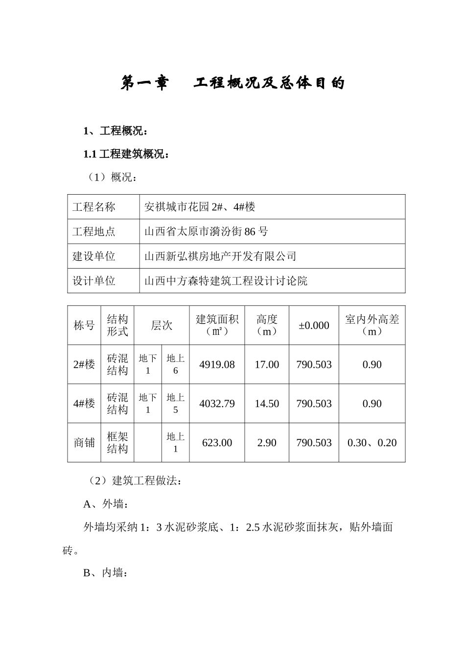
施工组织设计编制说明1、编制说明:(1)编制对象为“安祺城市花园 2#、4#楼(涉及商铺)”工程,编制范围为施工图注明的土建、安装工程,涉及总平面图设计、施工进度计划、施工机械选用、重要的施工方案、质量、安全保证措施等内容。(2)针对本工程特点制定施工方案及技术措施,并为创优工程及按标化、文明施工场地的标准进行施工,制订了一些常见的质量通病防治技术、管理措施,体现针对性、指导性、科学性。2、编制依据:(1)“安祺城市花园 2#、4#楼”设计图纸。(2)国家、山西省现行有关施工技术法律规范文献。(3)国家、山西省现行有关安全技术法律规范文献。(4)本公司有关 ISO9002 质量体系支持文献。第一章 工程概况及总体目的1、工程概况:1.1 工程建筑概况:(1)概况:工程名称安祺城市花园 2#、4#楼工程地点山西省太原市漪汾街 86 号建设单位山西新弘祺房地产开发有限公司设计单位山西中方森特建筑工程设计讨论院栋号结构形式层次建筑面积(㎡)高度(m)±0.000室内外高差(m)2#楼砖混结构地下1地上64919.0817.00790.5030.904#楼砖混结构地下1地上54032.7914.50790.5030.90商铺框架结构地上1623.002.90790.5030.30、0.20(2)建筑工程做法:A、外墙:外墙均采纳 1:3 水泥砂浆底、1:2.5 水泥砂浆面抹灰,贴外墙面砖。B、内墙:①、内墙:13 厚 1:3 水泥砂浆打底,5 厚 1:0.1:2.5 水泥石灰膏砂浆抹面,压实压光。②、厨房、卫生间:12 厚 1:3 水泥砂浆打底,8 厚 1:2.5 水泥砂浆抹面打毛。C、平顶:①、天棚:刷混凝土界面解决剂一道(随刷随抹底灰),7 厚 1:3水泥砂浆打底,5 厚 1:0.1:2.5 水泥石灰膏砂浆罩面。D、批白:①、所有房间(涉及公共部位)内墙及天棚和厨房、卫生间的天棚均增长做满批白水泥腻子三遍。E、楼地面采纳做法如下:①、楼梯间楼面:刷素水泥浆结合层一道,30 厚 1:2.5 水泥砂浆,压实压光。②、配电室(地下室储藏间)地面:地下室地板,3:7 灰土填充(分层夯实),表面撒 1:1 水泥砂子压实压光,60 厚 C20 细石混凝土随捣随抹。③、商铺(砖混部分)地面:素土夯实,150 厚 3:7 灰土垫层,200 厚 C15 混凝土(内配 φ8@200 双向钢筋)。④、卫生间楼面:1:6 水泥焦渣垫层,20 厚 1:3 水泥砂浆找平层,四角抹小八角,聚氨脂三遍涂膜防水层 1.8 厚,四角卷起 150 高,60 厚(最高处)C20 细石混凝土,从门口向地漏找泛水 i=1%...

1、当您付费下载文档后,您只拥有了使用权限,并不意味着购买了版权,文档只能用于自身使用,不得用于其他商业用途(如 [转卖]进行直接盈利或[编辑后售卖]进行间接盈利)。
2、本站所有内容均由合作方或网友上传,本站不对文档的完整性、权威性及其观点立场正确性做任何保证或承诺!文档内容仅供研究参考,付费前请自行鉴别。
3、如文档内容存在违规,或者侵犯商业秘密、侵犯著作权等,请点击“违规举报”。

碎片内容

安祺城市花园施工组织设计楼土建施工组织设计

确认删除?
VIP
微信客服
  • 扫码咨询
会员Q群
  • 会员专属群点击这里加入QQ群
客服邮箱
回到顶部