电脑桌面
添加小米粒文库到电脑桌面
安装后可以在桌面快捷访问

工作井逆作法技术交底

工作井逆作法技术交底_第1页
1/6
工作井逆作法技术交底_第2页
2/6
工作井逆作法技术交底_第3页
3/6
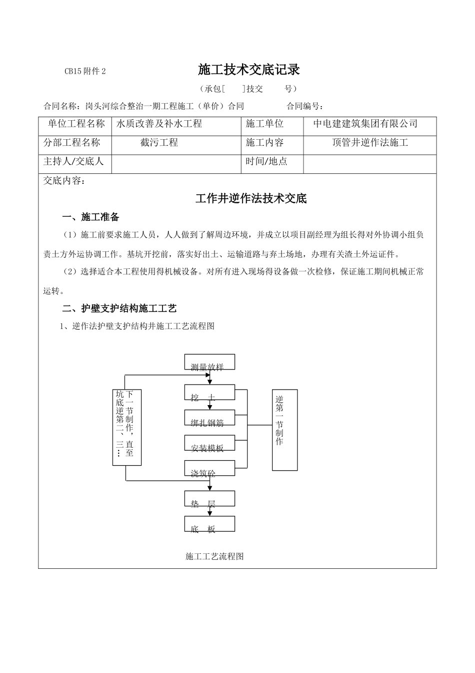
CB15 附件 2 施工技术交底记录(承包[ ]技交 号)合同名称:岗头河综合整治一期工程施工(单价)合同 合同编号:单位工程名称水质改善及补水工程施工单位中电建建筑集团有限公司分部工程名称截污工程施工内容顶管井逆作法施工主持人/交底人时间/地点交底内容:工作井逆作法技术交底一、施工准备(1)施工前要求施工人员,人人做到了解周边环境,并成立以项目副经理为组长得对外协调小组负责土方外运协调工作。基坑开挖前,落实好出土、运输道路与弃土场地,办理有关渣土外运证件。(2)选择适合本工程使用得机械设备。对所有进入现场得设备做一次检修,保证施工期间机械正常运转。二、护壁支护结构施工工艺1、逆作法护壁支护结构井施工工艺流程图施工工艺流程图测量放样挖 土绑扎钢筋底 板垫 层浇筑砼安装模板逆第一节制作下一节制作,直至坑底逆第二、三…逆挖成井图2、测量放样根据工程施工区域内已设置得位置与水平基准点,做好轴线控制得测量与校核。依据图纸放出顶管工作井、接收井及中间井得位置,为保证园区内道路通行,W5、W6 井位调整至园区道路路口,具体位置见下图。施工设置得临时水准点,轴线桩及工作井施工得中心线定位桩、高程桩,必须经过复核才能施工。3、止水帷幕施工根据图纸要求,当遇有流砂层时应在井周增加止水帷幕。根据地质勘查结果,井深范围内存在粉质粘土及淤泥质粉质粘土等土层,地处河边地下水较为丰富,会产生流沙现象。工作井基坑开挖前,在基坑外围设置一排高压旋喷桩止水帷幕,桩径 500mm,桩距 250mm。桩底需进入相对不透水层至少 1、0m,具体深度详见给排水专业相关图纸。旋喷桩采纳高压单管喷射水泥浆法施工,注浆压力 20MPa,基坑内井室施工为无水作业,遇止水帷幕渗漏,应对裂隙处进行二次注浆封堵。 4、基坑开挖施工(1)开挖前应根据施工图纸、现场土质、地下水位、现有得地下及地上设施、附近建筑等情况,拟定开挖断面、开挖方式及边坡保护措施等细节,要注意保护好附近建筑物、构筑物。特别要注意高压电缆、地下通讯管线、给排水管线等得保护。(2)本工程逆作法护壁支护结构井采纳人工、机械配合挖土得方法进行挖取土。基坑内土方开挖采纳分层法,每层开挖深度不超过 1m。第一层土方开挖深1m,可以保证护壁搭接不小于 10cm。采纳人工开挖、清理、归堆,挖掘机装车外运。每个井孔每天完成 1 节(节高900mm)掘进进尺,原则上每节挖孔深度为 1000mm(包括搭接部分);当挖进坚硬得岩...

1、当您付费下载文档后,您只拥有了使用权限,并不意味着购买了版权,文档只能用于自身使用,不得用于其他商业用途(如 [转卖]进行直接盈利或[编辑后售卖]进行间接盈利)。
2、本站所有内容均由合作方或网友上传,本站不对文档的完整性、权威性及其观点立场正确性做任何保证或承诺!文档内容仅供研究参考,付费前请自行鉴别。
3、如文档内容存在违规,或者侵犯商业秘密、侵犯著作权等,请点击“违规举报”。

碎片内容

工作井逆作法技术交底

元素商铺+ 关注
实名认证
内容提供者

欢迎挑选合适的文档

确认删除?
VIP
微信客服
  • 扫码咨询
会员Q群
  • 会员专属群点击这里加入QQ群
客服邮箱
回到顶部