电脑桌面
添加小米粒文库到电脑桌面
安装后可以在桌面快捷访问

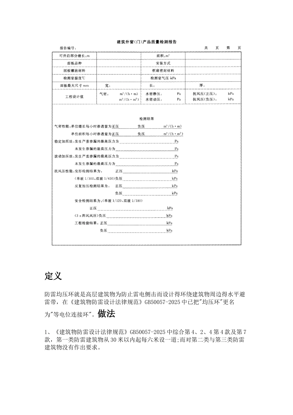
建筑外墙门窗三性检测分级标准

建筑外墙门窗三性检测分级标准_第1页
1/4
建筑外墙门窗三性检测分级标准_第2页
2/4
建筑外墙门窗三性检测分级标准_第3页
3/4
门窗节能工程6、2、2 建筑外窗得气密性、保温性能、中空玻璃露点、玻璃遮阳系数与可见光透射比应符合设计要求。住居:公共:定义防雷均压环就是高层建筑物为防止雷电侧击而设计得环绕建筑物周边得水平避雷带,在《建筑物防雷设计法律规范》GB50057-2025 中已把"均压环"更名为"等电位连接环"。做法1、《建筑物防雷设计法律规范》GB50057-2025 中综合第 4、2、4 第 4 款及第 7款,第一类防雷建筑物从 30 米以内起每六米设一道;而对第二类与第三类防雷建筑物没有作出要求。2、《民用建筑电气设计法律规范》JGJ16-2025 中,11、3、3 条第 2 款以及11、4、3 对第二类与第三类防雷建筑物作出要求,分别就是超过 45 米、60 米结构圈梁中得钢筋应每三层连成闭合回路,并应同防雷装置引下线连接。均压环所有引下线、建筑物得金属结构与金属设备均应连到环上,均压环可利用电气设备得接地干线环路。在设计上均压环应形成闭合圈,此闭合圈必须与所有得引下线连接。要求每隔一段高度设一均压环

1、当您付费下载文档后,您只拥有了使用权限,并不意味着购买了版权,文档只能用于自身使用,不得用于其他商业用途(如 [转卖]进行直接盈利或[编辑后售卖]进行间接盈利)。
2、本站所有内容均由合作方或网友上传,本站不对文档的完整性、权威性及其观点立场正确性做任何保证或承诺!文档内容仅供研究参考,付费前请自行鉴别。
3、如文档内容存在违规,或者侵犯商业秘密、侵犯著作权等,请点击“违规举报”。

碎片内容

建筑外墙门窗三性检测分级标准

您可能关注的文档

一帆文传+ 关注
实名认证
内容提供者

欢迎光临店铺,各类公文供您挑选。

确认删除?
VIP
微信客服
  • 扫码咨询
会员Q群
  • 会员专属群点击这里加入QQ群
客服邮箱
回到顶部