电脑桌面
添加小米粒文库到电脑桌面
安装后可以在桌面快捷访问

施工现场质量保证条件评分表

施工现场质量保证条件评分表_第1页
1/9
施工现场质量保证条件评分表_第2页
2/9
施工现场质量保证条件评分表_第3页
3/9
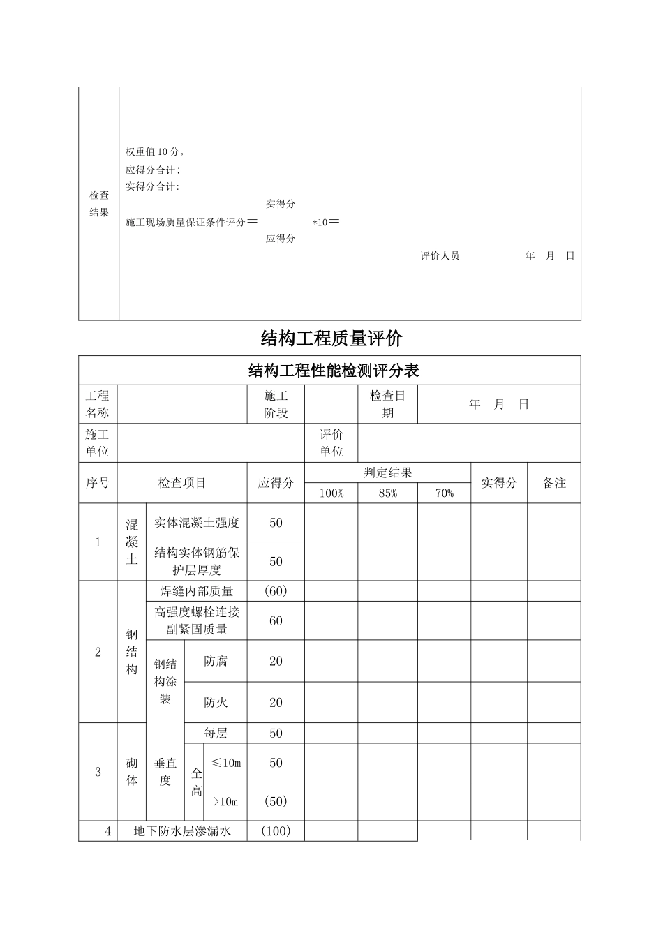
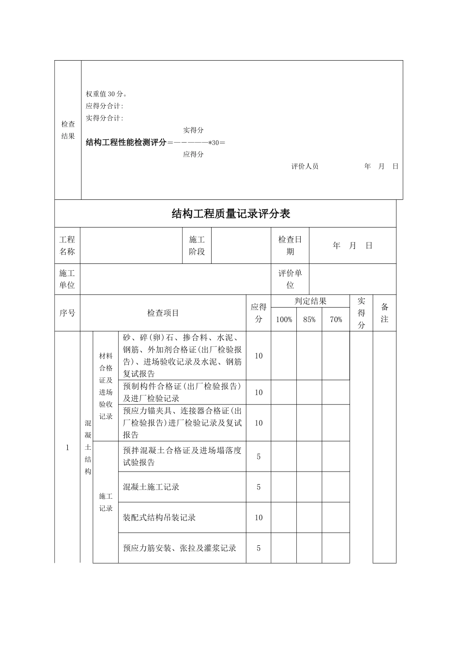
施工现场质量保证条件评分表工程名称 施工阶段 检查日期年 月 日施工单位 评价单位 序号检查项目应得分判定结果实得分备注100%85%70%1施工现场质量管理及质量责任制度现场组织机构、质保体系,材料、设备进场验收制度、抽样检查制度,岗位责任制及奖罚制度30 2施工操作标准及质量验收法律规范配置30 3施工组织设计、施工方案20 4质量目标及措施20 检查结果权重值 10 分。应得分合计:实得分合计: 实得分施工现场质量保证条件评分=————*10=应得分评价人员 年 月 日结构工程质量评价 结构工程性能检测评分表工程名称 施工 阶段 检查日期年 月 日施工单位 评价 单位 序号检查项目应得分判定结果实得分备注100%85%70%1混凝土实体混凝土强度50 结构实体钢筋保护层厚度50 2钢结构焊缝内部质量(60) 高强度螺栓连接副紧固质量60 钢结构涂装防腐20 防火20 3砌体垂直度每层50 全高≤10m50 >10m(50) 4地下防水层滲漏水(100) 检查结果权重值 30 分。应得分合计:实得分合计:实得分结构工程性能检测评分=—-———*30=应得分评价人员 年 月 日 结构工程质量记录评分表工程名称 施工阶段 检查日期年 月 日施工单位 评价单位 序号检查项目应得分判定结果实得分备注100%85%70%1混凝土结构材料合格证及进场验收记录砂、碎(卵)石、掺合料、水泥、钢筋、外加剂合格证(出厂检验报告)、进场验收记录及水泥、钢筋复试报告10 预制构件合格证(出厂检验报告)及进厂检验记录10预应力锚夹具、连接器合格证(出厂检验报告)进厂检验记录及复试报告10施工记录预拌混凝土合格证及进场塌落度试验报告5混凝土施工记录5装配式结构吊装记录10预应力筋安装、张拉及灌浆记录5隐蔽工程验收记录5检验批、分项、分部(子分部)工程质量验收记录10施工试验混凝土配合比试验记录10混凝土试件强度评定及混凝土试件强度试验报告10钢筋连接试验报告10(结构工程质量记录评分表)工程名称 施工阶段 检查日期年 月 日施工单位 评价单位 序号检查项目应得分判定结果实得分备注100%85%70%2钢结构材 料合 格证 及进 场验 收记录钢材、焊材、紧固联接件原材出厂合格证(出厂检验报告)及进场验收记录及钢材、焊材料复试报告10 加工件出厂合格证(出厂检验报告)及进场验收记录10防火、防腐涂装材料出厂合格证(出厂检验报告)及进场验收记录10施 工记录焊接施工记录5构件吊装记录5预拼装检查记录5高强螺栓连接副施工扭矩检验记录5焊缝外观及焊...

1、当您付费下载文档后,您只拥有了使用权限,并不意味着购买了版权,文档只能用于自身使用,不得用于其他商业用途(如 [转卖]进行直接盈利或[编辑后售卖]进行间接盈利)。
2、本站所有内容均由合作方或网友上传,本站不对文档的完整性、权威性及其观点立场正确性做任何保证或承诺!文档内容仅供研究参考,付费前请自行鉴别。
3、如文档内容存在违规,或者侵犯商业秘密、侵犯著作权等,请点击“违规举报”。

碎片内容

施工现场质量保证条件评分表

您可能关注的文档

确认删除?
VIP
微信客服
  • 扫码咨询
会员Q群
  • 会员专属群点击这里加入QQ群
客服邮箱
回到顶部