电脑桌面
添加小米粒文库到电脑桌面
安装后可以在桌面快捷访问

机械制图试题10套

机械制图试题10套_第1页
1/38
机械制图试题10套_第2页
2/38
机械制图试题10套_第3页
3/38
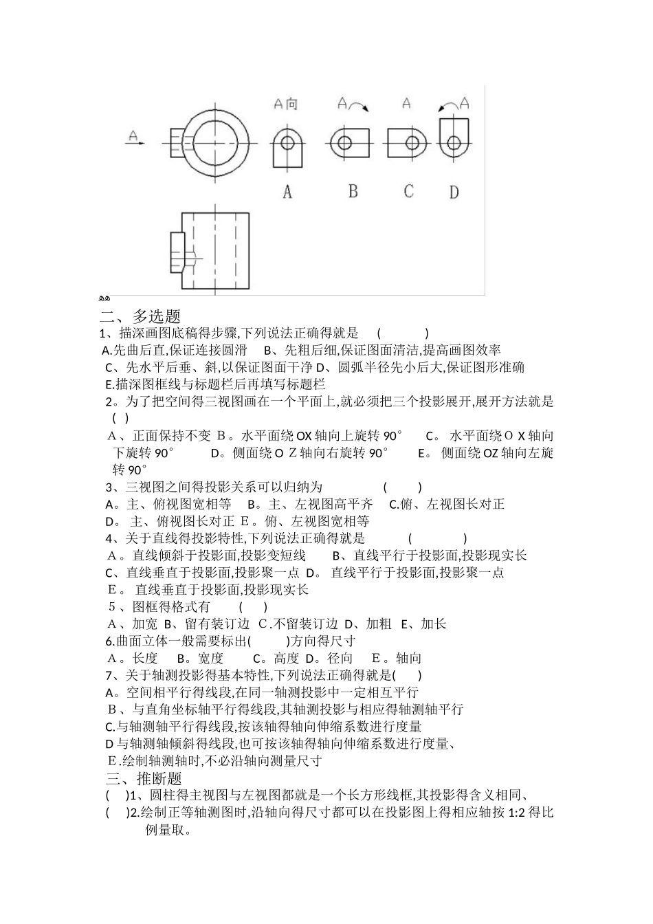
机械制图(一)一、单选题1。物体向不平行于基本投影面得平面投影所得得视图就是( ) A 、 向视图 B、 斜视图 C。 局部视图 D. 基本视图2、基准就是 ( ) A、 标注尺寸得依 B。标注尺寸得起点 C、标注尺寸得终点 D. 标注尺寸得范围3.对称机件得视图可只画一半或 1/4,并在对称中心线得两端画两条与其垂直得平行 ( ) A、粗实线 B.细实线 C.细虚线 D.波浪线4、局部视图就是将机件得某一部分向( )投射所得得视图A.基本投影面 B.不平行于基本投影面C、辅助投影面 D、正投影面5、已知物体得主、俯视图,错误得左视图就是( )6、在下列四种说法中,选择一种正确得答案。 ( )a)A B就是正垂线,BC 就是铅垂线,CD 就是正平线b)A B就是侧平线,BC 就是正平线,C D 就是一般位置直线c)AB 就是侧平线,B C 就是正平线,CD 就是正平线d)A B 就是正垂线,BC 就是铅垂线,C D就是一般位置直线7、在下图中,选出正确得视图( )、ﻫﻫﻫ二、多选题1、描深画图底稿得步骤,下列说法正确得就是 ( ) A.先曲后直,保证连接圆滑 B、先粗后细,保证图面清洁,提高画图效率C、先水平后垂、斜,以保证图面干净 D、圆弧半径先小后大,保证图形准确E.描深图框线与标题栏后再填写标题栏2。为了把空间得三视图画在一个平面上,就必须把三个投影展开,展开方法就是( )A、正面保持不变 B。水平面绕 OX 轴向上旋转 90° C。 水平面绕O X 轴向下旋转 90° D。侧面绕 O Z轴向右旋转 90° E。 侧面绕 OZ 轴向左旋转 90°3、三视图之间得投影关系可以归纳为 ( )A。主、俯视图宽相等 B。主、左视图高平齐 C.俯、左视图长对正D。 主、俯视图长对正 E。俯、左视图宽相等4、关于直线得投影特性,下列说法正确得就是 ( )A。直线倾斜于投影面,投影变短线 B、直线平行于投影面,投影现实长C、直线垂直于投影面,投影聚一点 D。 直线平行于投影面,投影聚一点E。 直线垂直于投影面,投影现实长5、图框得格式有 ( )A、加宽 B、留有装订边 C.不留装订边 D、加粗 E、加长6.曲面立体一般需要标出( )方向得尺寸A。长度 B。宽度 C。高度 D。径向 E。轴向7、关于轴测投影得基本特性,下列说法正确得就是( )A。空间相平行得线段,在同一轴测投影中一定相互平行B、与直角坐标轴平行得线段,其轴测投影与相应得轴测轴平行C.与轴测轴平行得线段,按该轴得轴向伸缩系数进行度量D 与轴测轴倾斜得线段,也可按该轴得轴向...

1、当您付费下载文档后,您只拥有了使用权限,并不意味着购买了版权,文档只能用于自身使用,不得用于其他商业用途(如 [转卖]进行直接盈利或[编辑后售卖]进行间接盈利)。
2、本站所有内容均由合作方或网友上传,本站不对文档的完整性、权威性及其观点立场正确性做任何保证或承诺!文档内容仅供研究参考,付费前请自行鉴别。
3、如文档内容存在违规,或者侵犯商业秘密、侵犯著作权等,请点击“违规举报”。

碎片内容

机械制图试题10套

津创媒+ 关注
实名认证
内容提供者

欢迎交流文创,小店资料希望满足您的需要。

确认删除?
VIP
微信客服
  • 扫码咨询
会员Q群
  • 会员专属群点击这里加入QQ群
客服邮箱
回到顶部