电脑桌面
添加小米粒文库到电脑桌面
安装后可以在桌面快捷访问

桩基施工小结

桩基施工小结_第1页
1/3
桩基施工小结_第2页
2/3
桩基施工小结_第3页
3/3
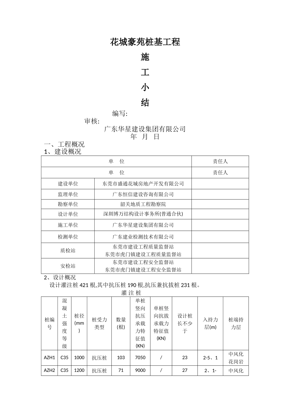
花城豪苑桩基工程施工小结 编写: 审核:广东华星建设集团有限公司年 月 日一、工程概况1、建设概况单 位责任人单 位责任人建设单位东莞市盛通花城房地产开发有限公司监理单位广东恒信建设咨询有限公司勘察单位韶关地质工程勘察院设计单位深圳博万结构设计事务所(普通合伙)施工单位广东华星建设集团有限公司检测单位广东建业检测技术有限公司质检站东莞市建设工程质量监督站东莞市虎门镇建设工程质量监督站安检站东莞市建设工程安全监督站东莞市虎门镇建设工程安全监督站2、设计概况 设计灌注桩 421 根,其中抗压桩 190 根,抗压兼抗拔桩 231 根。 灌 注 桩桩编号混凝土强度等级桩径(mm)桩受力类型数量(根)单桩竖向抗压承载力特征值(KN)单桩竖向抗拔承载力特征值(KN)设计桩长不少于入持力层(m)桩端持力层AZH1C351000抗压桩1037050/232-5、1中风化花岗岩AZH2C351200抗压桩719000/272、1-中风化5、2花岗岩AZH3C351400抗压桩1613000/25、53、6-7、5中风化花岗岩BZH1C351000抗压兼抗拔桩1624300210016强风化花岗岩BZH2C351200抗压兼抗拔桩694300210015强风化花岗岩注:桩总数 421 根。二、施工情况1、施工过程质量控制(1)灌注桩 灌注桩成孔施工过程控制:桩径允许偏差±50mm,垂直度允许偏差为≤1%,沉渣厚度允许偏差≤50mm,1、2、3、4 栋及裙楼灌注桩入中风化花岗岩≥1、5m,7A、7B、7C 栋灌注桩入中风化花岗岩≥2、0m,桩端持力层须经地勘单位人员判定确认。 灌注桩钢筋笼制作与吊装过程控制:钢筋原材需经监理、业主验收,且按法律规范要求送检合格后方可使用;按法律规范及设计要求笼主筋间距允许偏差±10mm、主筋长度允许偏差为±100mm,箍筋间距允许偏差为±20mm,钢筋笼直径允许偏差±10mm,钢筋焊接接头需按法律规范及设计要求错开搭接。钢筋笼吊装过程中,需有专人旁站指挥,对相关人员进行安全教育交底,吊装前检查钢丝绳就是否需要更换,检查吊钩就是否牢固,严格根据相关法律规范要求执行。灌注桩混凝土浇灌过程控制:检查混凝土标号就是否符合设计要求(C35),时间就是否超过初凝时间,测试混凝土坍落度就是否符合设计要求(180~220mm),留置 1 组混凝土试块,单桩超过 50 方得留置 2 组混凝土试块。三、材料使用及见证送检情况 材料材料名称型号规格数量(T))原材送检数量(组)焊接(机械连接)接头(组)试验结果钢筋C25538、25910合格C2065、382/合格C18162、85310合格C8100、522/合格C1029、111/合格试块四、桩基础检测情况工程项目总桩数...

1、当您付费下载文档后,您只拥有了使用权限,并不意味着购买了版权,文档只能用于自身使用,不得用于其他商业用途(如 [转卖]进行直接盈利或[编辑后售卖]进行间接盈利)。
2、本站所有内容均由合作方或网友上传,本站不对文档的完整性、权威性及其观点立场正确性做任何保证或承诺!文档内容仅供研究参考,付费前请自行鉴别。
3、如文档内容存在违规,或者侵犯商业秘密、侵犯著作权等,请点击“违规举报”。

碎片内容

桩基施工小结

确认删除?
VIP
微信客服
  • 扫码咨询
会员Q群
  • 会员专属群点击这里加入QQ群
客服邮箱
回到顶部