电脑桌面
添加小米粒文库到电脑桌面
安装后可以在桌面快捷访问

水利工程质量监督检查记录表汇总表

水利工程质量监督检查记录表汇总表_第1页
1/7
水利工程质量监督检查记录表汇总表_第2页
2/7
水利工程质量监督检查记录表汇总表_第3页
3/7
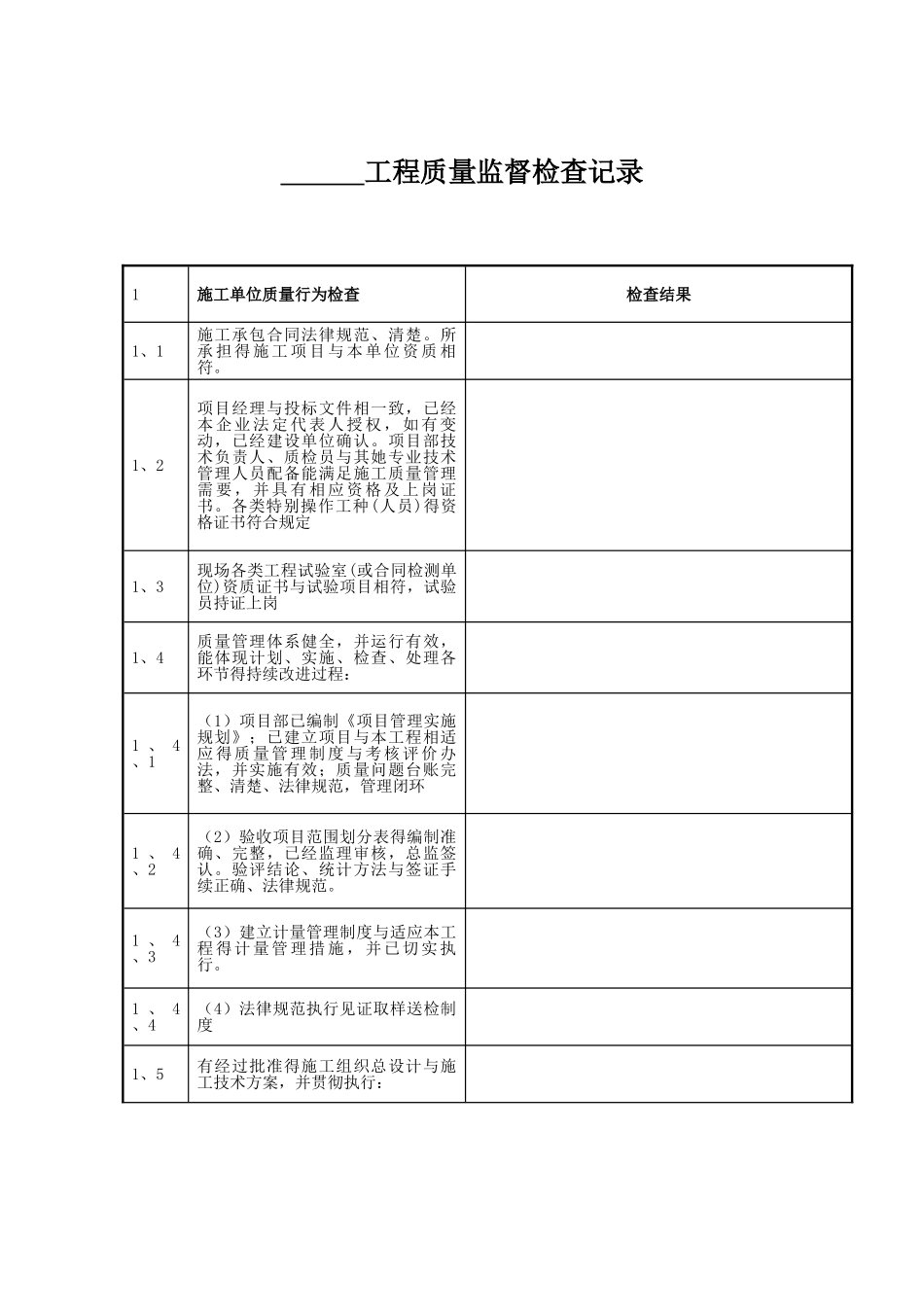
工程质量监督检查记录1施工单位质量行为检查检查结果1、1施工承包合同法律规范、清楚。所承担得施工项目与本单位资质相符。1、2项目经理与投标文件相一致,已经本企业法定代表人授权,如有变动,已经建设单位确认。项目部技术负责人、质检员与其她专业技术管理人员配备能满足施工质量管理需要,并具有相应资格及上岗证书。各类特别操作工种(人员)得资格证书符合规定1、3现场各类工程试验室(或合同检测单位)资质证书与试验项目相符,试验员持证上岗1、4质量管理体系健全,并运行有效,能体现计划、实施、检查、处理各环节得持续改进过程:1 、 4、1(1)项目部已编制《项目管理实施规划》;已建立项目与本工程相适应得质量管理制度与考核评价办法,并实施有效;质量问题台账完整、清楚、法律规范,管理闭环1 、 4、2(2)验收项目范围划分表得编制准确、完整,已经监理审核,总监签认。验评结论、统计方法与签证手续正确、法律规范。1 、 4、3(3)建立计量管理制度与适应本工程得计量管理措施,并已切实执行。1 、 4、4(4)法律规范执行见证取样送检制度1、5有经过批准得施工组织总设计与施工技术方案,并贯彻执行:1 、 5、1(1)施工组织总设计已编制完成并经审批。专业施工组织设计已编制或已制订编制计划。施工组织设计能切实贯彻实施。1 、 5、2(2)施工技术措施或作业指导书内容充实,可操作性强,审批手续完备。技术交底制度健全并仔细实施,交底与被交底各方签字记录法律规范1、6施工图会检记录齐全、签证有效,实施过程闭环1、7设计变更、技术洽商等管理制度健全,签证及时、齐全,实施过程闭环1、8技术档案管理制度健全,档案管理人员到位工作。1、9物资管理制度健全,并有效实施:1 、 9、1(1)合格供货商名录与合格分承包商名录齐全;1 、 9、2(2)原材料、成品、半成品与设备采购、保管、复试、发放制度健全,主要材料跟踪管理台账法律规范。1、10工程项目得分包制度完善,无违法分包或转包行为。分包单位资质符合规定要求。2.技术文件与资料监督检查序号核查内容检查结果2、1主要施工技术资料2、1、1反映工程建设各责任主体得质量行为与工程建设《强制性条文》执行情况得资料2、1、2反映工程地基、基础、主体结构安全与使用功能得资料2、1、3结合工程特点,认为有必要重点抽查、随机核实得资料2、1、4施工组织总设计与专业施工组织设计2、1、5施工技术措施或作业指导书2、1、6单位工程开工报告2、1、7设计变更...

1、当您付费下载文档后,您只拥有了使用权限,并不意味着购买了版权,文档只能用于自身使用,不得用于其他商业用途(如 [转卖]进行直接盈利或[编辑后售卖]进行间接盈利)。
2、本站所有内容均由合作方或网友上传,本站不对文档的完整性、权威性及其观点立场正确性做任何保证或承诺!文档内容仅供研究参考,付费前请自行鉴别。
3、如文档内容存在违规,或者侵犯商业秘密、侵犯著作权等,请点击“违规举报”。

碎片内容

水利工程质量监督检查记录表汇总表

确认删除?
VIP
微信客服
  • 扫码咨询
会员Q群
  • 会员专属群点击这里加入QQ群
客服邮箱
回到顶部