电脑桌面
添加小米粒文库到电脑桌面
安装后可以在桌面快捷访问

沥青路面设计实例

沥青路面设计实例_第1页
1/7
沥青路面设计实例_第2页
2/7
沥青路面设计实例_第3页
3/7
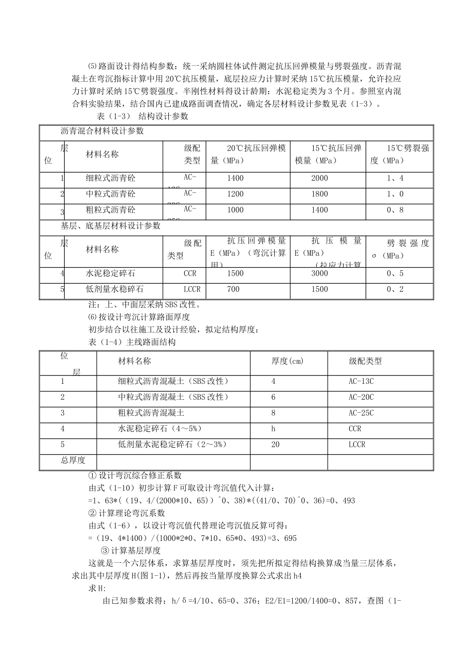
【例 11、1】新建路面设计实例本例为安徽境内某条高速公路,整体式路基宽度为 28、0m,设计车速 120km。⑴ 设计交通量:设计使用年限 15 年,根据交通量预测资料,考虑车型进展趋势及经济进展对交通量增长得影响,交通量平均年增长率预测结果如表 1-1。 表(1-1) 设计年限内交通量平均年增长率表路段/年份20252025202520302034平均增长率--7、28%6、61%4、77%4、02%根据现场 OD 调查及交通量预测结果,本项目代表车辆及通车后第一年交通量预测结果如下表(1-2)所示。表(1-2) 代表车型及预测交通量表货车类型代表车型前 轴轴重(kN)后 轴轴重(kN)后轴轴数后 轴 轮 组数交通量(辆/日)小客江淮AL66001726、51双轮组3220大客黄海DD640 32701双轮组600中货解放CA34022、156、61双轮组1700中货东风DD347 24、068、11双轮组3700大货东风EQ14425、770、12双轮组4700拖挂车解放SP920031、3783双轮组3500⑵ 设计累计轴次及设计弯沉根据预测交通量资料及代表车型,根据=7068Ne=[(1+r)t-1]×365×N1×η/r=2、×107 将各级轴载换算为标准轴载 100KN,15 年内一个车道上得累计当量轴次为 2494 万次。设计弯沉:Ld=600×Ne-0、2×Ac×As×Ab=19、4 (0、01mm)根 据 累 计 当 量 轴 次 , 本 项 目 设 计 交 通 等 级 为 特 重 交 通 等 级 , 路 面 设 计 弯 沉19、4(0、01mm)。若以半刚性层底拉应力为验算指标时=2494Ne=[(1+r)t-1]×365×N1×η/r = ⑶ 路基土干湿类型:根据项目所处地区已有得设计经验及查表综合考虑得出路基临界高度,参考外业中调查得地下水位,确定了路基得最小填土高度来保证路基在不利季节处于干燥或中湿状态。⑷ 土基回弹模量:根据法律规范,全线属于Ⅳ 5 自然区划,结合沿线地质情况确定土基回弹模量 E0。经过清表回填、碾压,并根据《公路沥青路面设计法律规范》JTG D50-2025 要求,保证上路床 30cm,填料 CBR 值不小于 8,下路床 50cm 填料 CBR 值不小于 5,上路床压实度不小于96%;交通量等级为重型时应保证土基回弹模量>40MPa,故本条道路土基回弹模量取41、0MPa。施工过程中,应根据不同路段对路床土进行试验,若土基抗压回弹模量不符合设计要求时,可局部采纳补压、固化处理、换填等措施,或调整底基层结构或厚度,以保证路基路面得强度与稳定性。⑸ 路面设计得结构参数:统一采纳圆柱体试件测定抗压回弹模量与劈裂强度。沥...

1、当您付费下载文档后,您只拥有了使用权限,并不意味着购买了版权,文档只能用于自身使用,不得用于其他商业用途(如 [转卖]进行直接盈利或[编辑后售卖]进行间接盈利)。
2、本站所有内容均由合作方或网友上传,本站不对文档的完整性、权威性及其观点立场正确性做任何保证或承诺!文档内容仅供研究参考,付费前请自行鉴别。
3、如文档内容存在违规,或者侵犯商业秘密、侵犯著作权等,请点击“违规举报”。

碎片内容

沥青路面设计实例

您可能关注的文档

确认删除?
VIP
微信客服
  • 扫码咨询
会员Q群
  • 会员专属群点击这里加入QQ群
客服邮箱
回到顶部