电脑桌面
添加小米粒文库到电脑桌面
安装后可以在桌面快捷访问

煤炭建设工程费用定额及造价管理有关规定

煤炭建设工程费用定额及造价管理有关规定_第1页
1/12
煤炭建设工程费用定额及造价管理有关规定_第2页
2/12
煤炭建设工程费用定额及造价管理有关规定_第3页
3/12
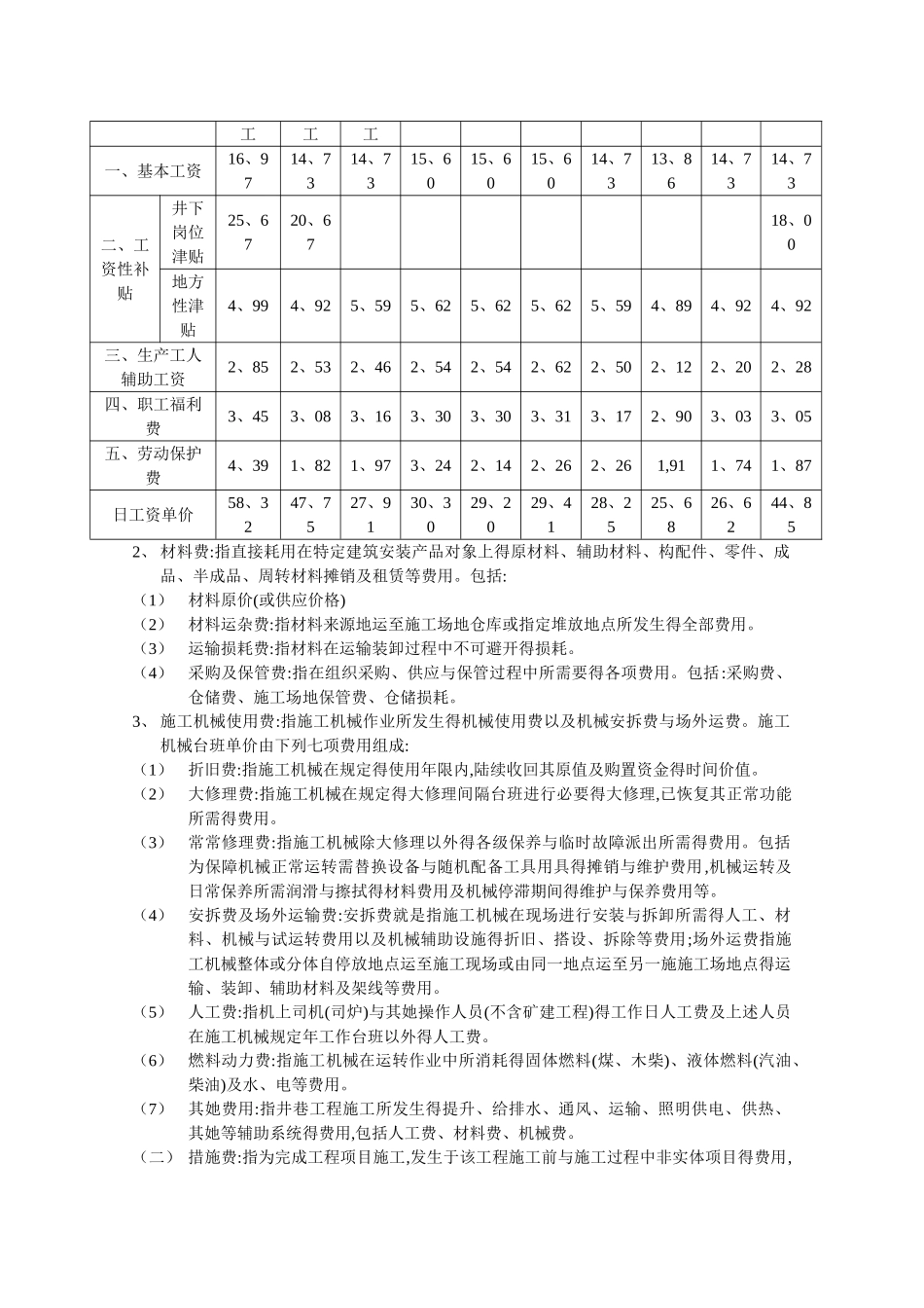
煤炭建设工程费用定额地区类别划分如下一类地区:黑龙江、吉林、辽宁、内蒙古、宁夏、青海、新疆、甘肃、西藏及山西雁北地区、陕西陕北地区(含延安与榆林地区)二类地区:山西(不含雁北地区)、陕西(不含陕北地区)、山东、河南、河北、云南、贵州、四川、重庆、北京、天津。三类地区:江苏、安徽、浙江、江西、湖南、湖北、福建、广东、广西、海南、上海。第二章 费用项目组成及内容煤炭建筑安装工程费用由直接费、间接费、利润、税金组成。一、直接费由直接工程费与措施费组成。(一) 直接工程费:指施工过程中消耗得构成工程实体得各项费用以及有助于工程实体形成得井巷工程辅助费、特别凿井工程费用。包括人工费、材料费、施工机械使用费。1、 人工费:指直接从事建筑安装施工得生产工人开支得各项费用。包括:(1)基本工资:指发放给生产工人得基本工资。(2)工资性补贴:指按规定范围与标准发放得煤炭井下艰苦岗位津贴以及流动施工津贴,物价补贴,煤、燃气补贴,交通补贴,住房补贴等地方性特别津贴。(3)生产工人辅助工资:指生产工人年有效施工天数以外非作业天数得工资。包括职工学习、培训期间得工资,调动工作、探亲、休假期间得工资,因气候影响得停工工资,女工哺乳时间得工资,病假在六个月以内得工资及产、婚、丧假期得工资。(4)职工福利费:指按规定标准计提得职工福利费。(5)生产工人劳动保护费:指按规定发放生产工人得劳动保护用品得购置及修理费,徒工服装补贴,防暑降温费,井下生产工人保健费,生产工人洗澡、饮用费用及职业病防治费用等。各工种劳动保护费单价根据工程所在地区类别按下表选用。生产工人劳动保护费单价表单位:元/工日工程类别工种地区类别一类二类三类井巷工程井下直接工4、394、394、39井下辅助工1、821、821、82地面辅助工2、141、971、72特凿工程冻结工3、403、242、98其她工2、292、141、87露天剥离工程综合工2、412、261、99土建工程综合工2、081、911、66井下工1、871、871、87安装工程地面工1、881、741、48(6) 煤炭定额(统一基价)工资单价见下表。煤炭定额(统一基价)工资单价表 单位:元/工日项目井巷特别凿井露天剥离土建安装井下直接井下辅助地面辅助冻结工其她工直接工辅助工综合工地面工井下工工工工一、基本工资16、9714、7314、7315、6015、6015、6014、7313、8614、7314、73二、工资性补贴井下岗位津贴25、6720、6718、00地方性津贴4、994、925、595、625、625、625、594、894、924、92三、生产工人辅助工...

1、当您付费下载文档后,您只拥有了使用权限,并不意味着购买了版权,文档只能用于自身使用,不得用于其他商业用途(如 [转卖]进行直接盈利或[编辑后售卖]进行间接盈利)。
2、本站所有内容均由合作方或网友上传,本站不对文档的完整性、权威性及其观点立场正确性做任何保证或承诺!文档内容仅供研究参考,付费前请自行鉴别。
3、如文档内容存在违规,或者侵犯商业秘密、侵犯著作权等,请点击“违规举报”。

碎片内容

煤炭建设工程费用定额及造价管理有关规定

您可能关注的文档

确认删除?
VIP
微信客服
  • 扫码咨询
会员Q群
  • 会员专属群点击这里加入QQ群
客服邮箱
回到顶部