电脑桌面
添加小米粒文库到电脑桌面
安装后可以在桌面快捷访问

电梯无脚手架安装方法

电梯无脚手架安装方法_第1页
1/5
电梯无脚手架安装方法_第2页
2/5
电梯无脚手架安装方法_第3页
3/5
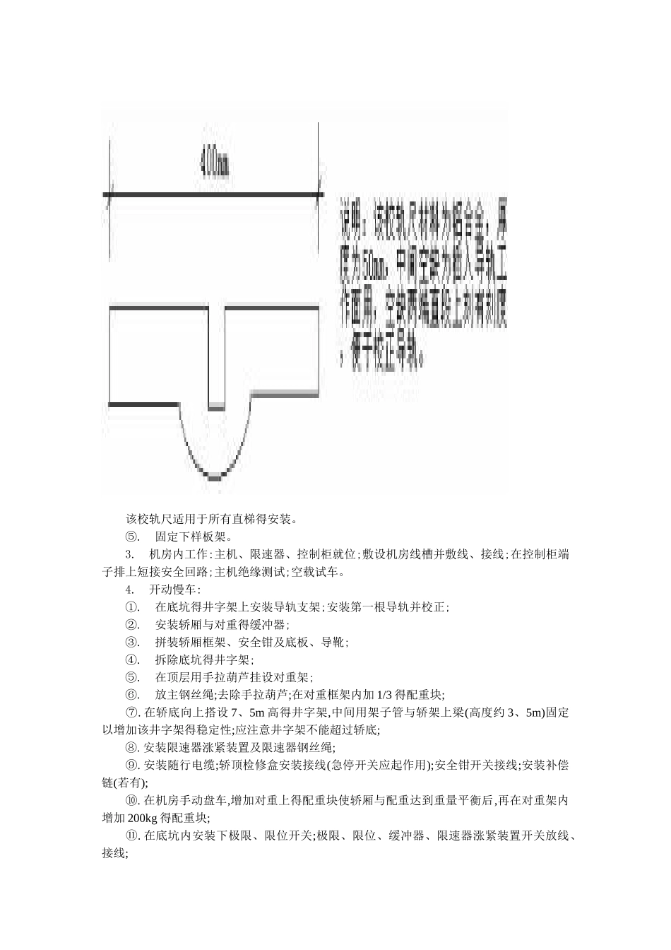
电梯无脚手架安装方法随着电梯市场竞争得不断激烈,电梯生产厂在电梯安装方面也在考虑降低成本,提高效率,现在,大多数电梯生产厂已同意在安装过程中动慢车进行电梯得安装,这就给电梯自导式安装提供了前提条件。 电梯一般以 1T 得载重量居多,平均层站为 15 层,以下以 1T、15 层站得电梯安装为例。 工法特点: 电梯自导式安装为主要利用电梯自身得主机及轿厢进行电梯得安装得工法,而在安装过程中不借助其它运输工具及交通工具。 故电梯自导式安装方法有如下优点: 一. 简单易行 由于该安装方法均采纳电梯自身得部件,只就是改变了电梯安装得一般程序,而同一般电梯安装方法比较没有增加新得安装工程量,故区别于一般得采纳吊篮得电梯安装方式。 二. 降低了电梯安装得工程成本 用自导式安装方法比用通常电梯安装方法安装一台电梯得费用节约超过 7000 元。而一台电梯得安装费用通常为 18000 元左右。这将在以后得效益分析中进行阐述。 三. 提高施工效率 由于电梯自导式安装在电梯安装施工中使用电力拖动完成电梯安装得绝大部分得工作,故而节约了电梯配件搬运得时间与人工,最大程度地提高了电梯安装得施工效率。 电梯自导式安装方法减少了小工得使用,更多得强调了安装工人得个人安装能力,故该方法将引导电梯得安装企业由原先得劳动密集型向电梯安装得技术型方向进展。 四. 提高了安全性 1. 电梯自导式安装工法得上样板架架设由通常得在井道顶部架设改为在机房架设。由于就是在机房地坪上架设,避开了上样板架在井道顶部架设时得高空作业; 2. 一般电梯中,安装井道部件(如导轨支架、导轨、厅门等)时电梯安装工人就是站在脚手架上进行安装得,危险性较大。而电梯自导式安装方法中安装井道部件时安装工人就是站在有充分得安全保护电梯轿厢厢体上安装得,电梯轿厢得安全保护如下: ①、 在轿厢上搭设脚手架并相应地增加护栏,以保证电梯在运行过程中轿厢以外得物体对安装工人得损害; ②、 在整个安装过程中,安全钳及限速器起超速保护得作用; ③、 在整个安装过程中,下限位、轿厢缓冲器及对重缓冲器开关起极限运行位置电气保护作用; ④、 在整个安装过程中,轿厢缓冲器及对重缓冲器起极限位置缓冲作用; 适用范围 电梯自导式安装工法适用于所有直梯得安装,电梯层站数越高,该工法得优点越突出。施工工艺流程及操作要点 一. 施工工艺流程 1. 准备工作 ①. 在电梯井道得土建施工过程中,在与顶层地坪同一标高处得门洞墙面上及对面...

1、当您付费下载文档后,您只拥有了使用权限,并不意味着购买了版权,文档只能用于自身使用,不得用于其他商业用途(如 [转卖]进行直接盈利或[编辑后售卖]进行间接盈利)。
2、本站所有内容均由合作方或网友上传,本站不对文档的完整性、权威性及其观点立场正确性做任何保证或承诺!文档内容仅供研究参考,付费前请自行鉴别。
3、如文档内容存在违规,或者侵犯商业秘密、侵犯著作权等,请点击“违规举报”。

碎片内容

电梯无脚手架安装方法

文森传品+ 关注
实名认证
内容提供者

一家传播文化教育的小店,资料丰富,随意挑选。

相关文档

确认删除?
VIP
微信客服
  • 扫码咨询
会员Q群
  • 会员专属群点击这里加入QQ群
客服邮箱
回到顶部