电脑桌面
添加小米粒文库到电脑桌面
安装后可以在桌面快捷访问

电气绝缘电阻测试记录

电气绝缘电阻测试记录_第1页
1/5
电气绝缘电阻测试记录_第2页
2/5
电气绝缘电阻测试记录_第3页
3/5
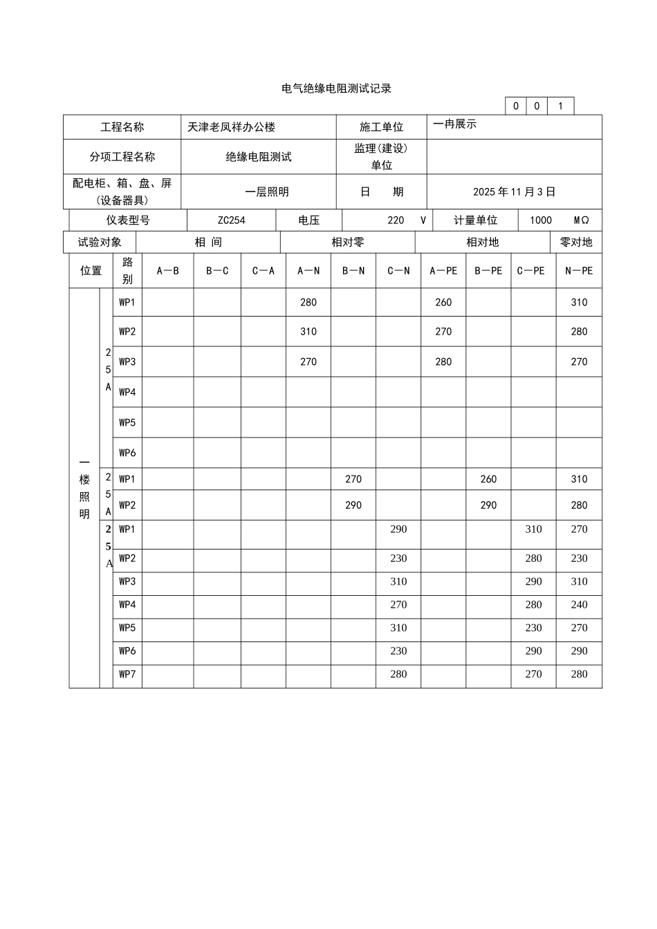
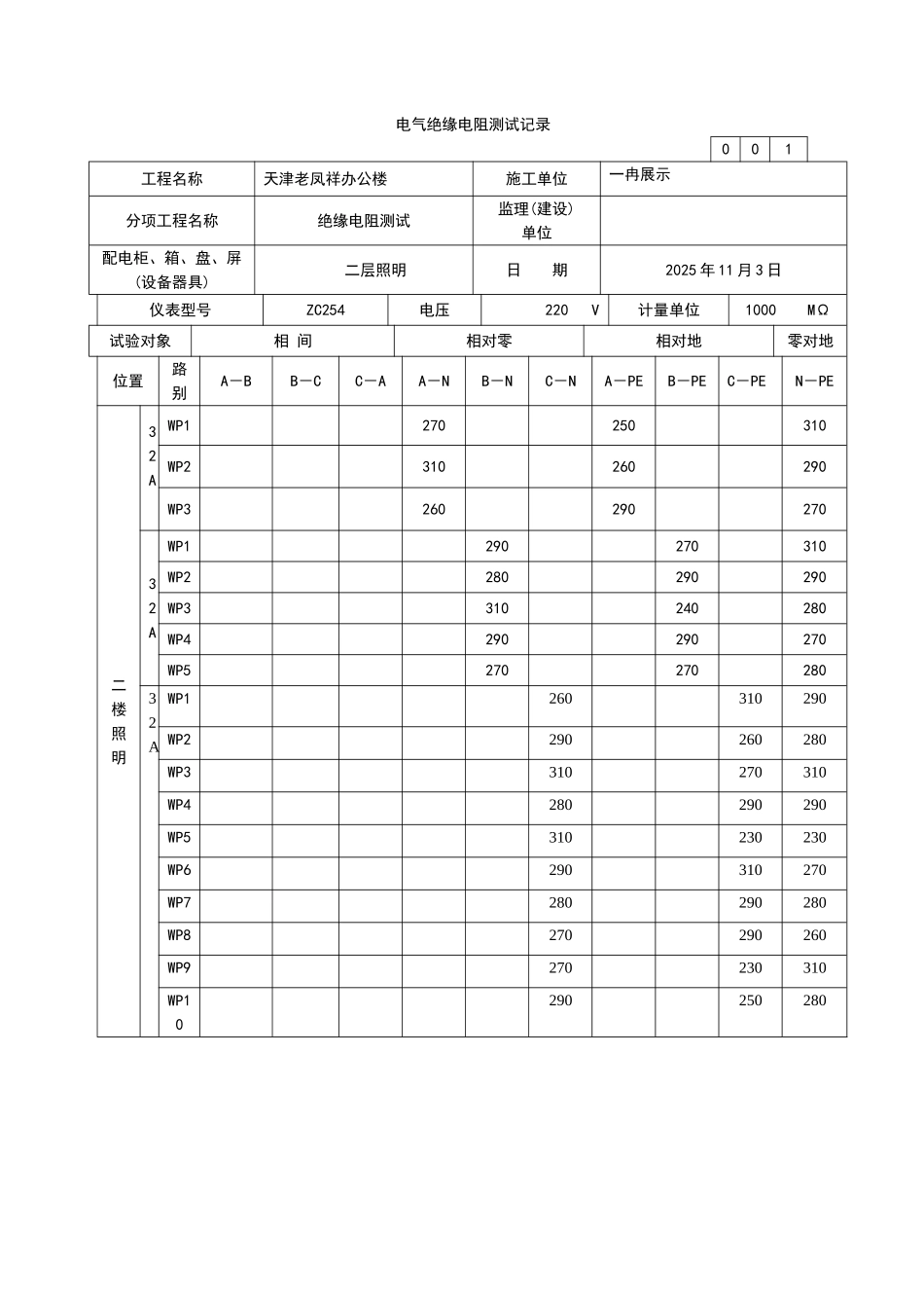
电气绝缘电阻测试记录001工程名称天津老凤祥办公楼 施工单位一冉展示 分项工程名称绝缘电阻测试监理(建设)单位配电柜、箱、盘、屏(设备器具) 三层照明 日 期2025 年 11 月 3 日仪表型号ZC254电压 220 V计量单位1000 MΩ试验对象相 间相对零相对地零对地位置路别A-BB-CC-AA-NB-NC-NA-PEB-PEC-PEN-PE 三楼照明25AWP1260230290WP2310230290WP3260260260WP4280280260WP5260230290WP6310260290WP7260230290WP831026029032AWP1280280260WP2260230290WP3310260290WP4260290260WP5260260290WP6260290290WP729031029032AWP1260310280WP2290260290鲁 DQ-021电气绝缘电阻测试记录001工程名称天津老凤祥办公楼 施工单位一冉展示 分项工程名称绝缘电阻测试监理(建设)单位配电柜、箱、盘、屏(设备器具) 二层照明 日 期2025 年 11 月 3 日仪表型号ZC254电压 220 V计量单位1000 MΩ试验对象相 间相对零相对地零对地位置路别A-BB-CC-AA-NB-NC-NA-PEB-PEC-PEN-PE二楼照明32AWP1270250310WP2310260290WP326029027032AWP1290270310WP2280290290WP3310240280WP4290290270WP527027028032AWP1260310290WP2290260280WP3310270310WP4280290290WP5310230230WP6290310270WP7280290280WP8270290260WP9270230310WP10290250280电气绝缘电阻测试记录001工程名称天津老凤祥办公楼 施工单位一冉展示 分项工程名称绝缘电阻测试监理(建设)单位配电柜、箱、盘、屏(设备器具) 一层照明 日 期2025 年 11 月 3 日仪表型号ZC254电压 220 V计量单位1000 MΩ试验对象相 间相对零相对地零对地位置路别A-BB-CC-AA-NB-NC-NA-PEB-PEC-PEN-PE一楼照明25AWP1280260310WP2310270280WP3270280270WP4WP5WP625AWP1270260310WP229029028025AWP1290310270WP2230280230WP3310290310WP4270280240WP5310230270WP6230290290WP7280270280电气绝缘电阻测试记录001工程名称天津老凤祥办公楼 施工单位一冉展示 分项工程名称绝缘电阻测试监理(建设)单位配电柜、箱、盘、屏(设备器具) 一层照明 日 期2025 年 11 月 3 日仪表型号ZC254电压 220 V计量单位1000 MΩ试验对象相 间相对零相对地零对地位置路别A-BB-CC-AA-NB-NC-NA-PEB-PEC-PEN-PE一楼照明40AWP1280260310WP2310270280WP3270280270WP4230280270WP5310290290WP6270280280WP7270260WP8290290280WP9310270270WP10280270230WP11290290310WP12280280240WP13...

1、当您付费下载文档后,您只拥有了使用权限,并不意味着购买了版权,文档只能用于自身使用,不得用于其他商业用途(如 [转卖]进行直接盈利或[编辑后售卖]进行间接盈利)。
2、本站所有内容均由合作方或网友上传,本站不对文档的完整性、权威性及其观点立场正确性做任何保证或承诺!文档内容仅供研究参考,付费前请自行鉴别。
3、如文档内容存在违规,或者侵犯商业秘密、侵犯著作权等,请点击“违规举报”。

碎片内容

电气绝缘电阻测试记录

人从众+ 关注
实名认证
内容提供者

欢迎光临小店,本店以公文和教育为主,希望符合您的需求。

确认删除?
VIP
微信客服
  • 扫码咨询
会员Q群
  • 会员专属群点击这里加入QQ群
客服邮箱
回到顶部