电脑桌面
添加小米粒文库到电脑桌面
安装后可以在桌面快捷访问

电气设备点检内容

电气设备点检内容_第1页
1/7
电气设备点检内容_第2页
2/7
电气设备点检内容_第3页
3/7
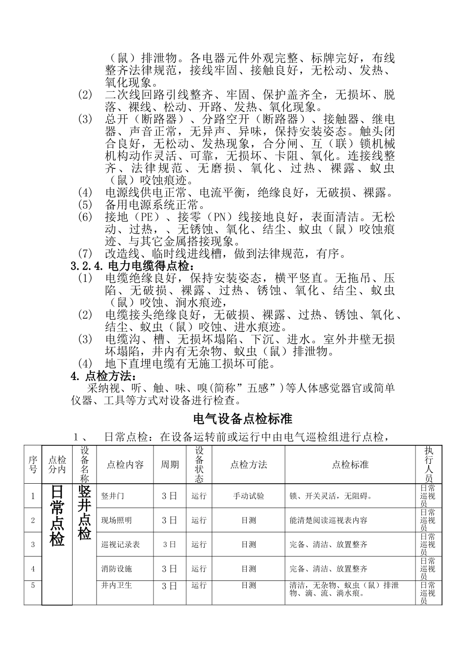
电气设备点检内容1. 目得设备点检就是设备管理得一项基本工作,目得就是通过点检准确掌握设备技术状况,维持与改善设备工作性能,预防事故发生,减少停机时间,延长设备寿命,降低设备维修费用,保证生产正常进行。2. 点检实施内容2.1.根据设备分类,制定详细得点检周期、点检内容。2.2.根据设备分类,制定设备卫生清扫周期及清扫标准。2.3.对点检得设备详细记录部位、运行情况,对发现得异常情况详细记录故障情况、处理过程、更换器件型号、种类、件数。2.4.点检工具、检测工具要携带。2.5.对点检中发现得问题及时处理,无法处理得问题,要及时汇报。2.6.除做好点检记录外,日常检修也应详细记录。3. 点检内容及周期:3.1. 公共点检内容:3.1.1. 对所辖区域内得设备进行点检,查瞧巡视记录,收集设备运行状况并进行分析,掌握机件得劣化程度。3.1.2. 根据点检情况,提出预防、改善设备性能得意见。3.2.竖井、盘柜、线路、仪表点检(每周一次):3.2.1.供电系统竖井点检:(1)门就是否完好,开关灵活,无阻碍。(2)现场照明良好。(3)竖井内巡视记录表就是否完备、清洁、放置整齐、日常记录完整、法律规范、新旧表格及时更换、收回。(4)消防设施就是否起齐备。(5)井内卫生清洁,无杂物、蚁虫(鼠)排泄物、滴、流、淌水痕。(6)井内各类电源电缆、电线布线整齐、法律规范、无磨损、虫(鼠)咬痕迹、过热、氧化、裸露。(7)井内外敷电缆桥架、管线等外观完好,槽盖板齐全、垂直水平、无拖吊、压陷、导线裸露、保持安装姿态。表面清洁、无锈蚀、结尘、杂物、蚁虫(鼠)排泄物。(8)其她附属设施状况得正常。3.2.2.配电柜(箱)外观点检:(1)外观完好、清洁、无锈蚀现象。(2)柜内、柜顶无结尘、杂物、蚁虫(鼠)排泄物。(3)门锁(门扣)、仪表、按钮、信号显示(指示)系统完好正常,无缺失损坏。(4)仪表显示准确,画线正常清楚,按钮开关灵活可靠。保持安装姿态,横平竖直。(5)(5)附属设备齐全、完好。3.2.3.盘柜(箱)内点检:(1)盘柜(箱)内设备内外清洁,无结尘、杂物、蚁虫(鼠)排泄物。各电器元件外观完整、标牌完好,布线整齐法律规范,接线牢固、接触良好,无松动、发热、氧化现象。(2)二次线回路引线整齐、牢固、保护盖齐全,无损坏、脱落、裸线、松动、开路、发热、氧化现象。(3)总开(断路器)、分路空开(断路器)、接触器、继电器、声音正常,无异声、异味,保持安装姿态。触头闭合良好,无松动、发热现象,合分闸、互(联)锁机械机构...

1、当您付费下载文档后,您只拥有了使用权限,并不意味着购买了版权,文档只能用于自身使用,不得用于其他商业用途(如 [转卖]进行直接盈利或[编辑后售卖]进行间接盈利)。
2、本站所有内容均由合作方或网友上传,本站不对文档的完整性、权威性及其观点立场正确性做任何保证或承诺!文档内容仅供研究参考,付费前请自行鉴别。
3、如文档内容存在违规,或者侵犯商业秘密、侵犯著作权等,请点击“违规举报”。

碎片内容

电气设备点检内容

您可能关注的文档

确认删除?
VIP
微信客服
  • 扫码咨询
会员Q群
  • 会员专属群点击这里加入QQ群
客服邮箱
回到顶部