电脑桌面
添加小米粒文库到电脑桌面
安装后可以在桌面快捷访问

监理单位平安工地自查考核评价表

监理单位平安工地自查考核评价表_第1页
1/18
监理单位平安工地自查考核评价表_第2页
2/18
监理单位平安工地自查考核评价表_第3页
3/18
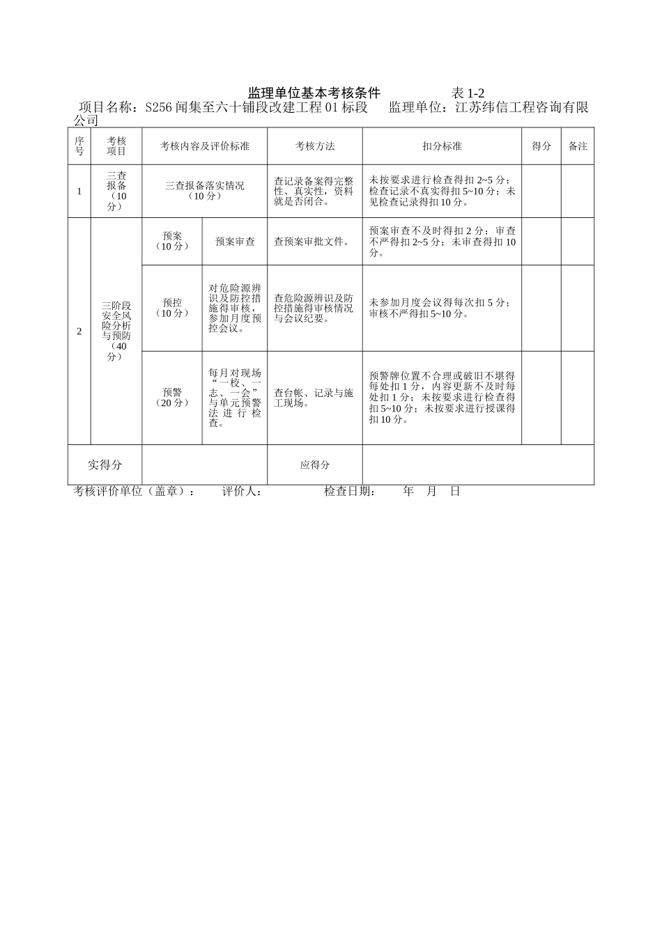
监理单位基本考核条件 表 1-2项目名称:S256 闻集至六十铺段改建工程 01 标段 监理单位:江苏纬信工程咨询有限公司序 号考核项目考核内容及评价标准考核方法扣分标准得分备注1三查报备(10分)三查报备落实情况(10 分)查记录备案得完整性、真实性,资料就是否闭合。未按要求进行检查得扣 2~5 分;检查记录不真实得扣 5~10 分;未见检查记录得扣 10 分。2三阶段安全风险分析与预防(40分)预案(10 分)预案审查查预案审批文件。预案审查不及时得扣 2 分;审查不严得扣 2~5 分;未审查得扣 10分。预控(10 分)对危险源辨识及防控措施得审核,参加月度预控会议。查危险源辨识及防控措施得审核情况与会议纪要。未参加月度会议得每次扣 5 分;审核不严得扣 5~10 分。预警(20 分)每月对现场“一校、一志、一会”与单元预警法 进 行 检查。查台帐、记录与施工现场。预警牌位置不合理或破旧不堪得每处扣 1 分,内容更新不及时每处扣 1 分;未按要求进行检查得扣 5~10 分;未按要求进行授课得扣 10 分。实得分应得分考核评价单位(盖章): 评价人: 检查日期: 年 月 日 监理单位考核评价表(140 分) 表 6项目名称:S256 闻集至六十铺段改建工程 合同段:01 标段 监理单位名称:江苏纬信工程咨询有限公司序号类别考核项目考核内容及评价标准考核评价方法扣分标准得分备注1责任落实(15分)1 、 1 岗位职责(5 分)明确总监、总监代表、副总监、专业监理工程师与监理员得安全岗位职责。逐级签订安全生产责任书。查文件。无岗位职责,扣 5 分。岗位职责缺项,发现一项扣 1分。责任针对性不强,扣 2-3 分。未逐级签订安全生产责任书,扣 3 分。1 、 2 规章制度(5 分)建立会议、检查、专项经费审批、隐患督促整改、危险性较大工程方案审查、特种设备复查、应急管理、事故报送等工作制度。查文件。制度少一项,扣 2 分。制 度 针 对 性 不 强 、 可 操 作 性差,扣 1-3 分。1 、 3 安全监理规(计)划(5 分)编写安全监理规(计)划,且经批准。查文件未见行文,扣 5 分。安全监理规(计)划针对性不强,扣 1-3 分。2审 查审 批(30分)2 、 1 施工组织设计 ( 5分)对施工组织设计中得安全管理措施进行审查、审批。查文件。未 审 查 施 工 组 织 设 计 , 扣 5分。未仔细或未及时审查,扣 2-4分。2、2 专项施工方案(10分)对危险性较大工...

1、当您付费下载文档后,您只拥有了使用权限,并不意味着购买了版权,文档只能用于自身使用,不得用于其他商业用途(如 [转卖]进行直接盈利或[编辑后售卖]进行间接盈利)。
2、本站所有内容均由合作方或网友上传,本站不对文档的完整性、权威性及其观点立场正确性做任何保证或承诺!文档内容仅供研究参考,付费前请自行鉴别。
3、如文档内容存在违规,或者侵犯商业秘密、侵犯著作权等,请点击“违规举报”。

碎片内容

监理单位平安工地自查考核评价表

确认删除?
VIP
微信客服
  • 扫码咨询
会员Q群
  • 会员专属群点击这里加入QQ群
客服邮箱
回到顶部