电脑桌面
添加小米粒文库到电脑桌面
安装后可以在桌面快捷访问

石油化工电气施工方案

石油化工电气施工方案_第1页
1/10
石油化工电气施工方案_第2页
2/10
石油化工电气施工方案_第3页
3/10
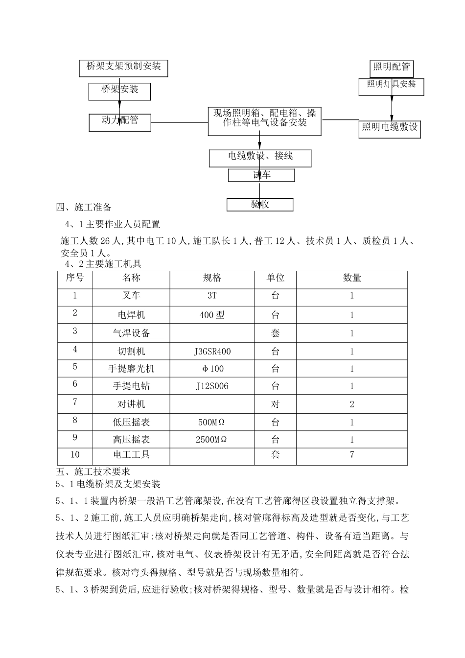
目 录一、工程概况…………………………………………………………………………………2二、编制依据…………………………………………………………………………………2三、施工程序…………………………………………………………………………………2四、施工准备…………………………………………………………………………………3五、施工技术要求……………………………………………………………………………4六、质量保证措施……………………………………………………………………………8七、进度保证措施……………………………………………………………………………9八、HSE 施工保证措施………………………………………………………………………10九、施工过程危险性分析(JHA 分析表) ……………………………………………………11附 施工进度网络计划……………………………………………………………………12一、工程概况1、1 本方案针对 BID 装置区照明、桥架安装、电缆敷设等施工内容而编制。1、2 本装置内设备包括:防爆公路灯 13 套、护栏式防爆免维护电磁感应灯 829 套、壁式防爆免维护电磁感应灯 300 套、吸顶式防爆免维护电磁感应灯 26 套、法兰式防爆免维护电磁感应灯 2 套、防爆航空障碍灯 3 套、防爆照明配电箱 11 台、防爆检修电源箱 4 台、防爆配电箱 1 台、防爆操作柱 138 套。1、3 本装置变电所内主要材料包括:梯级式大跨距铝合金电缆桥架 3520 米、镀锌钢管共 28074 米、镀锌槽钢共 1580 米、镀锌角钢共 1500 米、动力电缆共 38752 米、控制电缆共 29515 米。二、编制依据1、江苏斯尔邦石化醇基多联产项目一期工程 BID 装置安装合同2、中国石化工程建设有限公司丁二烯电气设计图纸3、斯尔邦石化有限公司《项目管理手册及程序》、《项目管理规定》及其她项目管理文件。4、《电气装置安装工程爆炸与火灾危险环境电气装置施工及验收法律规范》GB50257965、《石油化工施工安全技术规程》SH350519996、《电气装置安装工程电缆线路施工及验收法律规范》GB5016820257、《电气装置安装工程旋转电机施工及验收法律规范》GB5017020258、《电气安装工程电气照明装置施工及验收法律规范》GB5025920259、《施工现场临时用电安全技术法律规范》JGJ462025三、施工程序施工准备四、施工准备 4、1 主要作业人员配置施工人数 26 人,其中电工 10 人,施工队长 1 人,普工 12 人、技术员 1 ...

1、当您付费下载文档后,您只拥有了使用权限,并不意味着购买了版权,文档只能用于自身使用,不得用于其他商业用途(如 [转卖]进行直接盈利或[编辑后售卖]进行间接盈利)。
2、本站所有内容均由合作方或网友上传,本站不对文档的完整性、权威性及其观点立场正确性做任何保证或承诺!文档内容仅供研究参考,付费前请自行鉴别。
3、如文档内容存在违规,或者侵犯商业秘密、侵犯著作权等,请点击“违规举报”。

碎片内容

石油化工电气施工方案

人从众+ 关注
实名认证
内容提供者

欢迎光临小店,本店以公文和教育为主,希望符合您的需求。

确认删除?
VIP
微信客服
  • 扫码咨询
会员Q群
  • 会员专属群点击这里加入QQ群
客服邮箱
回到顶部