电脑桌面
添加小米粒文库到电脑桌面
安装后可以在桌面快捷访问

边坡土方开挖施工方案

边坡土方开挖施工方案_第1页
1/10
边坡土方开挖施工方案_第2页
2/10
边坡土方开挖施工方案_第3页
3/10
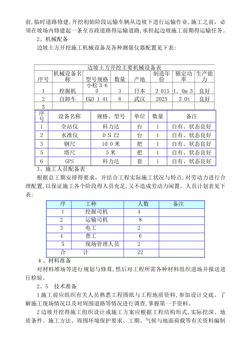
目录第一章、工程概况ﻩ2第二章、工期要求 .......................................... Error: Reference source not found 第三章、施工准备 ﻩ Error: Reference source not found 第四章、边坡土方开挖方案 ﻩ Error: Reference source not found 第一节、开挖原则 ..................................... Error: Reference source not found 第二节、施工组织 ﻩ Error: Reference source not found 第三节、边坡开挖方法 .............................. Error: Reference source not found 第四节、 开挖施工必要得措施 .................. Error: Reference source not found 第五章、质量保证体系及措施 ........................ Error: Reference source not found 第一节、质量保证体系 ﻩ Error: Reference source not found 第二节、关键技术环节得质量保证措施 ﻩ Error: Reference source not found 第六章、安全文明保证体系及措施 ................. Error: Reference source not found 第一节、安全生产目标及保证体系 ............ Error: Reference source not found 第二节、安全防范重点与措施 ....................................................................... 8 第一章、工程概况一、场地岩土工程条件本工程位于泸州市江阳区弥陀镇产城大道公路旁,项目地址背面靠山。山坡表层植被已清除,其表层土层较薄。根据设计图落差最处 10m 左右。山体主要由:1、粉质粘土:该层分布不均匀,厚度变化较大,均匀性差,承载力较低。2、强风化砂岩:该层分布不均匀,厚度较薄,层顶面标起伏较大,承载力较低。3、中风化砂岩:该层分布稳定,厚度较大,层顶面标起伏较大,承教力较。采纳挖机方式开挖。第二章、工期要求工期要求:按总体施工计划2 01 9年 3 月至 201 9年 11 月,整个施工工期240 天。第三章、施工准备1、运输道路施工边坡施工过程中,土方运输就是影响工程进度很关键得一环。在边坡施工之前,临时道路修建,开挖初始阶段运输车辆从边坡下进行运输作业,施工之前,必须在坡场内修建起一条至市政道路得运输道路,承担起边坡施工前期得运输任务。2、机械配备边坡土方开挖施工机械设备及各种测量仪器配置见下表:序号设备名称规格、型号单位数量备注1全站仪科力达台1自有、状态良好2水准仪D S Z2台1自有、状态良好3钢...

1、当您付费下载文档后,您只拥有了使用权限,并不意味着购买了版权,文档只能用于自身使用,不得用于其他商业用途(如 [转卖]进行直接盈利或[编辑后售卖]进行间接盈利)。
2、本站所有内容均由合作方或网友上传,本站不对文档的完整性、权威性及其观点立场正确性做任何保证或承诺!文档内容仅供研究参考,付费前请自行鉴别。
3、如文档内容存在违规,或者侵犯商业秘密、侵犯著作权等,请点击“违规举报”。

碎片内容

边坡土方开挖施工方案

确认删除?
VIP
微信客服
  • 扫码咨询
会员Q群
  • 会员专属群点击这里加入QQ群
客服邮箱
回到顶部