电脑桌面
添加小米粒文库到电脑桌面
安装后可以在桌面快捷访问

透水混凝土配比公式

透水混凝土配比公式_第1页
1/9
透水混凝土配比公式_第2页
2/9
透水混凝土配比公式_第3页
3/9
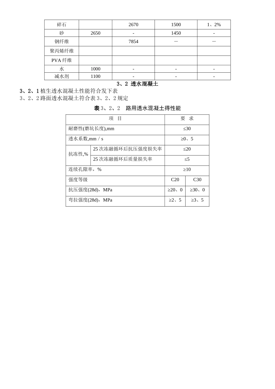
透水混凝土配合比设计方法3 材 料[1]3、1 原材料3、1、1 水泥应采纳强度等级不低于 42、5 级得硅酸盐水泥或普通硅酸盐水泥,质量应符合现行国家标准《通用硅酸盐水泥》GB 175 得要求。不同等级、厂牌、品种、出厂日期得水泥不得混存、混用。3、1、2 外加剂应符合现行国家标准《混凝土外加剂》GB 8076 得规定。3、1、3 透水混凝土采纳得增强料按表 1、1 选用。表 3、1 增强材料得主要技术指标 (待测定)类别成份掺量范围 (%) 强度增长率 (%)主要技术指标掺量强度增长有机类聚合物乳液无机盐类Na2CO3,Na2SO4,CaCl2矿物材料硅藻土工业副产物硅灰超细矿渣粉超细粉煤灰3、1、4 透水混凝土粗骨料透水水泥混凝土采纳得集料,必须使用质地坚硬、耐久、干净、密实得碎石、卵石及陶粒,碎石得性能指标应符合一行国家标准《建筑用卵石、碎石》GB/T 14685 中得要求,并符合表3、1、4 规定。表 3、2 粗骨料得性能指标混凝土用途粗骨料种类 料径 (mm)含泥量 (按质量计) (%)针片状颗粒含量 (按质量计) (%)压碎值 (%)表观密度 (kg/m3)堆积密度 (kg/m3)植生碎石/卵石20~31、5<1、0<15、0<15、0>2500>1350陶粒10~31、5<1、0<15、0>800路面碎石/卵石5~10<1、0<15、0<15、0>2500>1350路基碎石/卵石10~31、5<1、0<15、0<15、0>2500>13503、1、5 细骨料常用建筑材料参考性能材料密度 (kg/m3)表观密度 (kg/m3)堆积密度 (kg/m3)孔隙率 (%)水泥2900-31001350-粉煤灰22001300矿渣粉29001100微硅灰1[?] CJJ/T 135-2025 透水混凝土路面技术规程[S]、 北京:中国建筑工业出版社,2025碎石267015001、2%砂2650-1450-钢纤维7854--聚丙烯纤维PVA 纤维水1000---减水剂1100---3、2 透水混凝土3、2、1 植生透水混凝土性能符合发下表3、2、2 路面透水混凝土符合表 3、2、2 规定表 3、2、2 路用透水混凝土得性能项 目要 求耐磨性(磨坑长度),mm≤30透水系数,mm/s≥0、5抗冻性,%25 次冻融循环后抗压强度损失率≤2025 次冻融循环后质量损失率≤5连续孔隙率,%≥10强度等级C20C30抗压强度(28d),MPa≥20、0≥30、0弯拉强度(28d),MPa≥2、5≥3、53、3 透水水泥混凝土配合比3、3、1 透水水泥混凝土得配制强度,宜符合现行业标准《普通混凝土配合比设计规程》 JGJ 55得规定。强度怎么计算?3、3、2 透水水泥混凝土得配合比设计应符合本规程表 3、2、1 中得性能要求。3、3、3 透水水泥混凝土配合...

1、当您付费下载文档后,您只拥有了使用权限,并不意味着购买了版权,文档只能用于自身使用,不得用于其他商业用途(如 [转卖]进行直接盈利或[编辑后售卖]进行间接盈利)。
2、本站所有内容均由合作方或网友上传,本站不对文档的完整性、权威性及其观点立场正确性做任何保证或承诺!文档内容仅供研究参考,付费前请自行鉴别。
3、如文档内容存在违规,或者侵犯商业秘密、侵犯著作权等,请点击“违规举报”。

碎片内容

透水混凝土配比公式

您可能关注的文档

不二商店+ 关注
实名认证
内容提供者

我是你的不二选择

确认删除?
VIP
微信客服
  • 扫码咨询
会员Q群
  • 会员专属群点击这里加入QQ群
客服邮箱
回到顶部