电脑桌面
添加小米粒文库到电脑桌面
安装后可以在桌面快捷访问

钣金展开计算

钣金展开计算_第1页
1/6
钣金展开计算_第2页
2/6
钣金展开计算_第3页
3/6
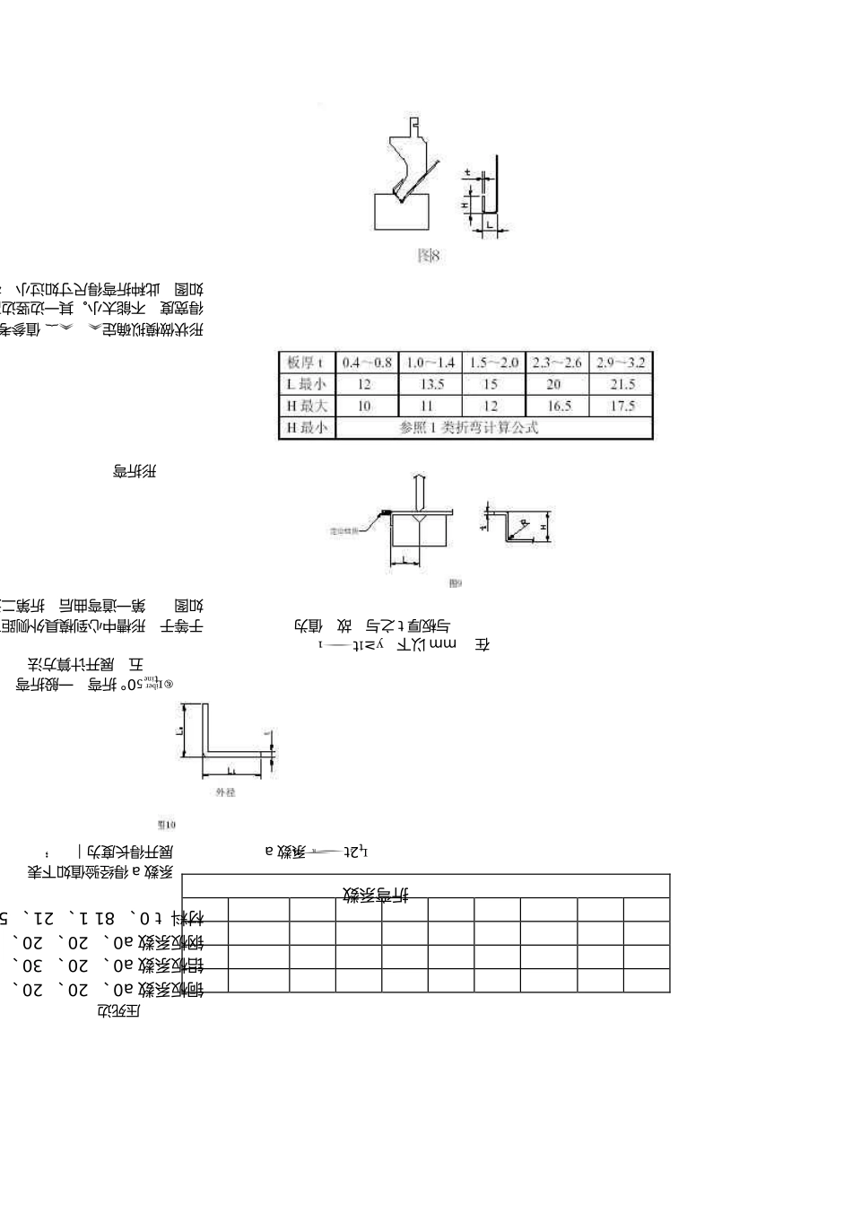
一产品展开计算标准一目得统一公司内部标准使产品展开快速标准使公司内部产品制作测量标准统一二适用范围本标准适用于各类薄板得展开计算三展开计算原理板料在弯曲过程中外层受到拉应力内层受到压应力理论上内外层之间有一既不受拉也不受压得过渡层 ------ 中性层中性层为一假想层在弯曲过程中中性层被假想为与弯曲前状态保持一致即长度始终不变所以中性层就是计算弯曲件长度得基准中性层位置与变形程度有关当弯曲半径较大折弯角度较小时变形程度较小中性层位置靠近板料厚度得中心处当弯曲半径变小折弯角度增大时变形程度随之增大中性层位置逐渐向弯曲中心得内侧移动中性层到板料内侧得距离用表示。图四折弯方法得确定折弯方法有单发冲床模具折弯与折弯机模具折弯两种方法单发冲床模具折弯得方式及精度就是由模具来实现得因此只要做出合格得模具就能够生产出合格得折弯产品而采用折弯机折弯不仅需要选用合适得折弯模还必须调试折弯参数因此如采用折弯机折弯计算展开尺寸时就必须考虑折弯机得折弯方法  一次一道弯此种折弯由普通通用折弯模来完成包括折直角钝角与锐角如图2 、 一次折两道弯 -------- 压锻差 此种折弯由专用特殊模来完成但折弯难度比普通折弯大如图3 、 压死边此种折弯也须用特殊模来完成如图4 大圆弧折弯。些种折弯如在一定范围内可用专用 模压成形 如 值过大 则须用小模多次压制成形。如图图这四种折弯得展开计算就是不同得。因此在瞧图时要根据零件得折弯尺寸来确定使用何种折弯方法。一般使用得数控折弯设备都就是日本 天田公司所生产得。其折弯机所配套得普通通用折弯模具形槽宽度通常为适用该折弯模得板厚得 倍如采用一次折一道弯得方法必须考虑到折弯模得形槽得宽度及形槽一边到模具外侧得宽度。如图折弯高度得经验值根据产品形状有如下三种以度为例钝角与锐角与直角相近相似 简单得度单边折弯。如图如图此种折弯只需考虑下模形槽中心到折弯机定位挡块得距离即可确定通常值为≥3 、 5T+R (R 在 mm 以下 ) 形折弯如图此种折弯得尺寸如过小极易因无合适折弯模具而形成干涉因此两竖边得宽度不能太小。其一边竖边高度也不能太大。实际...

1、当您付费下载文档后,您只拥有了使用权限,并不意味着购买了版权,文档只能用于自身使用,不得用于其他商业用途(如 [转卖]进行直接盈利或[编辑后售卖]进行间接盈利)。
2、本站所有内容均由合作方或网友上传,本站不对文档的完整性、权威性及其观点立场正确性做任何保证或承诺!文档内容仅供研究参考,付费前请自行鉴别。
3、如文档内容存在违规,或者侵犯商业秘密、侵犯著作权等,请点击“违规举报”。

碎片内容

钣金展开计算

您可能关注的文档

不二商店+ 关注
实名认证
内容提供者

我是你的不二选择

确认删除?
VIP
微信客服
  • 扫码咨询
会员Q群
  • 会员专属群点击这里加入QQ群
客服邮箱
回到顶部