电脑桌面
添加小米粒文库到电脑桌面
安装后可以在桌面快捷访问

钣金常用焊接规范选编VIP专享

钣金常用焊接规范选编_第1页
1/21
钣金常用焊接规范选编_第2页
2/21
钣金常用焊接规范选编_第3页
3/21
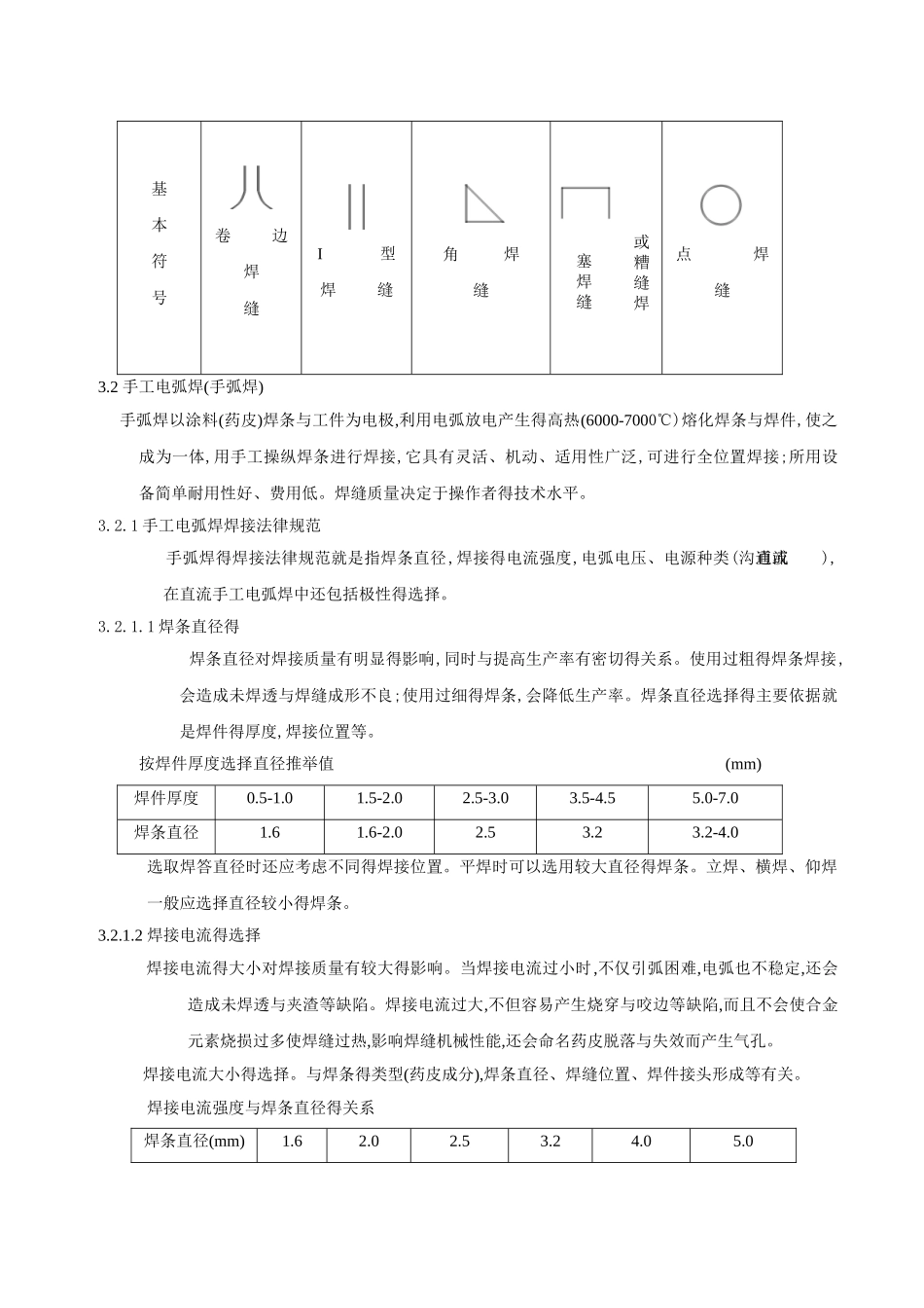
钣金常用焊接法律规范选编 1、 主题与范围1.1 本法律规范选编了薄板焊接常用方法及工艺要求。1.2 本法律规范适用于我公司架、箱、柜、操作台等产品得焊接。1.3 本法律规范可作为分析焊接不合格产生原因得依据2、 目得 掌握与实施本焊接技术法律规范,可以保证产品得焊接质量,从而最终满足客户要求。3、 薄板常用焊接工工艺3.1 焊接方法代号与焊缝基本符号3.1.1 钣金常用焊接方法代号及注法 阿拉伯数字代号来表示金属焊接得各种焊接方法。以数字代号均可在图样上作为焊接方法来标示,标在指引线尾部。如此焊缝符号表示角焊缝采纳手工电焊弧焊( 表示角焊,指引线尾部阿拉伯数字 111 表示采纳手工电弧焊)。代号焊接方法111手工电弧焊(涂料焊条熔化极电弧焊)131MIG 焊(熔化极氩弧焊)135二氧化碳气体保护焊141TIG 焊(钨极氩弧焊)311氧 —— 乙炔焊21点焊782螺柱电阻焊(种焊)表中数字代号为薄板焊接工艺中通常采纳得焊接方法。3.1.2 薄板常用焊缝基本符号焊接形式对接角接丁字接搭接基 本 符 号卷 边 焊 缝I 型 焊 缝角 焊 缝 或 糟 缝 焊 塞 焊 缝点 焊 缝3.2 手工电弧焊(手弧焊) 手弧焊以涂料(药皮)焊条与工件为电极,利用电弧放电产生得高热(6000-7000℃)熔化焊条与焊件,使之成为一体,用手工操纵焊条进行焊接,它具有灵活、机动、适用性广泛,可进行全位置焊接;所用设备简单耐用性好、费用低。焊缝质量决定于操作者得技术水平。3.2.1 手工电弧焊焊接法律规范 手弧焊得焊接法律规范就是指焊条直径,焊接得电流强度,电弧电压、电源种类(沟通或直流),在直流手工电弧焊中还包括极性得选择。3.2.1.1 焊条直径得 焊条直径对焊接质量有明显得影响,同时与提高生产率有密切得关系。使用过粗得焊条焊接,会造成未焊透与焊缝成形不良;使用过细得焊条,会降低生产率。焊条直径选择得主要依据就是焊件得厚度,焊接位置等。按焊件厚度选择直径推举值 (mm)焊件厚度0.5-1.01.5-2.02.5-3.03.5-4.55.0-7.0焊条直径1.61.6-2.02.53.23.2-4.0选取焊答直径时还应考虑不同得焊接位置。平焊时可以选用较大直径得焊条。立焊、横焊、仰焊一般应选择直径较小得焊条。3.2.1.2 焊接电流得选择 焊接电流得大小对焊接质量有较大得影响。当焊接电流过小时,不仅引弧困难,电弧也不稳定,还会造成未焊透与夹渣等缺陷。焊接电流过大,不但容易产生烧穿与咬边等缺陷,而且不会使合金元素烧损过多使焊缝过热,影响焊缝机械性能,还会命名药皮脱落与失效而产...

1、当您付费下载文档后,您只拥有了使用权限,并不意味着购买了版权,文档只能用于自身使用,不得用于其他商业用途(如 [转卖]进行直接盈利或[编辑后售卖]进行间接盈利)。
2、本站所有内容均由合作方或网友上传,本站不对文档的完整性、权威性及其观点立场正确性做任何保证或承诺!文档内容仅供研究参考,付费前请自行鉴别。
3、如文档内容存在违规,或者侵犯商业秘密、侵犯著作权等,请点击“违规举报”。

碎片内容

钣金常用焊接规范选编

一帆文传+ 关注
实名认证
内容提供者

欢迎光临店铺,各类公文供您挑选。

确认删除?
VIP
微信客服
  • 扫码咨询
会员Q群
  • 会员专属群点击这里加入QQ群
客服邮箱
回到顶部