电脑桌面
添加小米粒文库到电脑桌面
安装后可以在桌面快捷访问

铸工车间自动送砂带式运输机传动装置设计课程设计说明书大学毕设论文

铸工车间自动送砂带式运输机传动装置设计课程设计说明书大学毕设论文_第1页
1/39
铸工车间自动送砂带式运输机传动装置设计课程设计说明书大学毕设论文_第2页
2/39
铸工车间自动送砂带式运输机传动装置设计课程设计说明书大学毕设论文_第3页
3/39
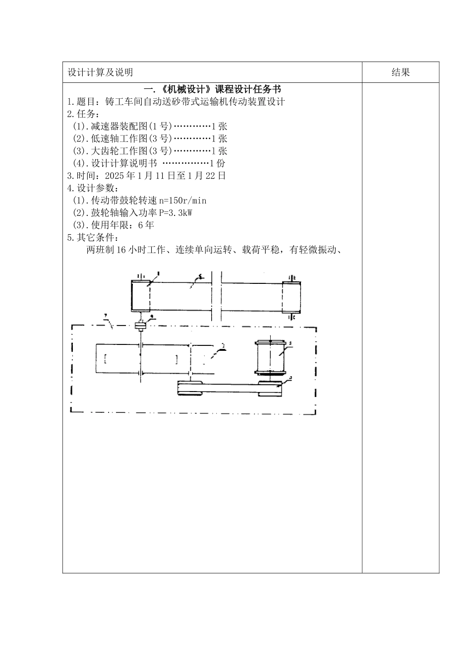
机 械 设 计 基 础课 程 设 计学生姓名:陈翔学 号:05873738年 级:大三院 (系):材料工程学院指导老师: 时 间:2025.01.22 上海大学 设计计算及说明结果一.《机械设计》课程设计任务书l.题目:铸工车间自动送砂带式运输机传动装置设计2.任务: (1).减速器装配图(1 号)…………1 张 (2).低速轴工作图(3 号)…………1 张 (3).大齿轮工作图(3 号)…………l 张 (4).设计计算说明书 ……………1 份3.时间:2025 年 1 月 11 日至 1 月 22 日4.设计参数: (1).传动带鼓轮转速 n=150r/min (2).鼓轮轴输入功率 P=3.3kW (3).使用年限:6 年5.其它条件:两班制 16 小时工作、连续单向运转、载荷平稳,有轻微振动、设计计算及说明结果二、传动方案2.1 传动方案说明一、选择传动机构类型的基本原则为:1.传递大功率时,应充分考虑提高传动装置的效率,以减少能耗、降低运行费用。2.载荷多变和可能发生过载时,应考虑缓冲吸振及过载保护问题。3.传动比要求严格、尺寸要求紧凑的场合,可选用齿轮传动或蜗杆传动。4.在多粉尘、潮湿、易燃易爆场合,宜选用链传动、闭式齿轮传动或蜗杆传动。根据本次课程设计的要求,此设计采纳的传动方案为单级圆柱齿轮传动。二、传动装置的合理布置传动装置布置的原则:1.传动能力小的带传动应布置在高速轴。 2.开式齿轮传动应布置在低速轴。这样具有以下优点:1.适用于中心距较大的传动。2.具有良好的挠性,可缓冲吸收振动。3.过载时出现打滑现象,使传动失效,但可防止其他零件损坏。4.结构简单成本低。缺点:外廓尺寸大、无固定传动比、寿命短、传动效率低。结论:对于此传动装置的要求,低速轴由于其要求以固定的传动比传动,且所需传动效率很高,所以齿轮传动适用。设计计算及说明结果2.2 电动机的选择2.2.1 电动机的类型和结构型式类型:根据电源及工作机条件,由教材Ⅱ P196 表 20-1 选用卧式封闭型 Y(IP44)系列的三相沟通异步电动机 ZBK22025-88 2.2.2 选择电动机容量: (1)工作机所需功率 PW=3.3kW(2)电动机的输出功率 Pd Pd=PW/η电动机至工作机主动轴之间的总效率:=0.96×××0.99×0.96=0.86;式中,为 V 带的效率, 为滚动轴承的效率,为圆柱齿轮的效率,为联轴器的效率,为滑动轴承的效率。 所以电动机输出功率:Pd= Pw /η=3.3/0.86=3.84kW(3)确定电动机额定功率:Ped≥Pd,根据教材Ⅱ P196 选择电动机,电动机额定功率为 Ped...

1、当您付费下载文档后,您只拥有了使用权限,并不意味着购买了版权,文档只能用于自身使用,不得用于其他商业用途(如 [转卖]进行直接盈利或[编辑后售卖]进行间接盈利)。
2、本站所有内容均由合作方或网友上传,本站不对文档的完整性、权威性及其观点立场正确性做任何保证或承诺!文档内容仅供研究参考,付费前请自行鉴别。
3、如文档内容存在违规,或者侵犯商业秘密、侵犯著作权等,请点击“违规举报”。

碎片内容

铸工车间自动送砂带式运输机传动装置设计课程设计说明书大学毕设论文

您可能关注的文档

确认删除?
VIP
微信客服
  • 扫码咨询
会员Q群
  • 会员专属群点击这里加入QQ群
客服邮箱
回到顶部