电脑桌面
添加小米粒文库到电脑桌面
安装后可以在桌面快捷访问

防护棚计算书

防护棚计算书_第1页
1/13
防护棚计算书_第2页
2/13
防护棚计算书_第3页
3/13
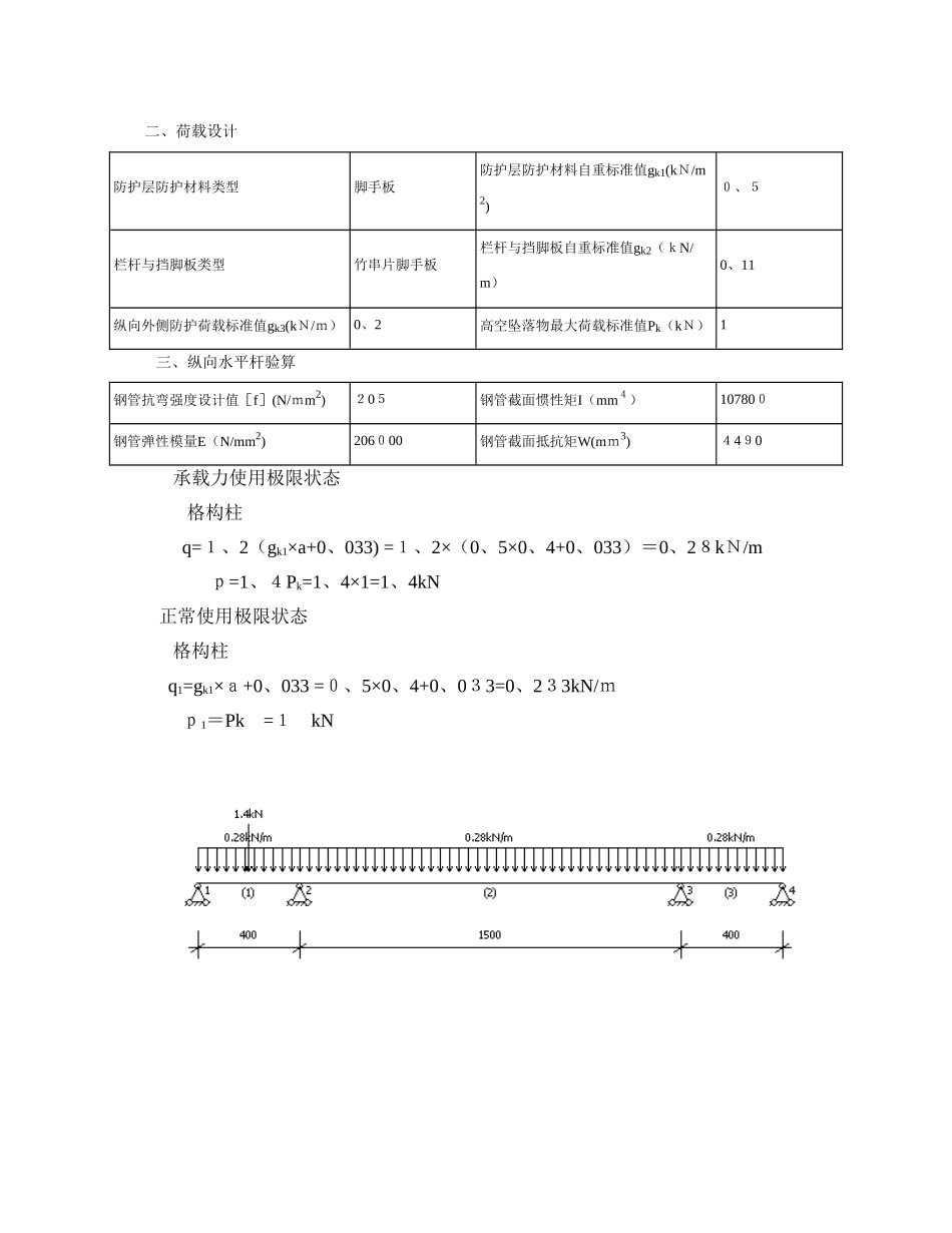
防护棚计算书 计算依据: 1、《建筑施工扣件式钢管脚手架安全技术法律规范》JGJ130—2011 2、《建筑施工高处作业安全技术法律规范》JGJ8—091 3、《建筑地基基础设计法律规范》GB50007—2025 4、《建筑结构荷载法律规范》GB50009-2012 5、《钢结构设计法律规范》GB50017-2003 一、搭设参数立杆纵距la(mm)1500立杆横距lb(mm)6000立杆步距h(mm)1200防护棚高度H(mm)3000防护层层数n1上下防护层间距h1(mm)800斜撑与立杆连接点到地面得距离h2(mm)1500顶层水平钢管搭设方式钢管沿纵向搭设水平钢管间距a(mm)400横向斜撑与顶层防护层连接点到立杆得距离l1(mm)2500纵向外侧防护布置方式剪刀撑钢管类型Ф48×3扣件连接方式单扣件扣件抗滑移折减系数0、8立杆布置格构柱格构柱截面边长a1(mm)400立杆计算长度系数μ11、3斜撑计算长度系数μ21、3 计算简图:扣件钢管防护棚 _ 正面图 扣件钢管防护棚 _ 侧面图 二、荷载设计防护层防护材料类型脚手板防护层防护材料自重标准值gk1(kN/m2)0、5栏杆与挡脚板类型竹串片脚手板栏杆与挡脚板自重标准值gk2(kN/m)0、11纵向外侧防护荷载标准值gk3(kN/m) 0、2高空坠落物最大荷载标准值Pk(kN) 1 三、纵向水平杆验算钢管抗弯强度设计值[f](N/mm2)205钢管截面惯性矩I(mm4)107800钢管弹性模量E(N/mm2)206000钢管截面抵抗矩W(mm3)4490 承载力使用极限状态 格构柱 q=1、2(gk1×a+0、033) =1、2×(0、5×0、4+0、033)=0、28kN/m p=1、4Pk=1、4×1=1、4kN 正常使用极限状态 格构柱 q1=gk1×a+0、033 =0、5×0、4+0、033=0、233kN/m p1=Pk = 1kN 1、抗弯验算 Mmax=0、335 kN·m σ=Mmax/W=0、335×106/4490=74、711N/mm2≤[f]=205N/mm2 满足要求! 2、挠度验算 νmax=1、363 mm [ν]=min[max{a1,la,l2-a1}/150,10 ] = min[max{400,1500,800-400}/150,10] =10mm νmax≤[ν] 满足要求! 3、支座反力计算 承载力使用极限状态 Rmax=1、63 7 kN 四、横向水平杆验算钢管抗弯强度设计值[f](N/mm2)205钢管截面惯性矩I(mm4)107800钢管弹性模量E(N/mm2)206000钢管截面抵抗矩W(mm3)4490 承载力使用极限状态 格构柱: F=1、2(gk1a+0、033)(la+ a1)/2=1、2×(0、5×0、4+0、033)×(1、5+0、4)/2=0、266 k...

1、当您付费下载文档后,您只拥有了使用权限,并不意味着购买了版权,文档只能用于自身使用,不得用于其他商业用途(如 [转卖]进行直接盈利或[编辑后售卖]进行间接盈利)。
2、本站所有内容均由合作方或网友上传,本站不对文档的完整性、权威性及其观点立场正确性做任何保证或承诺!文档内容仅供研究参考,付费前请自行鉴别。
3、如文档内容存在违规,或者侵犯商业秘密、侵犯著作权等,请点击“违规举报”。

碎片内容

防护棚计算书

一帆文传+ 关注
实名认证
内容提供者

欢迎光临店铺,各类公文供您挑选。

相关标签

确认删除?
VIP
微信客服
  • 扫码咨询
会员Q群
  • 会员专属群点击这里加入QQ群
客服邮箱
回到顶部