电脑桌面
添加小米粒文库到电脑桌面
安装后可以在桌面快捷访问

风险物质性质一览表

风险物质性质一览表_第1页
1/13
风险物质性质一览表_第2页
2/13
风险物质性质一览表_第3页
3/13
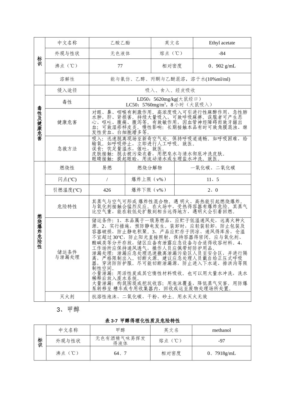
二氯甲烷、乙酸乙酯、甲醇、盐酸、浓硫酸、硝酸、甲基叔丁基醚、氢氧化钠、乙醇、二氯萘醌、四氢呋喃、二氧化硒、二氧六环、对氨基苯甲酸得理化性质及危害1、二氯甲烷表 3-5 二氯甲烷得理化性质及危险特性2、乙酸乙酯表 3-6 乙酸乙酯得理化性质及危险特性标识中文名称二氯甲烷英文名dichloromethane外观与性状无色透明液体,有芳香气味熔点(℃)-97沸点(℃)39、75相对密度1、325g/mL溶解性微溶于水,溶于乙醇、乙醚毒性及健康危害侵入途径吸入、食入、经皮吸收毒性LD50:1、25g/kg(大鼠经口)LC50:24929ppm(小鼠,30 分钟)健康危害有麻醉作用,主要损害中枢神经与呼吸系统。急性中毒:轻者可有眩晕、头痛、呕吐以及眼与上呼吸道粘膜刺激症状;较重者则出现易激动、步态不稳、共济失调、嗜睡,可引起化学性支气管炎。重者昏迷,可有肺水肿。血中碳氧血红蛋白含量增高。慢性影响:长期接触主要有头痛、乏力、眩晕、食欲减退、动作迟钝、嗜睡等。对皮肤有脱脂作用,引起干燥、脱屑与皲裂等急救方法皮肤接触:立即脱去污染得衣着,用大量流动肥皂水与清水冲洗至少15 分钟。就医。眼睛接触:提起眼睑,用流动清水或生理盐水冲洗,就医。吸入:迅速脱离现场至空气新奇处,保持呼吸道通畅,如呼吸困难,给输氧。如呼吸停止,立即进行人工呼吸,就医。食入:饮足量温水,催吐。就医。燃烧爆炸危险性燃烧性易燃燃烧分解物一氧化碳、二氧化碳、氯化氢、光气闪点()℃/爆炸上限(v%)19引燃温度()℃615爆炸下限(v%)12危险特性与明火或灼热得物体接触时能产生剧毒得光气。遇潮湿空气能水解生成微量得氯化氢,光照亦能促进水解而对金属得腐蚀性增强储运条件与泄漏处理储运条件:储存于阴凉、通风得库房。远离火种、热源。库温不超过30℃,相对湿度不超过 80%。避开阳光直射,保持容器密封。应与碱金属、食用化学品分开存放,切忌混储。配备相应品种与数量得消防器材。储区应备有泄漏应急处理设备与合适得收容材料。泄漏处理:迅速撤离泄漏污染区人员至安全区,并进行隔离,严格限制出入。切断火源。建议应急处理人员戴自给正压式呼吸器,穿防毒服。尽可能切断泄漏源。防止流入下水道、排洪沟等限制性空间。小量泄漏:用砂土或其它不燃材料吸附或吸收。大量泄漏:构筑围堤或挖坑收容。用泡沫覆盖,降低蒸气灾害。用泵转移至槽车或专用收集器内,回收或运至废物处理场所处置灭火剂雾状水、泡沫、二氧化碳、砂土灭火。3、甲醇表 3-7 甲醇得理化性...

1、当您付费下载文档后,您只拥有了使用权限,并不意味着购买了版权,文档只能用于自身使用,不得用于其他商业用途(如 [转卖]进行直接盈利或[编辑后售卖]进行间接盈利)。
2、本站所有内容均由合作方或网友上传,本站不对文档的完整性、权威性及其观点立场正确性做任何保证或承诺!文档内容仅供研究参考,付费前请自行鉴别。
3、如文档内容存在违规,或者侵犯商业秘密、侵犯著作权等,请点击“违规举报”。

碎片内容

风险物质性质一览表

您可能关注的文档

确认删除?
VIP
微信客服
  • 扫码咨询
会员Q群
  • 会员专属群点击这里加入QQ群
客服邮箱
回到顶部