电脑桌面
添加小米粒文库到电脑桌面
安装后可以在桌面快捷访问

150mm碗扣钢管楼板模板支架计算书

150mm碗扣钢管楼板模板支架计算书_第1页
1/11
150mm碗扣钢管楼板模板支架计算书_第2页
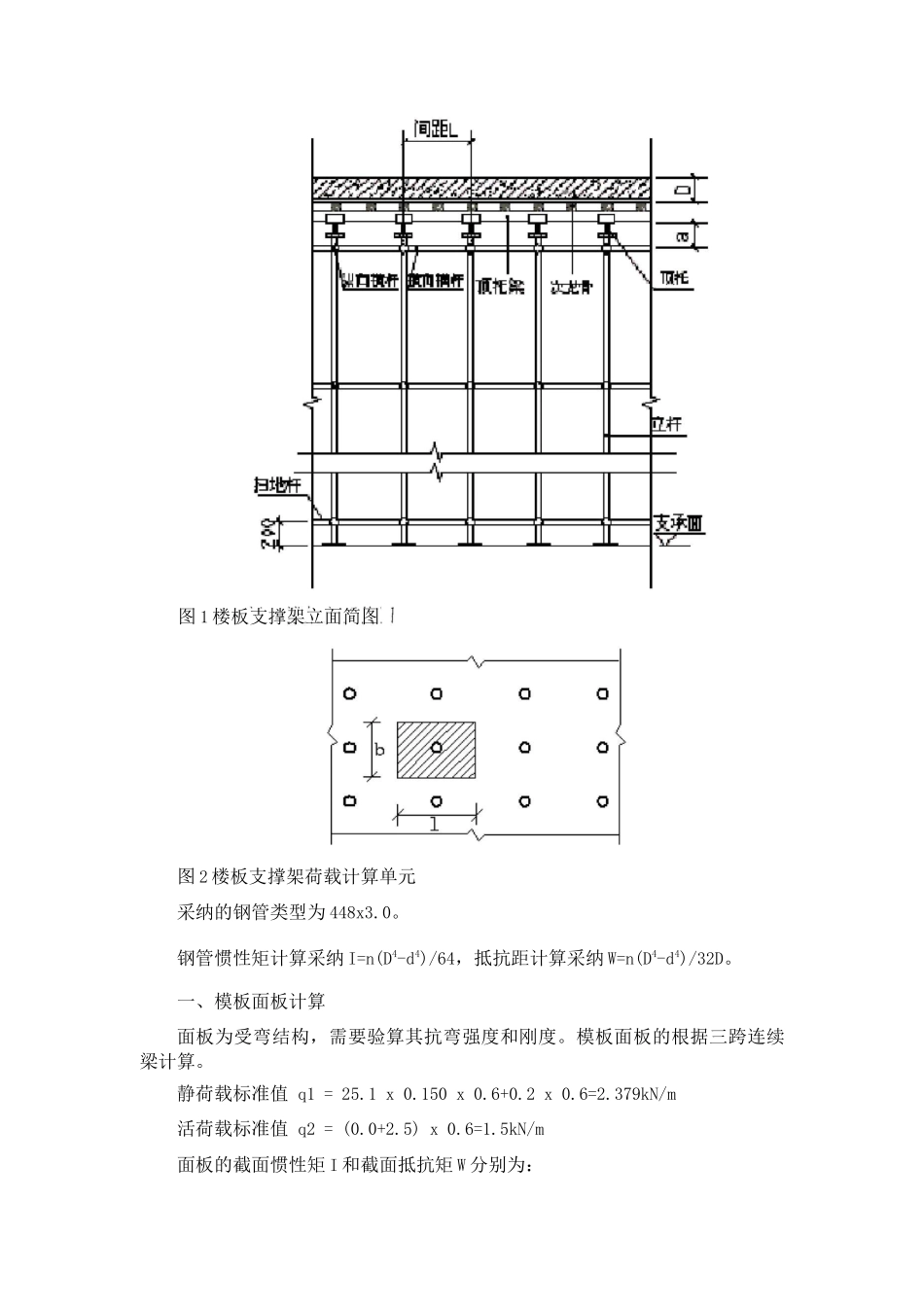
2/11
150mm碗扣钢管楼板模板支架计算书_第3页
3/11
150mm 碗扣钢管楼板模板支架计算书依据法律规范:《建筑施工碗扣式钢管脚手架安全技术法律规范》JGJ166-28《建筑施工模板安全技术法律规范》JGJ 162-28《建筑结构荷载法律规范》GB509-2025《钢结构设计法律规范》GB517-23《混凝土结构设计法律规范》GB510-2025《建筑地基基础设计法律规范》GB507-2025《建筑施工木脚手架安全技术法律规范》JGJ 164-28计算参数:钢管强度为 205.0 N/mm2,钢管强度折减系数取 1.。模板支架搭设高度为 20.2m,立杆的纵距 b=0.60m,立杆的横距 l=0.60m,立杆的步距 h=1.20m。面板厚度 15mm,剪切强度 1.4N/mi2,抗弯强度 15.0N/miL 弹性模量26 0. 0N/mm木方 40 x 90mm 间距 2 0 0mm木方剪切强度 1. 3N/mm,抗弯强度 13.0N/mm,弹性模量 90. 0N/mm梁顶托采纳钢管 48x3. 0mm模板自重 0. 20kN/m,混凝土钢筋自重 25. 10kN/m,施工活荷载 2. 50kN/m。扣件计算折减系数取).图 2 楼板支撑架荷载计算单元采纳的钢管类型为 448x3.0。钢管惯性矩计算采纳 I=n(D4-d4)/64,抵抗距计算采纳 W=n(D4-d4)/32D。一、模板面板计算面板为受弯结构,需要验算其抗弯强度和刚度。模板面板的根据三跨连续梁计算。静荷载标准值 q1 = 25.1 x 0.150 x 0.6+0.2 x 0.6=2.379kN/m活荷载标准值 q2 = (0.0+2.5) x 0.6=1.5kN/m面板的截面惯性矩 I 和截面抵抗矩 W 分别为:图 1 楼板支撑架立面简图本算例中,截面惯性矩 I 和截面抵抗矩 W 分别为:W = 60. x 1.50 x 1.50/6 = 22.50cm3;I = 60. x 1.50 x 1.50 x 1.50/12 = 16.88cm4;(1) 抗弯强度计算 f = M / W < [f]其中 f ——面板的抗弯强度计算值(N/mm2);M 面板的最大弯距(N.mm);W ——面板的净截面抵抗矩;[f]——面板的抗弯强度设计值,取 15.N/mm2;2M = 0.1ql2其中 q 荷载设计值(kN/m);经计算得到 M = 0.1 x (1.20 x 2.379+0. x 1.5) x 0.2 x经计算得到面板抗弯强度计算值 f = 0.011 x 10 x 一一一,一一 一一 _ 一一 ,710/225=0.508N/mm2面板的抗弯强度验算 f < [f],满足要求!(2 )抗剪计算T = 3Q/2bh < [T]其中最大剪力 Q=0.6 x (1.20 x 2.379+0.0 x 1.5) x 0.2=0.343kN截面抗剪强度计算值 T=3 x 343.0/(2 x 6.0 x 15.0)=0.057N/mm2截面抗剪强度设计值[T]=1.40N/mm2面板抗剪强度验算 T < [T],满足要求!(3 )挠度计算v = 0.677ql4 / ...

1、当您付费下载文档后,您只拥有了使用权限,并不意味着购买了版权,文档只能用于自身使用,不得用于其他商业用途(如 [转卖]进行直接盈利或[编辑后售卖]进行间接盈利)。
2、本站所有内容均由合作方或网友上传,本站不对文档的完整性、权威性及其观点立场正确性做任何保证或承诺!文档内容仅供研究参考,付费前请自行鉴别。
3、如文档内容存在违规,或者侵犯商业秘密、侵犯著作权等,请点击“违规举报”。

碎片内容

150mm碗扣钢管楼板模板支架计算书

确认删除?
VIP
微信客服
  • 扫码咨询
会员Q群
  • 会员专属群点击这里加入QQ群
客服邮箱
回到顶部