电脑桌面
添加小米粒文库到电脑桌面
安装后可以在桌面快捷访问

4.7质检部岗位职责

4.7质检部岗位职责_第1页
1/7
4.7质检部岗位职责_第2页
2/7
4.7质检部岗位职责_第3页
3/7
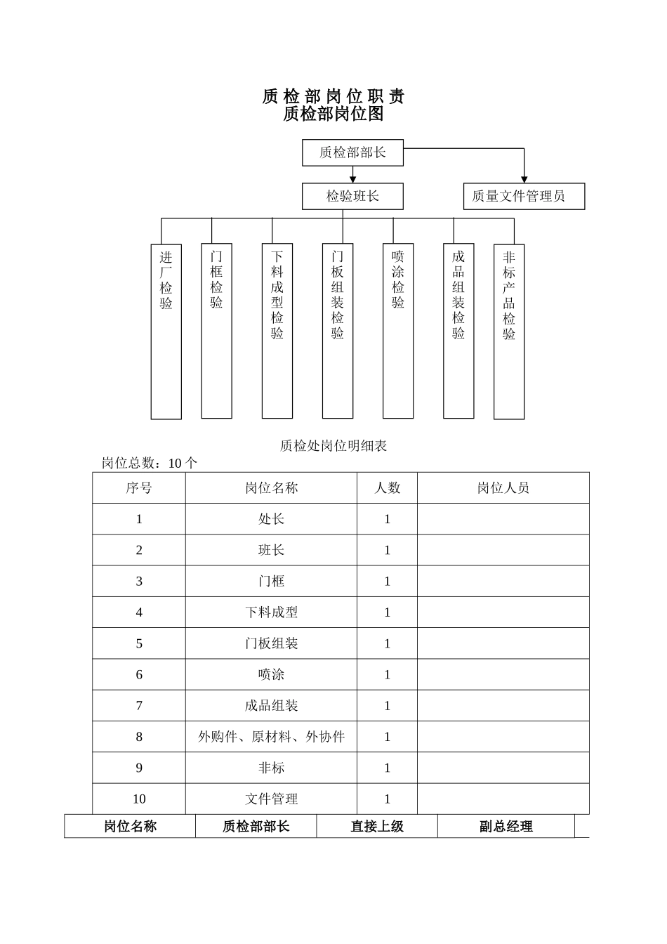
门框检验下料成型检验门板组装检验喷涂检验成品组装检验检验班长质量文件管理员非标产品检验进厂检验质检部部长质 检 部 岗 位 职 责质检部岗位图质检处岗位明细表岗位总数:10 个序号岗位名称人数岗位人员1处长12班长13门框14下料成型15门板组装16喷涂17成品组装18外购件、原材料、外协件19非标110文件管理1岗位名称质检部部长直接上级副总经理直接下级质检班长、质量文件管理员权利提升、调动、奖励、惩处、指挥、检察、评价下级管辖范围质检部岗位职责1、 负责使本部门人员充分理解质量方针并贯彻执行2、 负责编写质检部《岗位入职标准》、《岗位责任制》,并规定所属人员的职责、权限及相应关系,接受上级的监督和指导。3、 负责指导、协调、监督和检查下属是否严格按规定的职责和程序工作。4、 负责确保本部门的设施、工作环境能够满足工作条件。5、 负责保证所属人员得到适当的培训。6、 负责编写本部门质量文件并对本部门质量文件和质量记录进行管理。7、 负责指导、协调、监督和检查下属的工作,对工作中的问题进行纠正。8、 负责制定部门工作程序。9、 负责处理出厂产品的质量问题。10、负责制定检验指导文件并监督执行。11、负责完成领导交办的临时任务。 岗位名称检验班长直接上级质检部长直接下级检验员权利提升、调动、奖励、惩处、指挥、检察、评价下级管辖范围工作现场的检验岗位职责1、 组织现场日常检验管理工作。贯彻、执行上级领导的工作安排2、 督促检查本班组的各项规章制度的执行。3、 掌握各班组所有岗位的检验工作,当班组检验员有缺岗时能代替工作。4、 仔细填写检验员的出勤情况,按规定时间上报质检处。5、 仔细完成领导交办的各项临时性任务。岗位名称门框检验直接上级检验班长直接下级权利门框的检验质量的汇报、不合格品的控制管辖范围门框岗位职责1、 根据合同、图纸等技术要求仔细检查确保本合同本岗位首件工序的正确性。2、 按《检验和试验控制程序》、《检验规程》、合同、图纸等技术要求进行巡回检验.3、 如需返工的产品通知班组进行返工,合格后允许转序并做好记录。4、 对检验后的产品进行合格标识,对批量不合格的产品,开不合格报告并转交责任部门。5、 仔细填写首件记录,并及时将记录转交下道工序。6、 仔细记录本岗的质量记录,及时将质量日报表上交文件管理员。7、 经培训合格持证上岗,遵守安全操作规程及各项规章制度。8、 精通本岗位的各种规定的工艺技术要求。熟悉...

1、当您付费下载文档后,您只拥有了使用权限,并不意味着购买了版权,文档只能用于自身使用,不得用于其他商业用途(如 [转卖]进行直接盈利或[编辑后售卖]进行间接盈利)。
2、本站所有内容均由合作方或网友上传,本站不对文档的完整性、权威性及其观点立场正确性做任何保证或承诺!文档内容仅供研究参考,付费前请自行鉴别。
3、如文档内容存在违规,或者侵犯商业秘密、侵犯著作权等,请点击“违规举报”。

碎片内容

4.7质检部岗位职责

您可能关注的文档

确认删除?
VIP
微信客服
  • 扫码咨询
会员Q群
  • 会员专属群点击这里加入QQ群
客服邮箱
回到顶部