电脑桌面
添加小米粒文库到电脑桌面
安装后可以在桌面快捷访问

EMCCLARiiON使用维护手册VIP专享

EMCCLARiiON使用维护手册_第1页
1/17
EMCCLARiiON使用维护手册_第2页
2/17
EMCCLARiiON使用维护手册_第3页
3/17
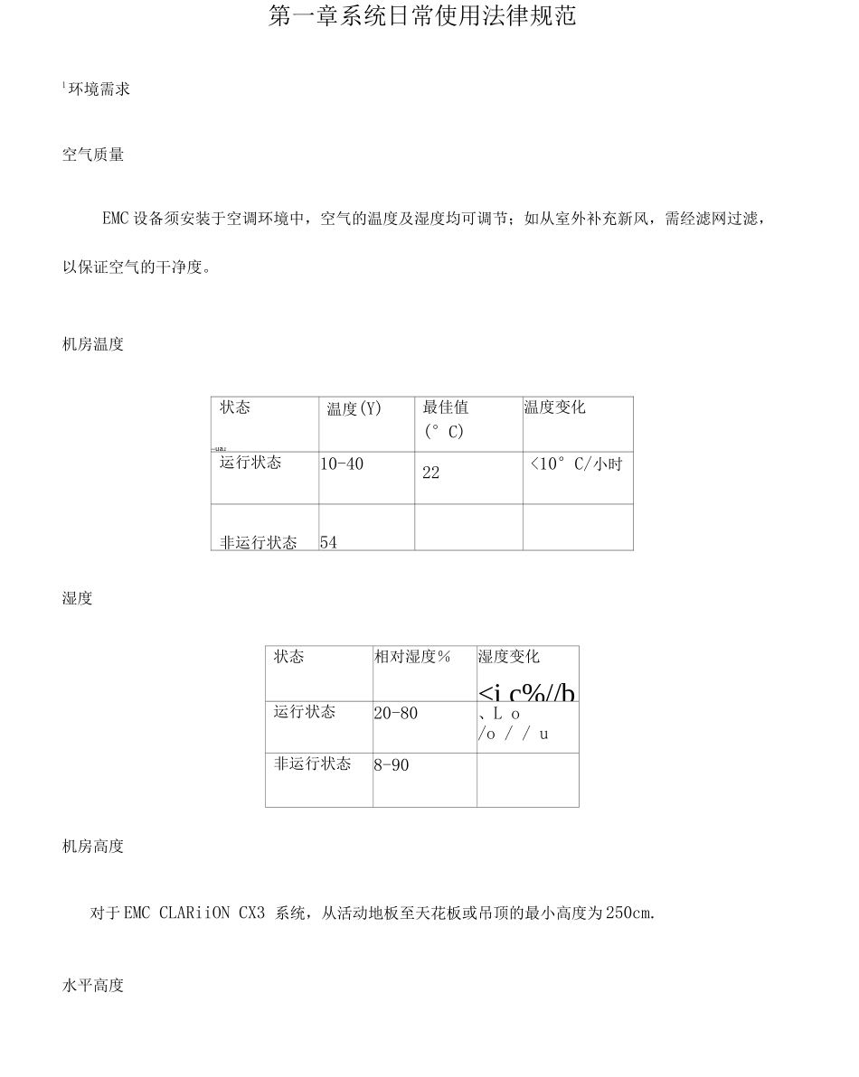
EMCCLARiiON维护手册使用文件编码(OO8TTIG-UTITD-GKBTT PUUTI WYTUI 8256)EMC CLARiiON 使用维护手册第一章系统日常使用法律规范1环境需求空气质量EMC 设备须安装于空调环境中,空气的温度及湿度均可调节;如从室外补充新风,需经滤网过滤,以保证空气的干净度。机房温度状态—ua1温度(Y)最佳值(°C)温度变化运行状态10-4022<10°C/小时非运行状态54湿度状态相对湿度%湿度变化

1、当您付费下载文档后,您只拥有了使用权限,并不意味着购买了版权,文档只能用于自身使用,不得用于其他商业用途(如 [转卖]进行直接盈利或[编辑后售卖]进行间接盈利)。
2、本站所有内容均由合作方或网友上传,本站不对文档的完整性、权威性及其观点立场正确性做任何保证或承诺!文档内容仅供研究参考,付费前请自行鉴别。
3、如文档内容存在违规,或者侵犯商业秘密、侵犯著作权等,请点击“违规举报”。

碎片内容

EMCCLARiiON使用维护手册

确认删除?
微信客服
  • 扫码咨询
会员Q群
  • 会员专属群点击这里加入QQ群