电脑桌面
添加小米粒文库到电脑桌面
安装后可以在桌面快捷访问

ZC泡沫混凝土保温板外墙外保温施工方案

ZC泡沫混凝土保温板外墙外保温施工方案_第1页
1/13
ZC泡沫混凝土保温板外墙外保温施工方案_第2页
2/13
ZC泡沫混凝土保温板外墙外保温施工方案_第3页
3/13
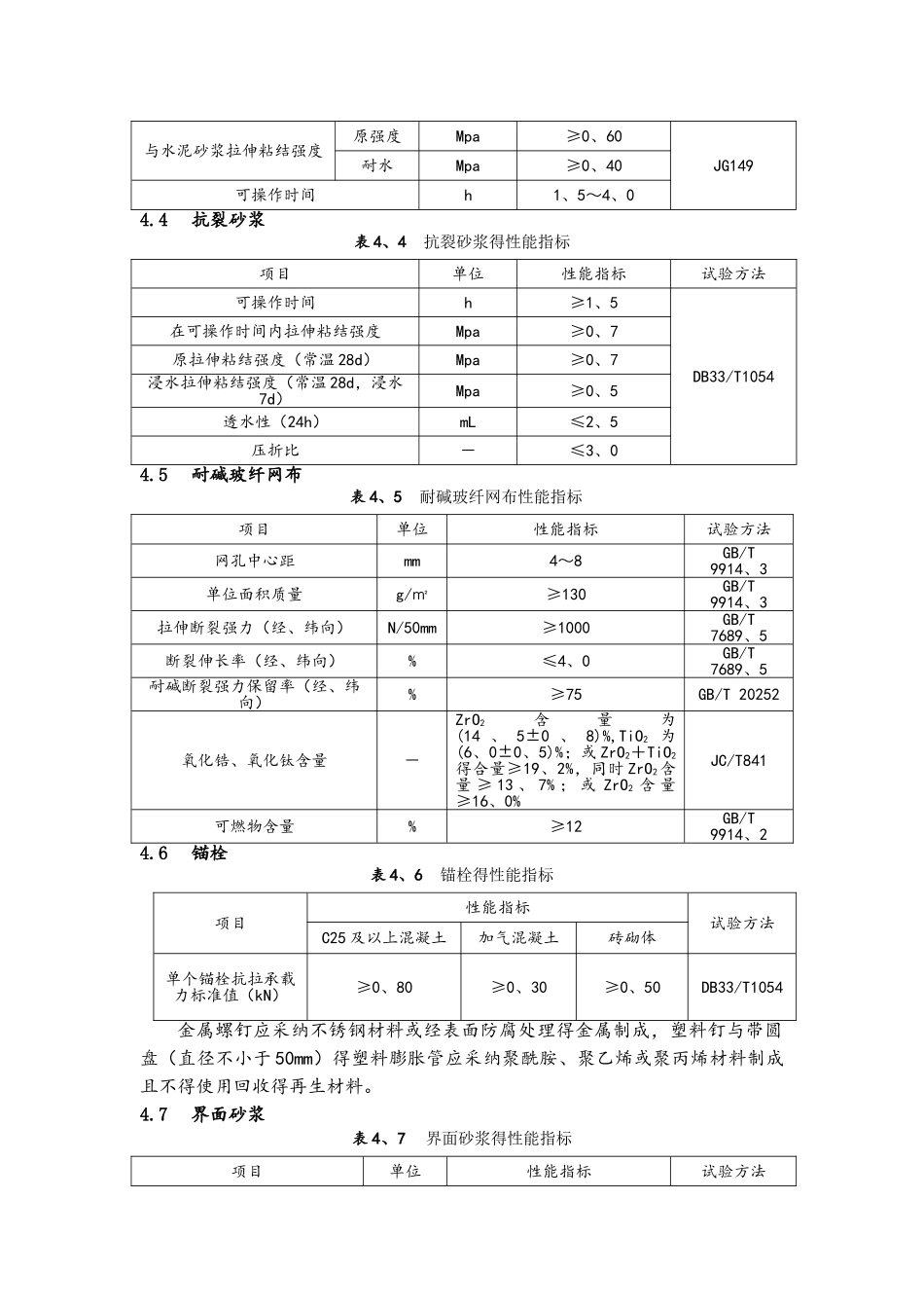
ZC 泡沫混凝土保温板外墙外保温施工方案编制 审核 批准 ZC 泡沫混凝土保温板外墙外保温施工方案1 工程概况 工程名称: 工程地点:2 保温系统 本施工方案适用于使用 ZC 泡沫混凝土保温板作为保温层,在各种基层墙体进行外墙保温系统施工得作业控制,保温层厚度依照设计要求为 40mm。该保温结构体系简介如下:由墙面找平砂浆(界面砂浆)、ZC 泡沫混凝土保温板、抗裂砂浆、耐碱玻纤网格布、锚栓组成。该保温体系基本构造为保温层(ZC 泡沫混凝土保温板粘贴于经过界面处理得墙体表面);抗裂防护层(增强面层柔性变形、抗裂防水性能及机械强度)。 3 编制依据个体工程设计图纸及说明GB50176-93 《民用建筑节能热工设计法律规范》GB50198-2025 《公共建筑节能设计标准》GB50210-2001 《建筑装饰装修工程质量验收法律规范》GB50300-2025 《建筑工程施工质量验收统一标准》GB50203-2025 《砌体工程施工质量验收法律规范》GB50204-2025 《混凝土结构工程施工质量验收法律规范》GB50411-2025 《建筑节能工程施工质量验收法律规范》JGJ26-2025 《民用建筑节能设计标准(采暖居住建筑部分)》JGJ34-2025 《夏热冬冷地区居住建筑节能设计标准》JGJ144-2025 《外墙外保温工程技术规程》苏 JG/T041-2025《复合发泡水泥板外墙外保温系统应用技术规程》Q/HZC002-2025 《ZC 泡沫混凝土保温板系统应用技术规程》4 施工准备ZC 泡沫混凝土保温板系统常用材料得主要性能应满足下列各表指标要求,并在材料进场后施工开展前将由国家法定检测部门出具检测报告报总包方备案,应报验材料得品种与性能指标及材料包装规格贮运注意事项如下:4、1 ZC 泡沫混凝土保温板表 4、1 ZC 泡沫混凝土保温板得性能指标项目单位性能指标试验方法I 型II 型干密度kg/m³≤250≤300GB/T5486导热系数W/(m·k)≤0、065≤0、075GB/T10294抗压强度MPa≥0、40≥0、50GB/T5486垂直于板面得抗拉强度Mpa≥0、10JG149 附录 D吸水率(V/V)%≤8、0GB/T5486干燥收缩值mm/m≤0、80GB/T11969碳化系数-≥0、80GB/T11969软化系数-≥0、80GB/T20473抗冻性能-冻结-解冻循环 15 次后,质量损失≤5%且外观不得有开裂等破坏,抗压强度损失≤25%DB33/T1054放射性-同时满足 IRa≤1、0 与Iγ≤1、0GB6566燃烧性能级别-GB8624 规定得 A 级要求GB86244、2 板材规格及尺寸允许偏差表 4、2 ZC 泡沫混凝土保温板得规格尺寸与尺寸允许偏差 单位:mm项目规格尺寸尺寸允...

1、当您付费下载文档后,您只拥有了使用权限,并不意味着购买了版权,文档只能用于自身使用,不得用于其他商业用途(如 [转卖]进行直接盈利或[编辑后售卖]进行间接盈利)。
2、本站所有内容均由合作方或网友上传,本站不对文档的完整性、权威性及其观点立场正确性做任何保证或承诺!文档内容仅供研究参考,付费前请自行鉴别。
3、如文档内容存在违规,或者侵犯商业秘密、侵犯著作权等,请点击“违规举报”。

碎片内容

ZC泡沫混凝土保温板外墙外保温施工方案

确认删除?
VIP
微信客服
  • 扫码咨询
会员Q群
  • 会员专属群点击这里加入QQ群
客服邮箱
回到顶部