电脑桌面
添加小米粒文库到电脑桌面
安装后可以在桌面快捷访问

三级安全教育模板

三级安全教育模板_第1页
1/1
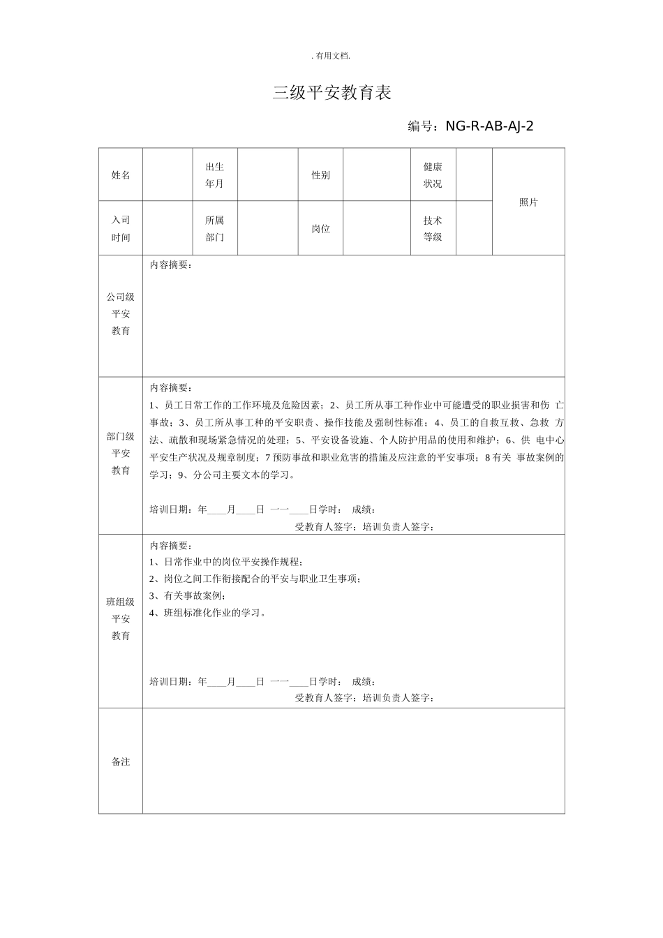
.有用文档.三级平安教育表编号:NG-R-AB-AJ-2姓名出生年月性别健康状况照片入司时间所属部门岗位技术等级公司级平安教育内容摘要:部门级平安教育内容摘要:1、员工日常工作的工作环境及危险因素;2、员工所从事工种作业中可能遭受的职业损害和伤 亡事故;3、员工所从事工种的平安职责、操作技能及强制性标准;4、员工的自救互救、急救 方法、疏散和现场紧急情况的处理;5、平安设备设施、个人防护用品的使用和维护;6、供 电中心平安生产状况及规章制度;7 预防事故和职业危害的措施及应注意的平安事项;8 有关 事故案例的学习;9、分公司主要文本的学习。培训日期:年____月____日 一一____日学时: 成绩:受教育人签字:培训负责人签字:班组级平安教育内容摘要:1、日常作业中的岗位平安操作规程;2、岗位之间工作衔接配合的平安与职业卫生事项;3、有关事故案例;4、班组标准化作业的学习。培训日期:年____月____日 一一____日学时: 成绩:受教育人签字:培训负责人签字:备注

1、当您付费下载文档后,您只拥有了使用权限,并不意味着购买了版权,文档只能用于自身使用,不得用于其他商业用途(如 [转卖]进行直接盈利或[编辑后售卖]进行间接盈利)。
2、本站所有内容均由合作方或网友上传,本站不对文档的完整性、权威性及其观点立场正确性做任何保证或承诺!文档内容仅供研究参考,付费前请自行鉴别。
3、如文档内容存在违规,或者侵犯商业秘密、侵犯著作权等,请点击“违规举报”。

碎片内容

三级安全教育模板

您可能关注的文档

确认删除?
VIP
微信客服
  • 扫码咨询
会员Q群
  • 会员专属群点击这里加入QQ群
客服邮箱
回到顶部