电脑桌面
添加小米粒文库到电脑桌面
安装后可以在桌面快捷访问

上下台阶法开挖专项施工方案

上下台阶法开挖专项施工方案_第1页
1/8
上下台阶法开挖专项施工方案_第2页
2/8
上下台阶法开挖专项施工方案_第3页
3/8
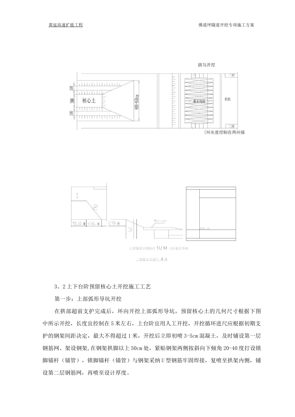
佛道坪隧道开挖专项施工方案佛道坪隧道开挖专项施工方案一、编制目的和依据1、编制目的进一步加强佛道坪隧道工程的质量管理,落实建设单位关于开挖工法变更后编制隧道专项施工方案的通知,杜绝质量隐患,确保隧道顺利贯穿。特制订本专项方案.2、编制依据(1)、《公路隧道施工技术法律规范》JT G F60-29(2)、《公路隧道设计法律规范》(JTG D70-24)(3)、《公路隧道设计细则》(JTG/T D70—2025)(4)、现场查勘调查的有关资料,开挖工法变更会议纪要(5)、黄延总监发(2025) 434 号文二、工程概况:佛道坪隧道项目为分离式隧道,隧道左洞全长 1470m,进里程为 ZK126+236,出里程为 ZK127+706;右洞全长 1461m,进里程为 YK126+238,出里程为 YK127+699;设置两个工区分别负责该隧道进出施工,佛道坪隧道左线 ZK126 + 2—ZK1 2 6 + 34 经过现场勘查掌子面围岩稳定、自稳能力强、含冰量 9%左右,将 ZK12 6 + 2—ZK 1 2 6 + 3 4 段土质浅埋段优化为预留核心土上下台阶法施工,支护参数 I25 钢拱架间距由 60cm 变为 75cm,超前小导管每 5 根拱架间距(3。75m)施工一环。隧道右线 YK126+294- YK126+414 经过现场勘查掌子面围岩稳定、自稳能力强、含水量 9.8%左右,将 YK126+294- YK126+414 段土质浅埋段优化为预留核心土上下台阶法施工,支护参数 I25 钢拱架间距由 60cm 变为75cm,超前小导管每 5 根拱架间距(3。75m)施工一环。三、施工方案1、施工准备1)导线控制点、水平基点已布设,轴线放样和标高测量满足施工要求。2)围岩周边收敛仪、精密水准仪等监控量测仪器齐全,洞监控量测点已布设,量测数据反馈信息满足开挖正常作业要求。佛道坪隧道开挖专项施工方案3)钻孔台车、出渣运输车辆等各项机械设备性能良好可靠,可满足施工需要。黄延高速扩能工程黄延高速扩能工程4)供电、供水、供风及排水等辅助作业能满足施工需要。2、测量放样隧道开挖前,测量人员定出开挖断面中线、水平线,根据设计图将开挖轮廓线标示在掌子面上。3、隧道开挖上下台阶预留核心土法机械利用率高,工序少,进度相对较快,适宜于 V 级石质围岩深埋段、V 级土质围岩(含水量小于 22%)深埋地段.3。1 上下台阶预留核心土开挖施工顺序上部留核心土支挡开挖工作面,利于及时施做拱部初期支护以增强开挖工作面的稳定,上台阶的宽度宜控制在 3 米左右,上台阶距拱顶的高度宜控制在 2.5 米左右,上台阶的长...

1、当您付费下载文档后,您只拥有了使用权限,并不意味着购买了版权,文档只能用于自身使用,不得用于其他商业用途(如 [转卖]进行直接盈利或[编辑后售卖]进行间接盈利)。
2、本站所有内容均由合作方或网友上传,本站不对文档的完整性、权威性及其观点立场正确性做任何保证或承诺!文档内容仅供研究参考,付费前请自行鉴别。
3、如文档内容存在违规,或者侵犯商业秘密、侵犯著作权等,请点击“违规举报”。

碎片内容

上下台阶法开挖专项施工方案

确认删除?
VIP
微信客服
  • 扫码咨询
会员Q群
  • 会员专属群点击这里加入QQ群
客服邮箱
回到顶部