电脑桌面
添加小米粒文库到电脑桌面
安装后可以在桌面快捷访问

临时施工便道施工方案3

临时施工便道施工方案3_第1页
1/5
临时施工便道施工方案3_第2页
2/5
临时施工便道施工方案3_第3页
3/5
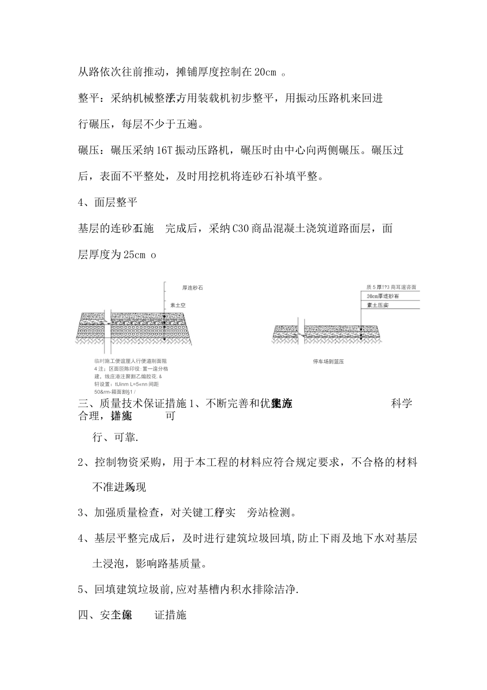
东郊惠民工程川棉厂生活区 A1、B 1 线道路建设工程编制人:审核人:编制单位:四川欣瑞利建筑工程有限责任公司编制日期:一、工程概况该工程位于成华区川棉厂生活区内,工程内容有 A1 线和 B1 线的道施工现场社会通道实施方案路、电力浅沟及排水工程,川棉厂生活区 A1 线道路全长约 360.171米,宽度规划为 16 米,起点与现状小龙桥路相接,终点与现状二环路相接,路线中段与本次委托同期设计的川棉厂生活区 B1 线交点。B1 线道路全长约 539。171 米,宽度规划为 16 米,起点与现状双林北支路相接,终点与现状新鸿路相接。因B1 线 K0+120-K0+270 段左侧现有大量居民居住,居民出入砼路面位于 B1 线红线范围内,B1 线施工过程中将会阻断居民的出行通道,为保障居民的出行,需在B1 线双林北路至K0+270 段右侧内修筑一条社会通道(详附图)。该通道采纳压实原有表层松土,回填建筑垃圾,回填连砂石,压路机压实,面层浇筑商品混凝土的施工方法进行施工.经现场实地勘察,为满足通行需要,要修建一条长272 米,宽 5.5 米的临时社会通道.具体位置见附图.二、施工方案1、路基压实铺筑建渣前在路基上放样,撒好道路边线,使路基施工范围一目了然。在 K0+120~K0+180 段范围内,有沿开发商堆积的土方 ,平均高度为3。5m(详附图)需挖弃。路床采纳 16t 压路机进行碾压。2、建筑垃圾施工摊铺:将建筑垃圾用自卸汽车运到现场用挖掘机进行摊铺.从路依次往前推动,摊铺厚度控制在 50cm.整平:采纳机械整平方法,用挖掘机初步整平,用振动压路机来回进行碾压,每层不少于五遍。碾压:碾压采纳 16T 振动压路机,碾压时由中心向两侧碾压。碾压过后,表面不平整处,及时用挖机将建筑垃圾补填平整。3、连砂石层施工摊铺:将连砂石用自卸汽车运到现场用装载机进行摊铺。从路依次往前推动,摊铺厚度控制在 20cm o整平:采纳机械整平方法,用装载机初步整平,用振动压路机来回进行碾压,每层不少于五遍。碾压:碾压采纳 16T 振动压路机,碾压时由中心向两侧碾压。碾压过后,表面不平整处,及时用挖机将连砂石补填平整。4、面层整平基层的连砂石施工完成后,采纳 C30 商品混凝土浇筑道路面层,面层厚度为 25cm o三、质量技术保证措施 1、不断完善和优化施工方案,使施工方案科学合理,措施详实、可行、可靠.2、控制物资采购,用于本工程的材料应符合规定要求,不合格的材料不准进入现场。3、加强质量检查,对关键工序实行旁站...

1、当您付费下载文档后,您只拥有了使用权限,并不意味着购买了版权,文档只能用于自身使用,不得用于其他商业用途(如 [转卖]进行直接盈利或[编辑后售卖]进行间接盈利)。
2、本站所有内容均由合作方或网友上传,本站不对文档的完整性、权威性及其观点立场正确性做任何保证或承诺!文档内容仅供研究参考,付费前请自行鉴别。
3、如文档内容存在违规,或者侵犯商业秘密、侵犯著作权等,请点击“违规举报”。

碎片内容

临时施工便道施工方案3

确认删除?
VIP
微信客服
  • 扫码咨询
会员Q群
  • 会员专属群点击这里加入QQ群
客服邮箱
回到顶部