电脑桌面
添加小米粒文库到电脑桌面
安装后可以在桌面快捷访问

乳化沥青试验报告

乳化沥青试验报告_第1页
1/6
乳化沥青试验报告_第2页
2/6
乳化沥青试验报告_第3页
3/6
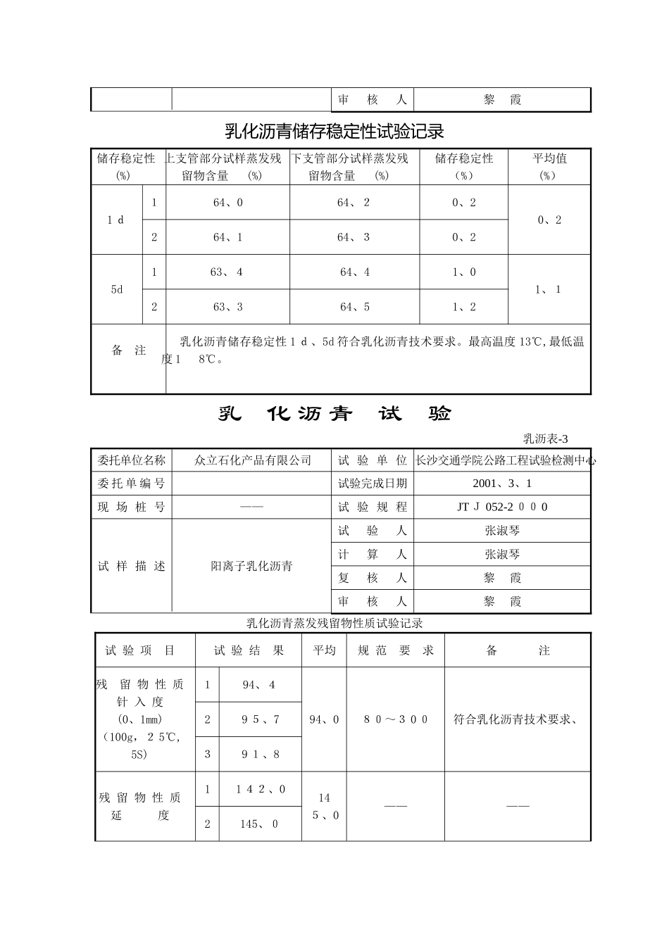
乳化沥青试验乳沥表-1委托单位名称众立石化产品有限公司试 验 单 位 长沙交通学院公路工程试验检测中心委 托 单 编 号试验完成日期200 1、3、2现 场 桩 号——试 验 规 程JTJ0 5 2-20 0 0试 样 描 述阳离子乳化沥青试验人张淑琴 计算人张淑琴复核人黎 霞审核人黎 霞乳化沥青蒸发残留物含量试验记录 试验次数 乳化沥青质量 (g)蒸发残留物质量 (g)沥青含量 (%)平均值 (%)1300、1192、264、064、0230 0、0192、364、1备 注符合乳化沥青技术要求。乳化沥青筛上剩余量试验记录试验次数乳化沥青质量 (g)筛上残留物质量 (g)筛上残留物含量 (%)平均值 (%)15 01、20、8 00、1 60、2250 0、00、750、1 5备 注符合乳化沥青技术要求。乳化沥青试验乳沥表-2委托单位名称众立石化产品有限公司试 验 单 位 长沙交通学院公路工程试验检测中心委 托 单 编 号试验完成日期2 0 01、3、5现 场 桩 号——试 验 规 程JT J 0 5 2-2 000试 样 描 述阳离子乳化沥青试验人张淑琴 计算人张淑琴复核人黎 霞审核人黎 霞乳化沥青储存稳定性试验记录 储存稳定性(%)上支管部分试样蒸发残留物含量 (%)下支管部分试样蒸发残留物含量 (%)储存稳定性 (%)平均值 (%)1 d164、064、20、20、2264、164、30、25d163、464、41、01、1263、364、51、2备 注 乳化沥青储存稳定性 1 d、5d 符合乳化沥青技术要求。最高温度 13℃,最低温度 1 8℃。乳 化 沥 青 试 验乳沥表-3委托单位名称众立石化产品有限公司试 验 单 位 长沙交通学院公路工程试验检测中心委 托 单 编 号试验完成日期2001、3、1现 场 桩 号——试 验 规 程JT J 052-2 00 0试 样 描 述阳离子乳化沥青试验人张淑琴 计算人张淑琴复核人黎 霞审核人黎 霞乳化沥青蒸发残留物性质试验记录试 验 项 目试 验 结 果平均规 范 要 求备 注残 留 物 性 质针 入 度(0、1mm)(100g,2 5℃, 5S)194、494、080~3 0 0符合乳化沥青技术要求、29 5、739 1、8残 留 物 性 质延 度11 42、0145、0————2145、0(2 5℃,cm) 3148、0溶 解 度(三氯乙烯,%) 198、89 8、7>97、5符合乳化沥青技术要求、 298、6乳化沥青恩格拉粘度试验记录 试验次数恩格拉粘度计得水值 (tw)试样在 25℃时流出时间(tT)恩格拉粘度 (E 2 5...

1、当您付费下载文档后,您只拥有了使用权限,并不意味着购买了版权,文档只能用于自身使用,不得用于其他商业用途(如 [转卖]进行直接盈利或[编辑后售卖]进行间接盈利)。
2、本站所有内容均由合作方或网友上传,本站不对文档的完整性、权威性及其观点立场正确性做任何保证或承诺!文档内容仅供研究参考,付费前请自行鉴别。
3、如文档内容存在违规,或者侵犯商业秘密、侵犯著作权等,请点击“违规举报”。

碎片内容

乳化沥青试验报告

确认删除?
VIP
微信客服
  • 扫码咨询
会员Q群
  • 会员专属群点击这里加入QQ群
客服邮箱
回到顶部