电脑桌面
添加小米粒文库到电脑桌面
安装后可以在桌面快捷访问

产品实现的策划程序

产品实现的策划程序_第1页
1/4
产品实现的策划程序_第2页
2/4
产品实现的策划程序_第3页
3/4
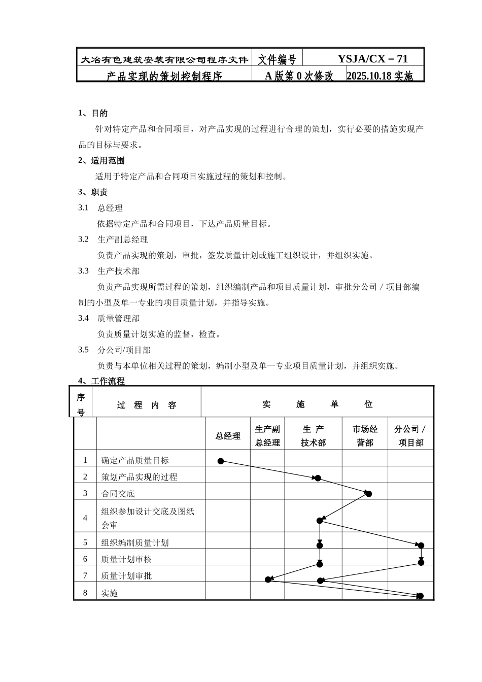
1、目的针对特定产品和合同项目,对产品实现的过程进行合理的策划,实行必要的措施实现产品的目标与要求。2、适用范围适用于特定产品和合同项目实施过程的策划和控制。3、职责3.1 总经理依据特定产品和合同项目,下达产品质量目标。3.2 生产副总经理负责产品实现的策划,审批,签发质量计划或施工组织设计,并组织实施。3.3 生产技术部负责产品实现所需过程的策划,组织编制产品和项目质量计划,审批分公司/项目部编制的小型及单一专业的项目质量计划,并指导实施。3.4 质量管理部负责质量计划实施的监督,检查。3.5 分公司/项目部负责与本单位相关过程的策划,编制小型及单一专业项目质量计划,并组织实施。4、工作流程序号过 程 内 容实 施 单 位总经理生产副总经理生 产技术部市场经营部分公司/项目部1确定产品质量目标2策划产品实现的过程3合同交底4组织参加设计交底及图纸会审5组织编制质量计划6质量计划审核7质量计划审批8实施大冶有色建筑安装有限公司程序文件文件编号YSJA/CX-71产品实现的策划控制程序A 版第 0 次修改2025.10.18 实施5、控制要求5.1 总则5.1.1 确定特定产品质量目标时,应考虑顾客,法律法规,产品特性要求。同时还应关注产品实现的过程与公司质量管理体系相一致。5.1.2 根据确定的产品质量目标,策划产品实现所需的过程及过程之间的流程关系和相互作用,并保证各过程获得资源的支持。5.1.3 产品实现的策划过程主要有:投标过程,采购过程,施工和服务提供过程。适当时,还应考虑支持性过程,如信息管理,人员培训,基础设施的维护和服务提供,工业安全和防护设备的使用,支持性服务等。5.1.4 产品实现的策划结果应形成文件,并传递给相关单位和人员。通过对策划的过程进行有效控制,确保实现产品的目标与要求。5.1.5 产品实现的策划结果的输出形式为:质量计划或施工组织设计。5.2 质量计划编写的内容1)质量目标和要求; 2)质量管理组织和职责;3)施工管理依据的文件; 4)人员、技术、施工机具等资源的需求和配置; 5)场地、道路、水电、消防、临时设施规划;6)影响施工质量的因素分析及其控制措施; 7)进度控制措施;8)施工质量检查、验收及其相关标准;9)突发事件的应急措施; 10) 对违规事件的报告和处理; 11) 应收集的信息及其传递要求;12) 与工程建设有关方的沟通方式;13) 施工管理应形成的记录;14) 质量管理和技术措施;15) 施工企业质量管理的其他要求。5.3 质量计划的实施和控制5.3...

1、当您付费下载文档后,您只拥有了使用权限,并不意味着购买了版权,文档只能用于自身使用,不得用于其他商业用途(如 [转卖]进行直接盈利或[编辑后售卖]进行间接盈利)。
2、本站所有内容均由合作方或网友上传,本站不对文档的完整性、权威性及其观点立场正确性做任何保证或承诺!文档内容仅供研究参考,付费前请自行鉴别。
3、如文档内容存在违规,或者侵犯商业秘密、侵犯著作权等,请点击“违规举报”。

碎片内容

产品实现的策划程序

您可能关注的文档

确认删除?
VIP
微信客服
  • 扫码咨询
会员Q群
  • 会员专属群点击这里加入QQ群
客服邮箱
回到顶部